【導讀】BLDC 電機效率更高,運行更快更安靜,需要電子以控制旋轉場。BLDC 電機制造成本更低,易于維護。驅動 BLDC 電機需要三相反向器。反向器包含三個半 H 橋,使用輔助信號控制其高位和低位開關。在關閉高側開關和開啟低側開關之間保有延遲是非常重要的。這將消除潛在的開關短路。
無刷直流電機具有定子繞線和永久磁性轉子。繞線連接到控制電子,且電機內部沒有刷子和換向器。電子類似于換向器驅動適當的繞線;在圍繞定子旋轉的移動模式中驅動繞線。驅動的定子繞線引導轉子磁性。

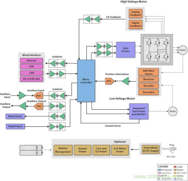
圖3:無刷直流電機系統的方框圖,它具有微處理器、閘極驅動器、隔離器件、工業接口和電源管理。
無刷直流電機設計注意事項
微處理器
了解轉子位置對于高效控制 BLDC 電機非常重要。TI 的 C2000 系列 MCU 可以通過使用標量或矢量控制技術控制 BLDC 電機。通過連接至電機的霍爾傳感器或旋轉式編碼器能夠檢測到轉子的位置。這些傳感器輸入用于含傳感器的反饋控制系統。
轉子位置還可通過使用反電動勢電壓信息進行估算。此反饋控制模式無需使用傳感器和附加接線。位置或度評估器也可用于計算轉子位置。
C2000 MCU 上的集成高速 12 位 ADC 轉換器、高分辨率脈寬調制器 (PWM) 和正交編碼器輸入 (QEI) 使其適合于實施 BLDC 電機控制。C2000 MCU 內核能夠在短時間內執行復雜的數學函數,使此 MCU 系列成為實施矢量控制技術和同時控制多個電機的理想選擇。此系列的 PWM 具有可編程死區延遲,可驅動高側和低側閘極驅動器。C2000 MCU 還可通過使用梯形或正弦控制驅動 BLDC 電機。
Stellaris 系列 MCU 向偏愛開放式構架內核的客戶提供基于 ARM 的解決方案。這些 MCU 還為傳感器的控制提供集成 ADC、電機控制特定的 PWM 和 QEI 輸入。其基于硬件的故障檢測系統可更快地關閉系統,無需軟件干預。這些 MCU 也可用于實施標量和矢量控制技術。
MSP430 器件基于 16 位 RISC 架構,在工作模式和休眠模式中具有超低功耗操作功能。通過使用接受較低性能的標量技術,這些 MCU 可用于 BLDC 電機控制。集成驅動器可配置為 PWM 輸出并可通過梯形控制控制閘極驅動器。
Hercules 安全 MCU 可提供基于 ARM Cortex-R4f 的解決方案并被認證為適合用于需要實現 IEC61508 SIL-3 安全級別的系統中。這些 MCU 還可通過靈活的 HET 協處理器提供集成浮點、12 位 ADC、特定于電機控制的 PWM 及編碼器輸入。Hercules 安全 MCU 還可用于實施標量和矢量控制技術并支持各種性能需求。
隔離
數字隔離器具有邏輯輸入和輸出緩沖器,這些緩沖器由二氧化硅 (SiO2) 隔離勢壘進行隔離,可提供 4kV 隔離。當與隔離電源配合使用時,這些器件可阻止高電壓、隔離接地以及防止噪聲電流進入本地接地并干擾或損害敏感電路。
接口/連接
傳統模擬 RS-232/RS-485 接口一直是電機控制應用的常見選擇。展望未來,設計人員將在其產品中集成主流接口,如以太網、USB 和 CAN。例如,TI 最近推出了全世界首款隔離式 CAN 收發器 ISO1050。
相關閱讀:
第一講:有刷、無刷DC電機特性及優缺點
http://www.mengyueyun.cn/motor-art/80020200
第二講:有刷直流電機控制設計的注意事項
http://www.mengyueyun.cn/motor-art/80020222
第三講:無刷直流電機控制設計注意事項
http://www.mengyueyun.cn/motor-art/80020233
[page]
高電壓電機控制設計

圖4:高電壓電機控制設計方框圖





