【導讀】雖然無刷直流電機的應用范圍不斷擴大,但是直流電機憑借成本低這一優勢仍然被繼續沿用,本期大講臺將重點介紹有刷直流電機控制設計時的注意事項,以及低壓直流電機設計時的注意事項。
刷式直流電機使用刷子進行換向。電樞或轉子具有繞線,可端接至換向器。刷子通過形成或斷開接觸為電樞提供電源。定子可能具有兩個或更多永久磁性;相反的定子磁性極性和激磁繞線異極相吸,導致轉子旋轉。當轉子與定子位置對齊時,刷子將跨越換向器并驅動下一個繞線。刷式直流電機需要維護并具有線性扭矩/電流曲線。這些電機易于控制,其速度和扭矩與電流和電壓成正比。

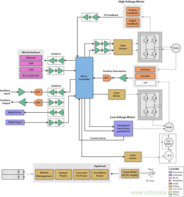
圖1:刷式直流電機系統的方框圖 (SBD),它具有微處理器、閘極驅動器、隔離器件、工業接口和電源管理。
刷式直流電機控制設計注意事項
微處理器
具有 4 個脈寬調制器 (PWM) 信號的任何 MCU 系列均可以用于驅動連接到刷式直流電機的 H 橋 DC/DC 轉換器。根據控制算法的復雜性,反饋控制可能使用霍爾傳感器或編碼器。
鑒于其在工作模式和休眠模式中的超低功耗操作功能,TI 的 MSP430 可以成為控制低端、電池供電的刷式直流電機系統的理想選擇。C2000 和 Stellaris MCU 具有 QEI 輸入,可接受編碼器輸入。Hercules MCU 可通過靈活的 HET 協處理器接收編碼器輸入。如果需要高性能和實時操作,C2000 MCU 系列就是最佳選擇。C2000 或 Stellaris MCU 可滿足中端系統要求。Hercules MCU 是系統需要基于 IEC61508 等安全標準認證時的首選并可支持各種性能需求。
隔離
TI 數字隔離器具有邏輯輸入和輸出緩沖器,這些緩沖器由 TI 的二氧化硅 (SiO2) 隔離勢壘進行隔離,可提供 4kV 隔離。當與隔離電源配合使用時,這些器件可阻止高電壓、隔離接地以及防止噪聲電流進入本地接地并干擾或損害敏感電路。
接口/連接
傳統模擬 RS-232/RS-485 接口一直是電機控制應用的常見選擇。展望未來,設計人員將在其產品中集成主流接口,如以太網、USB 和 CAN。TI 致力于同時為傳統和新興工業接口提供解決方案。例如,TI 最近推出了全世界首款隔離式 CAN 收發器 ISO1050。
電源管理
德州儀器 (TI) 提供從標準 IC 到高性能插件、變壓器、數字電源 MOSFET 和集成電源模塊的電源管理 IC 解決方案。從 AC/DC 和 DC/DC 電源、線性穩壓器和非隔離式開關 DC/DC 穩壓器到 PMIC 和電源及顯示解決方案,德州儀器 (TI) 的電源管理 IC 解決方案都能幫助您完成項目開發。
[page]
小型電動機械驅動包括螺線管驅動、單向 DC、雙向 DC 或無刷 DC 系統,通常按照幀大小和功率(以瓦計)來劃分大小。

圖2:低電壓電機控制方框圖
低電壓電機控制設計注意事項
內核子系統包括:
控制器
TI 可提供用于控制處理器的各種解決方案;從超低功耗 MSP430 微處理器到 ARM 基于 Hercules 的Cortex-R4F 安全 MCU 和 C2000 數字信號控制器 (DSC).合適的控制器可以優化電機驅動效率、提高可靠性和降低系統總成本。C2000 控制器的 32 位 DSP 級性能和電機控制優化的片上外設使用戶可以輕松實施高級算法,例如三相電機的無傳感器矢量控制。C2000 系列提供軟件兼容的控制器,范圍從低成本 F28016 到業界首款 TMS320F28335 浮點 DSC。
電機/螺線管驅動器電路
PWM 驅動器(例如 1.2A DRV104)可以與用于驅動螺線管或閥門(由 +8V 至 +32V 單電源供電)的電阻性負載或電感負載兼容。低壓 DC 電機的設計人員可能會選擇具有 0V 至 16V、50mA PWM 閘極驅動輸出的 TPIC2101 前置 FET 驅動器。TPIC2101 驅動外部、低側 NMOS 功率晶體管的閘極,從而為電機或其它負載提供 PWM 控制的電源。它包含軟啟動、過壓/欠壓保護和 100% 占空比功能。可以使用 TPIC2101 控制永久磁性 DC 電機的轉子速度或控制流經螺線管、加熱器或白熾燈泡的電源。要獲得更高的驅動電流,可能需要一個具有 0 至 5A 電流限制的高電壓、大電流運算放大器 (OPA548)(它通過電阻/分壓器實現外部控制)或電流輸出 DAC(例如 DAC7811 或 DAC8811)。另外,MOSFET 驅動器(如 UCC37321 或 UCC37323)被認為可以直接驅動更小的電機或驅動電源設備,例如 MOSFET 或 IGBT。
隔離
TI 數字隔離器具有邏輯輸入和輸出緩沖器,它由可提供 4kV 隔離的 TI 二氧化硅 (SiO2) 隔離勢壘進行隔離。當與隔離電源配合使用時,這些器件可以阻止高電壓、隔離接地以及防止噪聲電流進入本地接地和干擾或損害敏感的電路。
控制器接口
RS-232 或 RS-422 適用于許多系統。RS-485 信令可以與 Profibus、Interbus、Modbus 或 BACnet 等協議一起使用,這些協議都是針對最終用戶的特定要求定制的。有時,控制器局域網 (CAN) 或 EtherNet/IP(工業協議)更注重網絡需求。M-LVDS 可提供更低功耗以供選擇。
使用外部電路的運動反饋
隔離式 Δ-Σ 調制器 (AMC1203/AMC1210) 是并聯測量平面假信號的理想選擇,并且可以提高電流反饋分辨率。這些調制器易于使用,并且可以為編碼器提供過采樣和濾波。為了測量控制器輸入和系統反饋,INA159 差動放大器可以為使用 5V 或 3.3V 電源的模數轉換器 (ADC) 提供 ?10V (20Vpp) 信號。ADC(如 ADS7861/ADS7864 或 ADS8361/ADS8364)可提供 4 通道或 6 通道同步電流采樣。INA19x(x=3 至 8)和 INA20x(x=1 至 9)可以提供寬泛的共模電壓,并且能夠進行低端和高端電流并聯監視。




