【導讀】本文以586-Engine嵌入式芯片為核心,設計了某型無人機的飛行控制器,詳細介紹了系統的硬件結構和相應的軟件流程,并給出了仿真實驗結果。具有高可靠性、結構緊湊以及低功耗等特點,值得大家學習。
本文以586-Engine嵌入式芯片為核心,設計了某型無人機的飛行控制器,詳細介紹了系統的硬件結構和相應的軟件流程,并給出了仿真實驗結果。586-Engine是TERN公司的基于AMD Elan SC520處理器的微控制模塊,具有高可靠性、結構緊湊以及低功耗等特點,它同時具有功能強大的調試軟件。586-Engine的主要參數指標如下:
(1)CPU為32位AMD Elan SC520,主頻為133MHz;
(2)具有高性能的浮點運算單元,支持正弦、正切、對數等復雜運算,非常適合需要復雜運算的應用。
(3)配置512KB的SRAM,512KB的Flash,114字節內部RAM;
(4)支持15個外部中斷。共有7個定時器,包括一個可編程內部定時器,提供3個16位內部定時器和3個16位GP定時器,再加上一個軟件定時器。這些定時器支持外部事件的計時和計數。軟件定時器提供微秒級的硬件時間基準。
(2)具有高性能的浮點運算單元,支持正弦、正切、對數等復雜運算,非常適合需要復雜運算的應用。
(3)配置512KB的SRAM,512KB的Flash,114字節內部RAM;
(4)支持15個外部中斷。共有7個定時器,包括一個可編程內部定時器,提供3個16位內部定時器和3個16位GP定時器,再加上一個軟件定時器。這些定時器支持外部事件的計時和計數。軟件定時器提供微秒級的硬件時間基準。

(5)提供32路可編程I/O,2個UART。共有19路12位A/D輸入,包括11路ADC串行輸入和8路并行ADC,轉換頻率為300kHz;6路D/A輸出,包括2個串行輸出DAC和4個輸出并行12位DAC,轉換頻率為200kHz。
(6)工作溫度為-40℃~80℃,尺寸為91.4mm×58.4mm×7.6mm。
飛行控制器硬件設計
該型無人機是為海軍野戰部隊提供通訊中繼用途的中型輪式無人機,其飛行控制器是一個單獨裝箱的小型航空機載電子設備,由DC/DC直流電源變換板、計算機主機板、模擬量通道板、開關量通道板和舵機控制板組成,全部模板通過母板上的總線方式連接,以減小尺寸,提高集成度。飛行控制器硬件結構如圖1所示,實物圖如圖2所示。
下面詳細介紹飛行控制器的數據采集、信息傳輸、控制量輸出等問題。
(1)串口擴展
由圖1可知,該飛行控制器需要與GPS、磁航向計和無線電高度表等進行通訊,共需5個串口。而586-Engine主板只提供2個串口,分別供地面檢測和測控電臺使用,因此需要進行串口擴展。串口擴展電路如圖3所示。

串口擴展電路中采用TL16C754四通道UART并-串轉換器件,將8位并行數據轉換成4路串行輸出,外加MAX202和MAX489電平轉換芯片,擴展了2個RS232串口和2個RS422串口,可滿足飛行控制器的硬件需求。
[page]
(2)D/A轉換
此型無人機采用模擬舵機,共需6路D/A通道產生PWM信號來驅動舵機。586-Engine主板總共提供8路D/A,其中4路12位并行D /A(DA7625)分別控制升降舵機、左右副翼舵機和方向舵機,2路12位串行D/A(LTC1446)控制前輪舵機和油門舵機。由于DA7625的輸出電壓范圍為0~2.5V,LTC1446輸出電壓范圍為0~4.096V,而舵機工作電壓為-10~10V,因此需要對信號進行放大和電平平移。D/A 電平平移電路如圖4所示。

由圖可知,D/A電平轉換原理是在運放輸入端采用加法電路,將輸入信號與基準電平比例相加,得到適合采樣的電壓范圍。
(3)A/D采集
586-Engine主板上自帶的19路12位的A/D接口完全滿足飛控系統通道數和轉換精度的要求,這些A/D接口分別采集氣壓高度表的數據,無人機機載電壓、發動機轉速和溫度、油門開度等。這些信號發往地面測控計算機,為操作人員對無人機工作狀態進行監控提供了基礎。
(4)I/O控制
586-Engine主板上提供了32個16位可編程數字I/O口,用于采集發動機啟動信號、傘艙打開信號等,并輸出開關量信號控制其它設備,控制無人機起飛與回收過程。
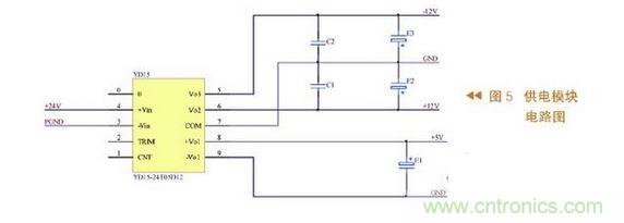
(5)電源模塊
飛行控制器的電源模塊電路給飛行控制器提供干凈穩定的供電電壓,用來保證飛行控制器正常工作。電源模塊電路的設計好壞直接影響飛行控制器運行的穩定性和可靠性。該型無人機由于對尺寸有一定的要求,同時考慮到可靠性與成本,因此在設計時選用了成熟的標準模塊電源,外接少量器件即可工作。飛行控制器供電模塊電路如圖5所示。

其中,采用24T05D12模塊電源作為供電電路的主芯片,提供的功率為30W,輸入電壓范圍為18V~36V,具有三路電源輸出:+5V和±12V,為機載傳感器和舵機進行供電。







