【導讀】正如我們將看到的那樣,這可能會造成問題。在模擬世界中,三角形可以表示運算放大器、比較器或儀表放大器。您可以使用其中之一實現另一個的功能,但系統性能將不是最佳的。本文將討論其區別以及需要注意的地方,以便我們設計的時候能繞開麻煩。我們將看到,在某些情況下,您根本不想嘗試使用錯誤類型的器件進行設計。
符號是有助于還是妨礙我們思考設計?
符號很重要,但如果一個符號可以表示多種東西呢?
正如我們將看到的那樣,這可能會造成問題。在模擬世界中,三角形可以表示運算放大器、比較器或儀表放大器。您可以使用其中之一實現另一個的功能,但系統性能將不是最佳的。本文將討論其區別以及需要注意的地方,以便我們設計的時候能繞開麻煩。我們將看到,在某些情況下,您根本不想嘗試使用錯誤類型的器件進行設計。
查看圖1,哪個三角形表示運算放大器?哪個三角形表示比較器?哪個三角形表示儀表放大器?答案:
它們都是!

圖1.運算放大器、儀表放大器和比較器。
那么,它們有何區別,我們為什么要關注?從表1可知,某些特性有很大差別,但它們對電路和系統意味著什么?
表1.運算放大器、比較器和儀表放大器的比較

我們來看看大家是如何陷入困境的……
反饋
運算放大器具有巨大的增益。學校老師教導我們,開始分析時,兩個輸入之差等于零。但在現實生活中,這是不可能的。如果開環增益為一百萬,那么要在輸出上獲得5 V,輸入上須有5 μV。為使電路可用,我們需要施加反饋,當輸出要變得過高時,控制信號會反饋到輸入,抵消原始激勵——例如負反饋。當用作比較器時,如果沒有反饋,輸出將直接沖到一個軌或另一個軌。如果是正反饋,輸出將在同一方向上被驅動到更遠。因此,運算放大器需要負反饋。實際上,當某些運算放大器用作無反饋的比較器時,電源電流可能比數據手冊上的最大值高5至10倍1
但是,對于比較器來說,正反饋才是我們需要的。在沒有反饋的情況下,如果比較器的一個輸入緩慢超過另一輸入的電平,輸出將開始緩慢變化。如果系統中存在噪聲,例如接地反彈,輸出可能會反轉,這在控制系統中當然是不希望發生的。但隨后它開始回頭,產生振蕩行為,有時稱之為震顫(參見 MT-0832中的圖5)。Reza Moghimi的文章"通過遲滯根除比較器的不穩定性"充分介紹了添加正反饋(也稱為遲滯)的好處3

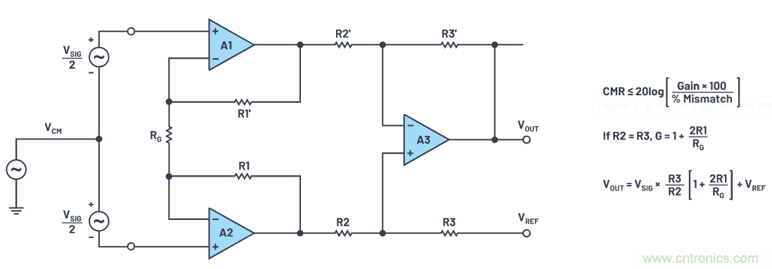
圖2.經典三運放儀表放大器
對于儀表放大器,反饋已在內部,添加反饋只會產生不精確的增益。圖2顯示了一種利用運算放大器構建儀表放大器的典型方法。
注意:每個運放都有反饋。我們從使用標準負反饋圖(見圖3)開始,儀表放大器為G,期望增益為10,這意味著反饋系數為0.1。接下來,選擇儀表放大器固定增益為100。使用式1,實際的閉環增益將為9.09,幾乎有10%的誤差。因此,將儀表放大器用作運算放大器并為其添加反饋是沒有意義的。

圖3.經典反饋原理圖

運算放大器需要負反饋;比較器需要正反饋;儀表放大器不需要任何反饋。
開環和閉環增益
對于運算放大器,參見式1,開環增益(AVOL)越高,閉環增益將越精確。大多數運算放大器的開環增益在100,000至1000萬之間,但某些較早的高速運算放大器可能低至3000。如前所述,開環增益越高,閉環增益誤差越小。
對于比較器,如果輸出的邏輯擺幅為3 V,并且您需要1 mV閾值,則最小增益須為3000。較高的增益將使不確定性窗口變小,但如果增益過高,微伏級的噪聲就會觸發比較器。
對于儀表放大器,開環增益的概念并不適用。
輸入電容
電路中常常會添加電容以限制帶寬。檢查圖4,乍看之下R1和C1似乎構成了一個低通濾波器。這行不通,可能導致振蕩。反相放大器的反饋系數為R2/R1,但在圖4中,反饋系數為R2/(R1 // Xc)。隨著頻率提高,反饋系數也會提高,因此噪聲增益以+20 dB/10倍頻程的速率上升,而運算放大器開環增益以–20 dB/10倍頻程的速率下降。它們在40 dB處交叉,根據控制系統理論,這肯定會產生振蕩。限制電路帶寬的正確方法是在R2兩端放置電容。

圖4.嘗試減少運算放大器帶寬
比較器通常沒有負反饋網絡,因此圖5中比較器前面的簡單R和C構成的低通濾波器效果很好。RHYS 應比R7大得多,兩者分割輸出擺幅以提供少量的正反饋(遲滯)。如果比較器有內置遲滯,例如 LTC6752 或 ADCMP391,則不使用R7和 RHYS。

圖5.具有LPF和遲滯的比較器
對于儀表放大器,輸入端放置電容是完全可以接受的,如圖6中的C4所示。ADI公司儀器儀表指南4第5章中的圖形顯示了每次使用儀表放大器時都要做的一件好事情。如果用適當的走線和焊盤對印刷電路板進行布局,以允許添加兩個電阻和三個電容,那么可以從0Ω電阻和無電容開始,測量系統性能。通過調整五個元件的值,可以單獨設置共模滾降和正常模式滾降(詳情參見指南)。

圖6.RFI濾波器前置于儀表放大器
輸出
運算放大器或儀表放大器的輸出會從接近一個軌擺動到另一個軌。根據輸出級是使用共射極還是共源極配置,輸出可能達到任一供電軌的25 mV至200 mV范圍內。這被視為軌到軌輸出。如果運算放大器由+15 V和–15 V供電,則不便于與數字電路接口。一種糟糕的解決方案是在輸出端放置二極管箝位,以保護數字輸入免受損壞。但取而代之的是,運算放大器因電流過高而損壞。運算放大器與數字邏輯接口有更復雜的方法,但何必那么麻煩?只需使用比較器即可。
比較器可以有CMOS圖騰柱輸出,或者有NPN或NMOS開集或開漏輸出。雖然開集或開漏輸出需要一個上拉電阻,導致上升和下降時間不等,但它有如下優點:比較器采用一個電壓(如5 V)供電,并在其他電壓(如3.3 V)下與邏輯接口。
重要規格
運算放大器需要一個高于最高信號頻率的增益帶寬,以使閉環誤差保持較低水平。查看式1,我們知道增益帶寬應為最高信號頻率的10至100倍。如前所述,從式1中可以看出,AVOL 是頻率的函數,會影響閉環精度。相位裕量也很重要,它會隨容性負載而變化,因此規格表應清楚說明測試條件。為了確保直流精度,失調電壓應較低。對于經過調整的雙極性運算放大器,25 μV至100 μV比較好;對于FET輸入運算放大器,200 μV至500 μV比較好。自穩零/斬波/零漂移運算放大器幾乎總是低于20 μV(最大值),這是就整個溫度范圍而言的。請查閱一些典型運算放大器的數據手冊,如 OP27、 AD8610 或ADA4522。

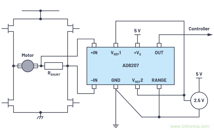
圖7.具有高共模擺幅的雙向電流檢測
傳輸延遲是比較器的關鍵規格。運算放大器在過驅時會變慢,比較器與之不同,當過驅時會變快。規格表有時會提供少量過驅(例如5 mV)下的傳輸延遲,以及50 mV甚至100 mV的較大過驅下的不同傳輸延遲。
儀表放大器最重要的指標是共模抑制比(CMRR),因為應用需要提取一個位于大共模電壓之上的非常小的差模信號。像許多規格一樣,此規格隨頻率而變化,有時還會列出直流CMRR或非常低頻率下的CMRR。通常會提供CMRR與頻率的關系圖。例如,當檢測H橋電機驅動器中的電流時,此圖將非常重要,如圖7所示。
這可能是儀表放大器最困難的應用,因為共模電壓從一個軌附近變到接近另一個軌,并且電流迅速反向。增益帶寬和壓擺率都很重要。
編程
這里的編程并不意味著編寫代碼,它是指配置器件以滿足系統要求(盡管某些儀表放大器確實有通過SPI端口和寄存器進行傳統軟件編程的功能)。
運算放大器需配置為負反饋。這可以是純阻性元件,但通常將電阻與電容并聯使用以限制帶寬。這樣有助于提高信噪比,因為噪聲會在整個范圍內積分,哪怕我們僅使用其中一部分。也可以只使用電容,獲得一個積分器或微分器。
比較器應始終有一點正反饋,以確保一旦輸入迫使輸出移動,輸出就會強化移動(參見圖4和圖5)。圖片和計算參見MT-083。一些比較器具有內部遲滯,但如果需要,通常可以增加更多遲滯。一些具有內部遲滯的比較器有一個引腳用來添加一個電阻,以改變其遲滯量。
運算放大器可以用作比較器,但這并不理想,有一些事項要注意。您必須是一個很好的模擬設計人員才能很好地做到這一點。MT-083介紹了一些注意事項,討論其利弊的相關文章有很多。如果您不懼危險,可以查閱參考資料。
比較器幾乎總是用電阻進行編程。您可以添加一個高阻值電阻來提供一點正反饋,也可以使用一個電容來提供交流反饋以避免增加直流遲滯。一些比較器具有內置遲滯,但這同樣可以通過增加少量正反饋來提高。
最后注意事項
嘗試將運算放大器用作比較器時,會有微妙的事情發生。有不少低噪聲雙極性運算放大器的輸入之間具有反并聯二極管。大多數比較器的輸入共模范圍占總范圍的80%或更多。但是,某些低噪聲雙極性運算放大器的輸入之間有一個或兩個串聯二極管。這是為了防止輸入級與發射極基極結之一形成齊納效應,導致噪聲性能隨時間推移而降低。
在一個3.3 V系統中,如果將5 V運算放大器用作比較器,電源良好指示器的閾值電平為3 V,那么會出現一個輸入為3 V而另一個輸入為0 V的問題,因為這些二極管限制了運算放大器輸入端允許的最大差分電壓。
總結
對于許多應用,運算放大器的選擇取決于用戶是注重直流精度、交流精度、輸入失調電壓、增益帶寬還是電源電壓。到2020年,有超過700款器件可供選擇。比較器的關鍵參數通常是傳輸延遲和電源電壓。選擇起來比較容易,共有122款器件可供選擇。儀表放大器的主要標準是CMRR與頻率的關系,但在DC附近,失調電壓和增益精度也很重要。由于儀表放大器是專用的器件,因此"只有"63款可供選擇。
只有選擇正確的器件,才能實現未來若干年內無故障且可以大批量生產的產品和設計。
參考電路
1 Harry Holt. “運算放大器的“最大電源電流”規格。”ADI公司,2011年11月。
2 MT-083教程:“比較器。” ADI公司,2009年。
3 Reza Moghimi. “通過遲滯根除比較器的不穩定性。” 《模擬對話》,第34卷第7期,2000年11月。
4 《儀表放大器應用工程師指南》,第3版 。ADI公司,2006年。
免責聲明:本文為轉載文章,轉載此文目的在于傳遞更多信息,版權歸原作者所有。本文所用視頻、圖片、文字如涉及作品版權問題,請聯系小編進行處理。
推薦閱讀:



