【導讀】在經過電纜的數字數據傳輸中經常使用交替傳號反轉(AMI)編碼,因為這種編碼沒有直流分量。除此之外,AMI信號的帶寬也要比等效的歸零(RZ)碼低。正常情況下,為了產生諸如AMI這樣的雙極波形,需要使用正負兩個電源。
在經過電纜的數字數據傳輸中經常使用交替傳號反轉(AMI)編碼,因為這種編碼沒有直流分量。除此之外,AMI信號的帶寬也要比等效的歸零(RZ)碼低。正常情況下,為了產生諸如AMI這樣的雙極波形,需要使用正負兩個電源。另外,雙極波形產生電路可能要用到模擬元件。然而,本設計實例取消了所有這些要求,只使用一些門、一個觸發器和單個5V電源就能從NRZ輸入產生AMI波形。
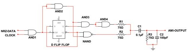
參考圖1,NRZ信號(圖2a)與時鐘一起使用AND1門選通并產生RZ波形(圖2b)。這個RZ信號隨后連接到作為分頻器的D觸發器時鐘端。接著RZ信號與觸發器的Q和/Q輸出一起進行選通,將AND2和NAND門輸出端的兩條線上的交變脈沖分開來。在第2條線上使用NAND門以獲得反相的波形(圖2c)。

圖1:NRZ到AMI轉換器使用單電源產生雙極脈沖。
由于NAND的延時要大于AND門,因此在AND3輸出端使用AND4進行補償(可以根據所用的邏輯系列器件改變)。AND4和NAND門的輸出驅動75Ω電阻,進而在門輸出端有效地增加電壓。如果兩個輸出都是高電平,電阻連接處的電壓就是高電平。如果其中一個輸出端是低,另一個是高,電阻連接處的電壓就是半高電平。當兩個輸出端都是低電平時,連接處的電壓接近于0V。這樣,在R1和R2連接點的波形就具有了圍繞直流電平的正負脈沖。這個信號通過隔直電容C1后,就能在輸出端得到直流電平為零的真正雙極波形(圖2d)。

圖2:波形:(a)NRZ輸入;(b)AND4輸出;(c)NAND輸出;(d)AMI輸出
圖2顯示了仿真電路的波形。仿真器可以捕捉到在門輸出端出現的很小尖峰,不過這些尖峰不會在實際使用中產生問題。所產生的NRZ信號速率是2.048Mb/s。由于使用的是TTL器件和5V電源,因此峰峰信號電平小于±2.5V。如果需要更高幅度,可以使用具有更高邏輯擺幅的CMOS器件。
免責聲明:本文為轉載文章,轉載此文目的在于傳遞更多信息,版權歸原作者所有。本文所用視頻、圖片、文字如涉及作品版權問題,請聯系小編進行處理。
推薦閱讀:



