【導讀】如果您還沒有駕駛電動汽車 (EV)——混合動力電動汽車 (HEV)、插電式混合動力汽車(PHEV) 或全電動汽車——那么很有可能,您可能很快就會駕駛。里程焦慮已成為過去。您現在可以幫助保護環境,而不必擔心被困在其中。世界各國政府提供慷慨的財政激勵措施來抵消電動汽車的溢價,希望引導您遠離購買內燃機(ICE)汽車。一些政府已經采取措施,要求汽車制造商制造和銷售電動汽車,希望市場最終將由它們主導,而另一些政府則在沙子上劃了一條更明確的界限;例如,德國已經在推動到2030年禁止內燃機汽車。
電動汽車搬運工
如果您還沒有駕駛電動汽車 (EV)——混合動力電動汽車 (HEV)、插電式混合動力汽車(PHEV) 或全電動汽車——那么很有可能,您可能很快就會駕駛。里程焦慮已成為過去。您現在可以幫助保護環境,而不必擔心被困在其中。世界各國政府提供慷慨的財政激勵措施來抵消電動汽車的溢價,希望引導您遠離購買內燃機(ICE)汽車。一些政府已經采取措施,要求汽車制造商制造和銷售電動汽車,希望市場最終將由它們主導,而另一些政府則在沙子上劃了一條更明確的界限;例如,德國已經在推動到2030年禁止內燃機汽車。
在汽車歷史的大部分時間里,創新都集中在提高內燃機的燃油燃燒效率,清理排放,同時提供舒適的用戶體驗。然而,內燃機汽車最近的絕大多數創新都是電子技術進步的直接結果——底盤系統、動力總成、自主和高級駕駛輔助系統(ADAS)、信息娛樂和安全系統的改進。電動汽車具有許多與內燃機汽車相同的電子系統,當然還有傳動系統本身。根據美光科技的數據,電動汽車價值的電子部分高達75%,隨著半導體技術的進步不斷降低各種電子模塊和子系統的成本,這一部分也在增加。即使是非傳統的汽車廠商,如英特爾,也在尋找其中的一部分。
毫不奇怪,在電動汽車的所有電子子系統中,制造商和消費者都關注電動汽車的核心,即電池系統。電池系統包括可充電電池本身(鋰離子)是當前標準,以及電池管理系統(BMS),該系統通過監控電池最大限度地提高電池使用率和安全性。
裸金屬服務器監控
BMS的主要功能是監控電池的狀態,或者在電動汽車的情況下,監控非常大的電池組或電池組的狀態。BMS 通常監控單個電池和電池組電壓、電流、溫度、充電狀態 (SOC)、健康狀態(SOH) 和其他相關功能,例如冷卻液流量。除了BMS提供的明顯的安全性和性能優勢外,準確監控這些參數通常可以轉化為更好的駕駛體驗,駕駛員可以充分了解實時電池狀況。
為了有效,BMS測量電路必須精確快速,具有高共模電壓抑制,功耗低,并與其他設備安全通信。EV BMS 的其他職責包括將能量回收回電池組(即再生制動)、平衡電池、保護電池組免受危險水平的電壓、電流和溫度的影響,以及與其他子系統(例如充電器、負載、熱管理和緊急關機)通信。
汽車制造商使用多種 BMS 監控拓撲來滿足他們對準確性、可靠性、易于制造、成本和功率要求的需求。例如,圖1所示的分布式拓撲強調本地智能的高精度,串聯電池組的高可制造性,以及通過低功耗SPI和isoSPI接口實現IC間通信的低功耗和高可靠性。
圖1中的拓撲包括一個EV電池組監視器(在本例中為ADI公司的LTC2949),用于低側電流檢測配置,其中isoSPI通信線路與底部電池監視器(LTC6811-1)并聯。為了增強可靠性,可以通過將第二個isoSPI收發器連接到電池組頂部并創建可在兩個方向上通信的環形拓撲來實現雙通信方案。與 SPI 主控制器的隔離通信通過一個LTC6820isoSPI 至 SPI 信號轉換器實現。ADI公司的可堆疊LTC681x系列多節電池監視器可用于測量多達6、12、15或18節串聯電池的單個電壓,而單個LTC2949則用于測量總電池組參數。LTC681x 和 LTC2949 共同構成了一個全面的 EV BMS 監控解決方案 — 對于某些人來說,該電路可能更廣為人知的是 BMS 的模擬前端 (AFE)。
圖1.采用電池監控器 (LTC6811-1) 和電動汽車電池組(LTC2949) 的分布式 EV BMS 監控拓撲。
EV電池組監視器是專為EV設計的高精度電流、電壓、溫度、電荷、功率和電能表。通過測量這些關鍵參數,系統設計人員具備了計算整個電池組的實時SOC和SOH以及其他品質因數的基本要素。圖 2 示出了用于高端電流檢測配置的 LTC2949 的框圖。其中,LTC2949采用可調浮動拓撲,使其能夠監控非常高電壓的電池組,不受其自身14.5 V額定電壓的限制。LTC2949 的電源通過一個具有 V 的LT8301隔離式反激式轉換器提供抄送連接到電池正極。
電動汽車電池組監控器的核心是軌到軌、低偏移、Σ-Δ型 ADC,可確保精確的電壓測量。在 LTC2949 中可用的 5 個 ADC 中,有兩個 20 位 ADC 可用于測量兩個檢測電阻器兩端的電壓 (如圖 2 所示),并以 0.3% 的準確度推斷流經兩個獨立電源軌的電流;失調小于1 μV時,可提供高動態范圍。同樣,以高達18位和0.4%的精度測量電池組總電壓。兩個專用功率ADC檢測分流器和電池組電壓輸入,產生0.9%的精確功率讀數。最后的 15 位 ADC 可用于測量多達 12 個輔助電壓,便于與外部溫度傳感器或電阻分壓器配合使用。使用內置多路復用器,該監視器可以在 12 個緩沖輸入中的任何一對之間執行差分軌到軌電壓測量,精度為 0.4%。
為了簡化設置,監視器的五個ADC形成三個數據采集通道。每個通道可以配置為兩種速度之一,具體取決于應用,如表 1 所示。例如,兩個通道可用于監控單個分流電阻器:一個通道用于慢速(100 ms)高精度電流、功率、電荷和能量測量;另一個用于快速(782 μs)電流快照,與電池組電壓測量同步,用于阻抗跟蹤或預充電測量。或者,通過兩個獨立通道監控的兩個不同尺寸的分流電阻(如圖2所示),允許用戶平衡每個分流器的精度和功率損耗。同時,第三個輔助通道可以對可選緩沖輸入進行快速測量,也可以對兩個可配置輸入(堆棧電壓、芯片溫度、電源電壓和基準電壓)進行自動循環(RR)測量。
表 1.LTC2949 的三個數據采集通道的配置選項
由于 SOH 是電池(或電池組)生命周期中的一個點,也是衡量其相對于新電池的狀況的指標,因此使用精確的 EV BMS 監視器不僅要最大限度地提高行駛里程,還要最大限度地減少意外的電池故障,這一點很重要。說到電池壽命,LTC2949在導通時僅消耗16 mA,在睡眠時僅消耗8 μA。當監視器的三個數據采集通道中的任何一個配置為快速模式(782 μs轉換時間和15位分辨率)時,監視器可以將其電池組電壓和電流測量值與任何LTC681x多節電池監視器的電池電壓測量值同步,以推斷單個電池阻抗、年齡和SOH。有了這些信息,就可以評估堆棧電池壽命,因為最弱的電池最終決定了整個堆棧的SOH。
數字優勢
電動汽車監控器的數字功能包括過采樣乘法器和累加器,可生成 18 位功率值以及 48 位能量和電荷值,從而報告最小值和最大值,以及基于用戶定義限值的警報。這使BMS控制器和總線免于連續輪詢監視器以獲取電壓和電流數據的任務,以及根據結果執行計算的額外任務。通過以過采樣ADC時鐘速率(預抽取濾波器)采集功率樣本,而不是乘以平均值,該監視器可在電流和電壓變化遠超其轉換速率的情況下準確測量功率,信號高達50 kHz。
圖2.采用高端電流檢測配置的 LTC2949 浮動 EV 電池監視器的典型連接。監視器的電源通過帶 V 的 LT8301 反激式提供抄送連接到電池正極。
由于監視器跟蹤電流、電壓、功率和溫度數據的最小值和最大值,因此總線和主機可以將時鐘周期用于其他任務,而不是連續輪詢監視器。除了檢測和存儲最小值和最大值外,監視器還可以在超過任何用戶定義的閾值時發出警報,再次將主控制器和總線從輪詢任務中釋放出來。監視器還可以在提供指定量的能量或電荷后,或者在經過預設的時間量后生成溢出警報。
為確保監控精度,該監視器提供可編程增益校正因子以補償測量組件的容差:兩個用于分流電阻器、一個電池分壓器和四個多路復用輸入。這些校正因子可以存儲在外部EEPROM中,以便采用模塊化方法對電池組進行工廠校準。該監視器還可以通過求解具有可編程系數的斯坦哈特-哈特方程,對多達兩個外部NTC熱敏電阻的溫度讀數進行線性化;然后,這些讀數可用于自動對分流電阻讀數進行溫度補償。通過持續補償容差和溫度影響,不僅可以提高監控精度,還可以使用成本更低的外部元件。
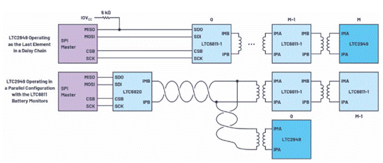
標準SPI接口可用于直接MCU連接,isoSPI接口提供標準芯片級SPI的物理層適配,釋放出經濟高效的分布式封裝架構的全部潛力。isoSPI 專為高電壓和高噪聲系統而設計,僅使用一根雙絞線電纜和一個簡單的脈沖變壓器,即可在長達 100 米的電纜上提供高達 1 Mbps 的安全、可靠的信息傳輸。isoSPI也比其他板載隔離解決方案便宜。圖3顯示了如何利用isoSPI作為菊花鏈或可尋址并行配置中的最后一個元件的架構。
圖3.采用 isoSPI 配置的架構。
結論
電動汽車已成為主流,導致大批量采用的拐點。為了保持競爭力,系統設計人員需要密切關注電池和BMS技術,這些技術對最終用戶體驗有著深遠的影響。電動汽車電池組監控器簡化了多種電池堆監控拓撲和配置的處理。幾乎在任何電壓和任何電流水平下,監視器都能實現高性能、安全、靈活和可靠的電池管理系統。通過準確讀取電流、電壓、功率、能量、電荷、溫度和時間,可立即準確評估電池 SOH 和 SOC。關鍵最小值、最大值和警報可以通過 isoSPI 接口進行測量、計算和報告。這減少了對主機資源、總線設計和測試以及軟件設計的需求。一些數字功能包括乘法器、累加器、最小/最大寄存器、可配置警報和外部元件容差/溫度補償。LTC2949 等監視器專為獨立工作或與任何多節電池監視器配合使用而設計,可滿足對下一代 EV BMS 的關鍵需求,同時滿足嚴格的 AEC-Q100 準則和 ISO 26262 安全標準。
免責聲明:本文為轉載文章,轉載此文目的在于傳遞更多信息,版權歸原作者所有。本文所用視頻、圖片、文字如涉及作品版權問題,請聯系小編進行處理。
推薦閱讀:


