【導讀】T服務的爆炸式增長正在推動著數據中心、網絡和電信設備的重大發展。而創新需求也對處理這些日益增多的數據的服務器、存儲和網絡交換機產生了一定的影響。在此推動下,基礎設施設備的處理能力和帶寬都達到了極限。對于電源設計人員來說,他們面對的主要挑戰是如何使用最少的電力高效地為數據中心設備供電,并提高它們的散熱性能。而針對先進的 CPU/ASIC 和 FPGA 時,設計人員還必須平衡好功耗與散熱性能。
多相解決方案改善了數據中心的效率和尺寸
隨著終端系統功能的增多,處理功率也相應提高,以滿足新的數據中心設計要求。這種高處理能力需求主要集中在數據中心應用中,數字中心采用高端 CPU/ASIC 和處理器來運行服務器、存儲和網絡設備。服務器和網絡設備則通過電信設備分布至網絡,然后通過 CPU/ASIC 和 FPGA 的銷售點設備、臺式電腦和嵌入式計算系統進行工作。
在上述示例中,CPU/ASIC 和處理器具有相似的數字處理需求,以及相似的功率分布。雖然如今處理器的尺寸不斷縮小,但它們采用了更多的晶體管,因此需要更高的輸出電流,范圍一般在 100A 至 500A 之間,甚至更高,具體由其復雜程度決定。 該行業通過在數字負載中集成低功率狀態來調整這種情況。此舉使得設備能在空閑時以更低電流運行,在需要時再按全功率運行。這有利于控制整個系統的功率預算,但會給全功率端的電源設計人員帶來另一項挑戰。首先,數據中心電源必須對需要在不到 1 微秒的時間內實現超過 100A 的大階躍載荷做出響應,同時還需保持很窄的輸出調整率。其次,必須小心可靠地管理散熱性能,才能繼續保持全功率范圍。
多相電壓調節器模塊(VRM)可以解決這些挑戰。VRM 提供電源轉換,一般是從 12V 輸入轉換至 1V(或更低)輸出。 要提供如此大的負載電流,更簡單的方法是設計一個多相解決方案,將負載分配給多個更小的功率級(所謂的相),而不是嘗試使用單相來提供。在設計電磁和功率級,以及要從功耗的角度解決散熱問題時,想要通過單相提供太多電流是一項巨大的挑戰。相比通過單相提供大電流,多相解決方案則具有高效率、小尺寸和低成本等特點。這與多核 CPU 類似,該 CPU 會拆分末端負載的工作負載。
對電源數據中心的數字控制
幾十年來,人們一直將模擬控制作為值得信賴的方法和電源系統解決方案。但是,在涉及大電流和高功率應用時,模擬控制存在一定的缺陷。對于高端電源解決方案,電源系統需要更加智能化并能集成到整個解決方案中,且電源解決方案和主 CPU/ASIC 之間的通信應該是一項硬性設計要求。
因此,數字控制解決方案非常適合數據中心應用。 為幫助理解,我們以 MPS 的 MP2888A 為例,這是一款數字多相控制器,可以替代傳統的模擬控制器。MP2888A 是一款具有 PMBus 和 PWM-VID 接口的 10 相數字多相控制器 (參見表 1).

表 1: MPS 數字控制器對比傳統模擬控制器
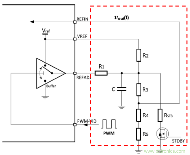
由于采用數字控制技術,僅需在封裝中配置一個單獨的引腳,MP2888A便可支持PWM-VID。 如果是采用模擬控制器,想要實現相同的功能,一般需要使用 4個 引腳并需要額外添加7 個以上高精度外部元器件 (參見圖 1). 雖然高精度元器件提升了設備功能,但它們也增加了整體方案成本。

a) 支持PWM-VID 和 REFIN 的模擬控制器方案電路

b) 支持PWM-VID 和 REFIN 的,集成可編程寄存器MP2888A方案電路
圖1:支持PWM-VID(模擬控制器對比數字控制器)
傳統的模擬控制器需要采用 RC 電路來構建反饋補償環路。要優化補償回路,需要進行多次迭代來計算外部部件的正確值從而滿足多種工作條件。在測試和重新測試系統之前,工程師還必須更改這些部件。數字控制解決方案避免了潛在的重復勞動,使系統微調變得更加容易。
因為具有自動環路補償功能,數字控制解決方案無需使用任何外部元器件,且可以通過使用 PMBus 調整寄存器設置來輕松完成微調。還可以使用一個寄存器來正確設置公差范圍,由此輕松完成負載-線性校準——在超頻期間,此功能非常有用,可以幫助穩定 CPU/ASIC。與數字控制器相比,模擬控制器需要使用14 個以上外部部件來進行環路補償和負載-線性校準(參見圖 2)。 模擬控制器。 (參見圖2).

圖 2: 負載-線性和環路補償(模擬控制器對比數字控制器)
數字控制器可以簡化系統設計。 對于工程師而言,可以幫助簡化 PCB 布局設計。 圖 3 為模擬控制器和數字控制器對比圖。 數字控制器可以節省 36% 的占板面積,需要的傳統部件數量不到原來的一半。

圖 3: PCB 布局的復雜程度(模擬控制器對比數字控制器)
典型的模擬控制器使用一個 PWM 信號來驅動單個功率級。對于數據中心等高功率應用,其處理器要求至少 500A 或更高的負載電流,一般采用的方法是:
1. 選擇相位數量最多的控制器(例如 20 個相位)
2. 使用倍相器,通過生成兩個交錯并聯的信號(由原始信號構成)來使相位數量翻倍
但是,目前市面上尚沒有 20 相模擬或數字控制器,而且倍相器會增加部件數量和成本,同時增高系統設計的復雜性。
與此相反,數字控制器(例如 MP2888A)可以通過一個通用 PWM 信號來驅動兩個功率級 (參見圖4).此類數字控制器無需采用倍相器,還可確保兩個功率級之間的均流。因此,一個 10 相數字多相控制器堪比 20 相系統設計。

圖 4: MP2888A 采用一個常用 PWM 信號來驅動兩個Intelli-PhaseTM設備
結論
多相解決方案已逐步發展為數字控制方案,它能夠更有效地解決大電流/功率應用挑戰,例如數據中心此類應用。通過采用數字控制解決方案,可以大幅降低部件選擇、環路/性能優化和布局等帶來的負擔。這些控制解決方案縮短了整體設計和解決系統故障所需的時間,最終加快了上市速度。
免責聲明:本文為轉載文章,轉載此文目的在于傳遞更多信息,版權歸原作者所有。本文所用視頻、圖片、文字如涉及作品版權問題,請聯系小編進行處理。
推薦閱讀:
開關模式電源電流檢測——第二部分:何處放置檢測電阻





