【導讀】為了優化電動汽車(EV)的功率,車載充電器(OBC)必須高效,重量輕且尺寸小。OBC需要支持適當的并網(G2V)電壓和電流電池充電算法;因此,它用作電網和EV之間的功率調節接口(圖1)。此外,它必須能夠從車輛到電網(V2G)供電,以便電動汽車可以為電網進行反向充電。
為了優化電動汽車(EV)的功率,車載充電器(OBC)必須高效,重量輕且尺寸小。OBC需要支持適當的并網(G2V)電壓和電流電池充電算法;因此,它用作電網和EV之間的功率調節接口(圖1)。此外,它必須能夠從車輛到電網(V2G)供電,以便電動汽車可以為電網進行反向充電。

圖1 OBC需要支持適當的電網到車輛(G2V)電壓,并可實現車輛到電網(V2G)提供電源。
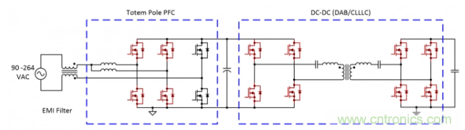
要使EV內部的電網與高壓電池之間的接口便利化,需要電磁干擾(EMI)濾波器,功率因數校正(PFC)和隔離的DC / DC功率級。圖2說明了這種體系結構。

圖2此簡化原理圖顯示了OBC如何用作電網和電池之間的接口。
討論的范圍僅限于DC / DC階段。在撰寫本文時,DC / DC級的兩個流行選擇是電容器-電感器-電感器-電感器-電容器(CLLLC)和雙有源電橋(DAB)拓撲(圖3和圖4)。兩種選擇都可以實現較小的解決方案尺寸,并提供必要的G2V和V2G電源需求。

圖3該原理圖顯示了CLLLC的基本拓撲。

圖4該原理圖顯示了DAB拓撲。
最大化OBC性能并最小化其尺寸
要了解這兩個拓撲選項如何影響OBC的大小和性能,讓我們進一步將范圍限制在電池充電階段(即G2V),考慮如何通過提供開關的最大電池功率來最大程度地減少充電時間可以忍受。例如,請考慮以下操作條件下的開關:
PDISS = 20W
ϑJA = 3°C / W
TA = 65°攝氏度
根據等式1,開關的TJ = 125°C:
TJ = PDISS⋅ϑJA + TA(1)
此設計中的開關不能承受超過125°C的溫度。因此,這種情況代表了OBC在不影響開關的情況下可以提供給電池的最高功率水平。目的是最大程度地減少開關中的功耗并盡快給電池充電。
驅動開關功率損耗的主要因素有兩個:均方根(RMS)電流和開關保持零電壓開關(ZVS)的能力。
德州儀器(TI)的GaN開關具有低電容,快速導通和關斷的特性,因此該轉換器能夠以比硅更高的開關頻率工作。更高頻率的操作直接影響電抗組件的尺寸,并導致變壓器,電感器和電容器更小。首先,為DAB和CLLLC建立基線設計,然后探索電路增強功能,以擴展轉換器的ZVS范圍。
基準DAB和CLLLC性能比較

表1概述了OBC的基本要求。
為DAB和CLLLC創建詳細的設計有助于確定最可行的設計。這樣做的過程超出了本討論的范圍。但是,電路仿真最適合于充分估算開關中的損耗并驗證是否符合整體功能。將模擬器配置為在不同的功率水平以及輸入和輸出電壓下以批處理模式運行,并測試了不同的DAB和CLLLC電感器,電容器以及匝數比值。在每次模擬運行中,收集有關VIN,VOUT,開關功率,RMS電流和開關ZVS條件等參數的數據。表2總結了兩種優化的拓撲設計。

DAB和CLLLC設計元素表
圖5說明了顯著的仿真結果。雖然每個拓撲中有八個開關,但這些圖僅繪制了功率損耗最高的開關。對于每個開關,都有三個圖。首先是總損耗。第二個是通過該開關的RMS電流。最右邊的第三張圖顯示了給定的GaN開關導通時最壞情況的漏極-源極電壓。該電壓越高,該開關的損耗就越大。因此,開關的RMS電流及其保持ZVS的能力代表了設備功耗的最大部分。

圖5 仿真結果顯示RMS和ZVS基準CLLLC和DAB的條件。
有了這些事實并仔細檢查了數據,很明顯CLLLC能夠在更廣泛的操作范圍內維持ZVS。因此,增強型ZVS可以降低CLLLC開關的功耗。話雖如此,DAB在6.6 kW的工作功率下具有出色的性能,這歸功于良好的ZVS和在大多數范圍內減小的RMS電流。這些觀察結果表明,正在尋找一種在不對RMS電流產生不利影響的情況下改善ZVS的方法。
用換向電感器改善ZVS
圖6和圖7顯示了與圖3和圖4相同的CLLLC和DAB電路,并在拓撲中添加了額外的電感器(以黃色突出顯示),以提供在較寬的工作范圍內維持ZVS所需的額外電流。現在,考慮一種情況,這些額外的電感器一直都在工作。

圖6 示意圖顯示了帶有換向電感的CLLLC。

圖7 示意圖顯示了帶有換向電感的DAB。

表3列出了新電感的值,并為方便起見重復了其他參數。
表3具有換向電感器(LC)值的DAB和CLLLC設計
圖8顯示了重復圖5中的仿真后的結果。

圖8 每個電路的RMS和ZVS結果顯示了LC的影響。
在這種情況下,請注意,DAB能夠在整個工作條件范圍內實現完整的ZVS。 GaN開關的VDS在接通時始終為0V的事實清楚地說明了這一點。 CLLLC雖然未實現完整的ZVS,但能夠實現顯著改進的ZVS。但是,還請注意,ZVS的改進以兩種拓撲結構的RMS電流為代價。僅從功率損耗來看,似乎DAB轉換器在大多數范圍內都具有優勢。
請先將圖8與圖5進行比較,您會注意到,在某些條件下,換向電感器實際上會使損耗更糟。這就引出了一個問題——是否有可能創建一種混合方法,使您能夠同時實現圖5和圖8所示的最低損失?
最大程度地減少損失
換向電感器保持ZVS的更大范圍的工作條件。當轉換器無法維持ZVS時,這將帶來巨大的好處。換向電感器的問題在于,只有在否則會丟失ZVS的情況下,它才能改善損耗。如果轉換器已經在ZVS中,則換向電感器會增加電流,這會導致開關中的更多損耗。
這種思考過程導致了對混合方法的探索,在這種方法中,換向電感器在較重的負載下保持關閉狀態,而在較輕的負載下接通。圖9顯示了使用這種方法重復進行仿真之后的結果,這使設計能夠利用每種拓撲在重載下的較低RMS電流和自然ZVS能力。
我小心地僅增加了足夠的換向電感和工作時間,以適合開關的熱范圍,以防止不必要的RMS電流流到開關或不必要的解決方案尺寸。請注意,DAB轉換器在工作范圍內無法實現完整的ZVS。 ZVS條件已大大改善,但只需要保持在前面討論的20 W開關目標之內即可。

圖9 使用混合方法的RMS和ZVS結果。
為了更好地可視化,圖10總結了每種情況下的功率損耗。您可以看到,DAB轉換器在開關的功率損耗方面具有明顯的優勢。

圖10每種情況下的功率損耗摘要有助于直觀地權衡取舍。
為了更好地說明這兩個轉換器之間的性能,圖11重新格式化并繪制了圖10所示的數據。該圖顯示了每個轉換器可以提供的最大功率,假設開關不能安全地耗散超過20 W的功率。請記住,20 W是開關可以承受的最大損耗,并且仍將結溫保持在125°C以下。

圖11該圖顯示了每個轉換器可以提供的最大功率。
CLLLC或DAB更好嗎?
如圖11中的藍線高于紅色的事實所證明,與CLLLC相比,DAB轉換器可在整個范圍內提供更多的功率。這使人們很容易假設DAB是明顯的贏家。但是,請記住最小的尺寸和重量這是OBC的核心要求。 DAB轉換器需要兩個額外的電感器,而CLLLC僅需要一個。 我認為,這使CLLLC獲勝。
像工程學中的大多數事物一樣,最好的選擇幾乎總是要權衡需求。 巨大的優勢是免費提供的,這種情況很少見,在這種情況下也是如此。 對我而言,CLLLC似乎好于DAB,因為它似乎具有明顯的尺寸優勢。
(來源:TI,作者:Brent McDonald是TI系統和應用經理)
免責聲明:本文為轉載文章,轉載此文目的在于傳遞更多信息,版權歸原作者所有。本文所用視頻、圖片、文字如涉及作品版權問題,請電話或者郵箱聯系小編進行侵刪。





