【導讀】LTC4124 是一款高性能100 mA無線鋰離子充電器接收器,它只需很少的外部組件即可構成一個完整的小型解決方案,適合于空間受限的應用。LTC4124與LTC4125(一款具有優化功率搜索和異物檢測功能的無線功率發送器)配對使用,可創建一個安全高效的無線充電環境。
高度集成的無線充電器接收器
對于小尺寸便攜式和可穿戴設備而言,無線充電正變得越來越流行。這不足為奇。設備沒有裸露的連接器和端口將更加可靠,最終用戶體驗也更輕松簡便。為了克服這些設備(如助聽器)帶來的空間限制問題,LTC4124集成了無線功率管理器,它將來自無線諧振電路的交流電壓轉換為穩定的直流電壓。然后,該直流電壓會饋入功能齊全的線性電池充電器中,以提供良好的電池充電功能。有著如此高的集成度,僅需添加一個接收器諧振電路和電池本身,即可實現非常小巧且功能齊全的無線充電裝置。
高效的無線功率管理器
如圖2所示,如果LTC4124接收的能量超出為電池充電所需的能量,IC中的無線功率管理器通過將接收器諧振電路分流接地,可以使IC的輸入電壓VCC保持低電平。這樣,線性充電器將非常高效,因為其輸入始終正好保持在電池電壓VBATT之上。接合分流電路時,接收器諧振頻率將與發射器頻率失調,諧振電路也因此會接收較小的能量。

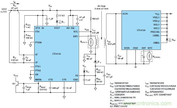
圖1.完整的6 mm無線電池充電器解決方案。

圖2.交流輸入整流和直流軌電壓調節。
使用LTC4125發送器構成完整的無線充電設計
圖3所示的LTC4125是一款高性能AutoResonant™無線發送器,它具有針對無線充電應用的完整保護功能。LTC4125中的優化功率搜索功能可根據接收器負載需求來調節發射功率。LTC4125還包括多種異物檢測方法,以防止其他物體從發射器接收無用功率。
與LTC4124配對使用時,可將LTC4125全橋諧振驅動器轉換為半橋驅動器,以利用更精細的搜索步長,從而使低功率接收器接收恰好足夠的功率來為電池充電。當電池接近充滿電的狀態時,LTC4124進入恒定電壓模式,使調節充電電流降低。LTC4125將自動降低其功率傳輸水平,以匹配接收器的更低功率需求。這有助于減少整個充電周期的功耗,使LTC4124充電器和電池保持較低溫度。
圖4顯示了滿功率和限流恒壓模式下接收器電路的溫度。在室溫下,兩種模式的溫度均低于40°C。

圖3.LTC4124 100 mA充電器接收器與運行優化功率搜索的LTC4125 AutoResonant發送器配對使用。

圖4.熱性能比較:(a) 4.1 V輸出時100 mA充電電流,(b) 4.2 V輸出時10 mA充電電流。
從發送器上移開充電器接收器時,LTC4125找不到有源負載,其功率將降至待機模式(如圖5所示)。圖6顯示了在發送器上放置金屬異物時的情況:LTC4125檢測到高諧振頻率并進入待機模式。

圖5.LTC4125未檢測到接收器時的運行情況。

圖6.LTC4125檢測到異物。
結論
LTC4124集成了無線電源管理器和功能齊全的鋰離子電池充電器,簡化了空間受限應用中的無線充電器接收器設計。LTC4125可以用作LTC4124接收器的半橋發送器,從而提供了一個具有完備保護功能的完整高效的無線充電解決方案。
作者簡介
Wenwei Li是位于馬薩諸塞州切姆斯福德ADI公司的電源產品應用工程師。他于2014年在中國長沙獲湖南大學的工學學士學位,于2016年在美國俄亥俄州哥倫布市獲俄亥俄州立大學碩士學位。聯系方式:wenwei.li@analog.com。
推薦閱讀:



