【導讀】本文討論多種柵極驅動供電選項和基本設計制約因素,以及設計時的權衡取舍,幫助設計人員選擇適當的拓撲。這些選項包括采用隔離式柵極驅動變壓器、利用隔離式DC-DC饋送柵極驅動器為光電二極管或數字隔離器供電、自舉配置,以及內置DC-DC電壓源的隔離式柵極驅動器。
為半橋配置的高端柵極供電起初似乎是一項棘手的任務,因為大部分系統都有較高的電平轉換和驅動強度要求。本文論述讓設計人員能夠實現這一目標的可行解決方案。
簡介
半橋拓撲廣泛用于電源轉換器和電機驅動器中。這在很大程度上是因為半橋可通過總線電壓,為脈寬調制(PWM)信號提供高效同步控制。然而,在控制器和功率器件之間通常需要使用柵極驅動器,以獲得更短的開關時間并出于安全性和/或功能性目的提供隔離。對于總線電壓高于功率開關的柵極到源極電壓最大限值的系統,必須采用不同于系統總線的電壓驅動柵極。
本文討論多種柵極驅動供電選項和基本設計制約因素,以及設計時的權衡取舍,幫助設計人員選擇適當的拓撲。這些選項包括采用隔離式柵極驅動變壓器、利用隔離式DC-DC饋送柵極驅動器為光電二極管或數字隔離器供電、自舉配置,以及內置DC-DC電壓源的隔離式柵極驅動器。
對于功率較高的系統而言,功率開關器件占了BOM成本的很大一部分,且N型器件的導通電阻一般比尺寸和成本都相同的P型器件更低1。此外,若在半橋配置的單個引腳上使用兩個相同的開關,則圍繞時序要求而展開的設計(比如非交疊和死區時間)便可得到簡化。由于這些原因,半橋配置通常由兩個N型器件組成,這兩個器件可以是NPNBJT、NMOS器件或N型IGBT。為簡便起見,本文中的半橋配置采用兩個NMOS器件,每引腳使用一個器件;這一概念同樣適用于IGBT。為了使用BJT器件,設計時必須考慮到恒定的基極電流。
基本柵極驅動要求
考慮圖1中的典型半橋配置。兩個MOSFET以互斥方式運行,因為如果兩個MOSFET同時導通,則將產生直通。若要使MOSFET導通,則需VGS > VT,其中VGS是柵極到源極電壓,而VT是特定MOSFET的閾值電壓。工作時,建議MOSFET具有足夠的過驅能力,因此在大部分應用中,實際柵極電壓為VGS >> VT。在部分開關周期中,低端開關Q2導通而高端開關Q1斷開。這表示VG1S1 < VT,且VG2S2 >> VT。在很多系統中,VG1S1等于0 V就足以保持高端開關斷開。理想情況下,VOUT擺動到靠近系統地的位置。

圖1. 半橋框圖
忽略死區時間要求,則開關周期的其他部分為Q1導通而Q2 斷開,這意味著VG2S2 < VT且VG1S1 >> VT。在這段時間內,VOUT擺動至靠近總線電壓的位置。注意,高端開關的源極連接至VOUT,表示柵極Q1在部分開關周期中,數值高于總線電壓。
如果控制器IC直接連接至柵極Q1,則IC要求電壓高于VBUS + VT,這在很多情況下都不現實。
柵極驅動器的一個主要作用是為功率開關提供快速開關時間,從而具備更快的上升和下降時間。這樣可以降低功率級中與壓擺率有關的損耗。過去,通過測量峰值電流來衡驅動強度,或者更準確地說,是測量驅動器的RDSON。記住以下這點很重要:對于具備更高峰值電流(或更低RDSON)的柵極驅動器,其功率要求并不一定更高,因為開關柵極的功率通常由Q × V × FSW驅動,其中Q表示柵極電荷,V表示柵極電壓擺幅,FSW表示系統的開關頻率2。
若要為高端開關的柵極驅動器供電,電源必須要能跟隨VOUT電壓,因為柵極以該電壓為參考。適當去耦通常能解決隔離電源接地參考的快速變化而導致的任何電壓尖峰問題。此外,每個不共享接地的柵極驅動器都可能需要自己的隔離電源。假設有一個典型的三相系統由三個半橋引腳組成,如圖2所示。系統中有四個獨立的接地參考,因為低端開關共享公共參考。取決于是否需要安全隔離或功能隔離,三相系統可以采用三個或四個專用電源。

圖2. 三相框圖
任何項目需考慮的兩個因素是解決方案的尺寸以及方案總成本。本文將通過不同的選項探討權衡取舍。為柵極驅動器提供隔離電源的基本要求可以總結如下:
- 提供足夠的電壓擺幅。
- 部分開關周期的電壓值高于總線電壓。
- 可跟隨半橋中點電壓的浮動接地。
- 足夠的驅動強度。
- 緊湊的解決方案。
- 合理的價格。
- 柵極驅動變壓器
最早有一種提供隔離式柵極信號的解決方案使用柵極驅動變壓器,比如圖3中的系統。在該系統中,電能通過變壓器傳輸,在副邊形成所需的柵極電壓。該系統的優勢之一是其保證互補操作相對較為容易實現,方法是使其中一路副邊輸出極性與另一路相反。采用這種方式,若要驅動高端柵極至導通狀態并驅動低端柵極至斷開狀態,可將電流以一個方向饋送至變壓器的原邊,相反方向的驅動電流則驅動柵極至相反狀態。

圖3. 柵極驅動變壓器示例
由于在柵極驅動中,柵極驅動變壓器用作電源,因此在靠近所驅動的柵極處,該解決方案的尺寸較小。器件數也較低,因為無需使用專用隔離式電源。變壓器實際成本介于中等和昂貴之間。
變壓器無法傳輸直流信號,因此在最基本的拓撲中,柵極在零點處達到伏秒平衡,這表示隨著占空比上升,峰值正電壓將下降3。這會對工作占空比造成限制,同時增加死區時間調諧的難度。占空比的快速變化還會產生磁芯飽和平衡問題。采用直流恢復拓撲時,需注意關斷時很容易產生直通,因此柵極驅動變壓器不太適合要求快速關斷的應用,比如檢測系統故障時。
必須復位柵極驅動變壓器的磁芯,否則磁芯可能飽和,從而增加開關時序的設計難度。由于以上這些原因,目前在較高穩定性的高性能系統中很少采用柵極驅動變壓器。
專用隔離電源
隔離柵極驅動的另一種方法,是使用隔離器傳輸時序信息。光耦合器利用光,跨越隔離柵將時序數據傳輸至光電晶體管或光電二極管。內部二極管的光輸出量隨著器件的老化和/或溫度而下降,產生時序移位,因而死區時間需要更寬的裕量4。作為光耦合器的替代器件,數字隔離器一般通過感性耦合或容性耦合傳輸時序信息,從而有效避免了器件老化產生的時序移位,同時相比光耦合器可大幅降低溫度產生的時序移位。采用光耦合器和數字隔離器時,輸出緩沖器中的已傳送信號確定柵極的最終驅動強度。該緩沖器可集成在隔離器封裝內,也可部署在封裝外。高壓電平轉換器使用上拉結構將時序數據傳送至高端,可處理高達幾百V的電壓。如果半橋電壓發生負振鈴,則高壓電平轉換器可能會閂鎖,而數字隔離器或光耦合隔離器不會產生這種情況。
為緩沖器供電的最直觀的方法,是為半橋的每一個浮動區域提供專用的隔離式DC-DC轉換器。對于多引腳系統,低端柵極驅動器可以共享一個電壓源,只要有足夠的電流輸出即可,如圖2中的系統示例所示。
專用隔離電源設置不存在占空比或最小開關頻率要求,并且隔離式柵極驅動器的輸入端可獨立受控,允許調諧死區時間。但由于需使用額外的元器件,這種解決方案的代價是具有較大的尺寸和較高的成本。可利用反激式轉換器或正向轉換器等集成變壓器的拓撲,在系統級創建一個隔離式電源。此外,還可采用單芯片模塊,比如Recom提供的產品——這些產品針對隔離高電壓設計5。
半橋自舉配置
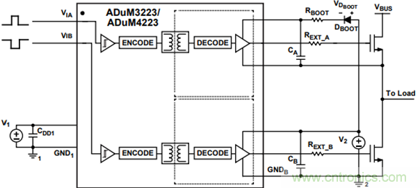
向上驅動柵極時,除了靜態電流,隔離式柵極驅動器的輸出端主要從供電軌獲取電流。一旦IGBT或MOSFET的柵極電壓到達供電軌,功耗便降為最低,因為柵極本質上是一個電容。對于高端驅動器而言,高端MOSFET導通時,該吸電流與半橋電壓拉至總線電壓的時間相吻合。這還意味著吸電流達到最大值前一刻,高端接地通過低端功率開關連接至低端接地。在高端供電軌上使用單個二極管以及數值適中的大電容后, 便可提供臨時電壓源, 如采用 ADuM3223 的圖4所示。該圖中,電阻與自舉二極管串聯,以便控制峰值充電電流6。

圖4. 半橋自舉示例
自舉電容在低端開關導通期間充電并快速放電,以便填滿柵極電容;但由于高端驅動器的靜態電流,它在高端開關導通期間將緩慢放電。這會對系統占空比和開關頻率產生限制作用7。只要有足夠的時間來對自舉電容充電,并且高端開關在超過電容所能支持的時間內未導通,則該解決方案的成本和尺寸優勢便能凸顯,特別是用于多相系統時。另外,在上電時可同時開啟低端開關,從而一次充電多個自舉電容。
集成式電源和柵極驅動器
解決方案向更小尺寸的自然演化過程是創建集成隔離式電源和柵極驅動器功能的單片IC。傳輸隔離式電源的最高效方法是通過感性耦合。對于支持這樣一個系統來說,光耦合器和容性耦合器所需的占位面積過大,工作速度過慢,并且功耗過高。對于完全集成式隔離電源和柵極驅動器拓撲電路而言, 可在IC中部署小型芯片級電感。采用ADuM5230的這類系統如圖5所示。該解決方案集成傳輸時序信息的變壓器線圈,以及傳輸功率至高端驅動器的線圈,無需在高端使用額外的外部隔離式電源8。外部緩沖器可增加峰值電流輸出,允許驅動更大的柵極電容。受限于效率,最大功耗(從而開關頻率和/或最大柵極電荷負載)也受到限制。隨著技術進步,滿足更高系統要求的單芯片解決方案將會應運而生。

圖5. 內部隔離電源示例
撇開功耗方面的限制,該集成式隔離電源和柵極驅動器系統具有出色的解決方案尺寸,同時消除了占空比和最低開關頻率的限制。
小結
為半橋配置的隔離端供電存在一定難度,但有很多拓撲可供設計人員選擇。柵極驅動變壓器在器件數方面占有優勢,但受限于驅動信號的復雜程度,而且磁芯的動態特性對其也有限制作用。專用隔離電源使占空比和頻率要求不復存在,但缺點是成本較高、解決方案尺寸較大。如果可以限制占空比和開關頻率,則半橋自舉配置便是一個高性價比選擇,可大幅減少器件數,降低解決方案成本。目前已出現高度集成的解決方案,這類解決方案利用內部變壓器完成功率傳輸,節省了尺寸,減少了器件數。有了如此眾多的拓撲,設計人員便擁有創建魯棒半橋解決方案的工具。
參考電路
1.Hu, Calvin. “Modern Semiconductor Devices for Integrated Circuits.” Prentice Hall; 2009
2.Concept, “IGBT and MOSFET Drivers Correctly Calculated”, application note AN-1001, pp. 1.
3.Ridley, Ray. “Gate Drive Design Tips,” Power Systems Design Europe, 2006, pp. 14-18.
4.Foo, Jye Chwan. “Gauging LED Lifetime in Optocouplers”, Machine Design, Sep 20, 2012.
5.Recom, “ECONOLINE DC/DC-Converter,” RP Series data sheet, Rev. 0, 2014.
6.Analog Devices, Inc., “ADuM3223”, data sheet, Rev. D, http://www.analog.com/en/interface-isolation/digital- isolators/adum3223/products/product.html, 2014.
7.Adams, Jonathan. “Bootstrap Component Selection for Control ICs”, International Rectifier, Design Tip DT 98-2.
8.Analog Devices, Inc., “ADuM5230”, data sheet, Rev. B, http://www.analog.com/en/interface-isolation/digital- isolators/adum5230/products/product.html, 2013.
推薦閱讀:





