1-6.正激式變壓器開關電源
正激式變壓器開關電源輸出電壓的瞬態控制特性和輸出電壓負載特性,相對來說比較好,因此,工作比較穩定,輸出電壓不容易產生抖動,在一些對輸出電壓參數要求比較高的場合,經常使用。
1-6-1.正激式變壓器開關電源工作原理
所謂正激式變壓器開關電源,是指當變壓器的初級線圈正在被直流脈沖電壓激勵時,變壓器的次級線圈正好有功率輸出。
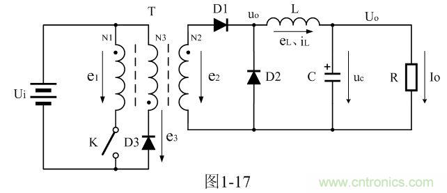
圖1-17是正激式變壓器開關電源的簡單工作原理圖,圖中,Ui是開關電源的輸入電壓,T是開關變壓器,N1、N2、N3分別為開關變壓器的3個線圈繞組,e1、e2、e3分別為3個線圈繞組產生的感應電動勢,K是控制開關,D1是整流二極管,D2是續流二極管,D3是削反峰整流二極管,L是儲能濾波電感,C是儲能濾波電容,R是負載電阻;uo為整流輸出電壓,或濾波輸入電壓、eL為儲能濾波電感產生的感應電動勢、iL為流過儲能濾波電感L的電流、Uo為濾波輸出電壓、Io為流過負載的電流。
在圖1-17中,需要特別注意的是開關變壓器初、次級線圈的同名端。如果把開關變壓器初線圈或次級線圈的同名端弄反,圖1-17就不再是正激式變壓器開關電源了。

我們從(1-77)和(1-78)兩式可知,改變控制開關K的占空比D,只能改變輸出脈沖電壓(圖1-16-b中正半波)的平均值Ua,而輸出脈沖電壓的幅值Up不變。因此,正激式變壓器開關電源用于穩壓電源,只能采用改變正激變壓器次級線圈輸出脈沖電壓的平均值的方式,然后再經濾波輸出直流電壓。
圖1-17中,儲能濾波電感L和儲能濾波電容C,以及續流二極管D2,是正激脈沖電壓平均值輸出的濾波電路,其工作原理與圖1-2的串聯式開關電源電壓濾波輸出電路完全相同。關于脈沖電壓平均值輸出濾波電路的詳細工作原理,請參看“1-2.串聯式開關電源”部分中的“串聯式開關電源電壓濾波輸出電路”內容,這里不再贅述。
正激式變壓器開關電源有一個最大的缺點,就是在控制開關K由接通突然轉到關斷的瞬間,開關變壓器的初、次線圈繞組均會產生很高的反電動勢,這個反電動勢是由流過變壓器初線圈繞組N1的勵磁電流存儲的磁能量產生的。因此,在圖1-17中,為了防止在控制開關K關斷瞬間產生反電動勢擊穿開關器件,一般都要在開關變壓器中增加一個反電動勢(反激電壓)能量吸收反饋線圈N3繞組,并通過一個削反峰整流二極管D3,把反電動勢的能量反饋給回輸入電源;與此同時,這個反饋線圈N3繞組還起到對開關變壓器鐵芯的退磁作用。
反饋線圈N3繞組和削反峰整流二極管D3對于正激式變壓器開關電源是十分必要的,一方面,反饋線圈N3繞組產生的感應電動勢(反激電壓)通過整流二極管D3會在N3繞組中產生電流返饋給回輸入電源,對電源進行充電,以提高開關電源的工作效率;與此同時,整流二極管D3還起到對變壓器初級線圈N1產生的反電動勢進行限幅的作用,防止開關變壓器初級繞組產生的高壓反電動勢把開關器件擊穿;另一方面,由于流過反饋線圈N3繞組中的電流i3的方向與原流過線圈N1的勵磁電流的方向相反,其作用可使變壓器的鐵芯退磁,使變壓器鐵芯中的剩磁Br值降低,防止變壓器產生磁飽和。
圖1-18是圖1-17中正激式變壓器開關電源中幾個關鍵點的電壓、電流波形圖。
圖1-18-a)是變壓器初、次級線圈N1、N2輸出電壓的波形。實線部分是正激輸出電壓脈沖的波形,虛線部分是反擊輸出電壓脈沖的波形。
圖1-18-b)是變壓器次級線圈N3輸出的反激電壓波形,虛線部分是反擊電壓脈沖波形。
[page]
圖1-18-c)是流過變壓器初級線圈N1和次級線圈N3的電流波形,其中,實線部分是流過變壓器初級線圈N1的電流波形,虛線部分是流過變壓器次級線圈N3的電流波形。

圖1-17中,在控制開關K接通的Ton期間,輸入電源Ui對變壓器初級線圈N1加電,初級線圈N1有電流i1流過,在N1兩端產生自感電動勢e1的同時,在變壓器次級線圈N2的兩端也同時產生感應電動勢e2,并向負載提供輸出功率。開關變壓器次級線圈輸出電壓大小由(1-64)、(1-77)、(1-78)等式給出,電壓輸出波形如圖1-18-a)。

圖2-18-c)是流過變壓器初級線圈N1的電流i1的波形。與流過電感線圈中的電流完全不同,流過正激式開關變壓器初級線圈N1的電流i1是會產生突變的,當控制開關K由關斷突然轉到接通的瞬間,流過正激式開關變壓器初級線圈N1的電流i1立刻就會達到某個值,如圖1-18-c)中的i10。如果我們把在控制開關K接通瞬間之前流過正激式開關變壓器次級線圈N2的電流記為i2,則它們之間的關系是:i10 = (N2/N1)i2 ,其中N2/N1為變壓器的次級線圈N2與初級線圈N1之比。這個i10就是流過變壓器次級線圈N2的電流i2被折算到變壓器初級線圈N1中的電流。
在流過正激式開關變壓器初級線圈N1的電流i1中,除了i10之外還有一個勵磁電流?i1。所謂勵磁電流,就是令變壓器鐵芯產生磁通量 的電流。在變壓器鐵芯中,磁通量 的變化,只與流過變壓器初級線圈中的勵磁電流?i1有關,而與流過變壓器次級線圈中的電流無關。即:在控制開關K接通期間,流過變壓器次級線圈N2中的電流i2產生的磁通,完全被流過變壓器初級線圈N1中的另一部分電流i10產生的磁通抵消。從圖1-18-c)中可以看出,?i1就是i1中隨著時間線性增長的部分(假設i2不變)。變壓器初級線圈N1中的勵磁電流?i1由下式給出:

當控制開關K由接通突然轉為關斷瞬間,由于流過變壓器初級線圈N1的電流i1突然由最大值變為0,這必然會引起變壓器鐵芯中的磁通量 產生突變,使變壓器的初、次級線圈產生非常高的反電動勢;如果不對這個反高壓電動勢進行抑制,勢必會使控制開關(開關器件)或開關變壓器擊穿,這是正激式開關電源必須考慮的地方。在圖1-17電路中,開關變壓器的線圈N3和整流二極管D3的作用,就是專門為抑制開關變壓器,因流過N1線圈繞組的電流i1突然由最大值變為0時,各個線圈繞組產生的高壓反電動勢而設置的。
當流過變壓器初級線圈N1的電流i1突然由最大值降為0時,在N3線圈兩端就會產生反電動勢e3,并使整流二極管D3導通,反電動勢e3的幅度就會被鉗制在Ui的幅度上,同時,在N3線圈繞組中產生的電流i3又會在變壓器鐵芯中產生新的磁通,此磁通的方向與電流i1在變壓器鐵芯中產生的磁通方向正好相反,兩者可以互相抵消,使開關變壓器各個線圈繞組產生的反電動勢電壓降低。因此,圖1-17電路中的整流二極管D3也叫限幅二極管。
所謂限幅,就是把各線圈產生的反電動勢電壓限制在一定的范圍之內,當N3線圈繞組產生的反電動勢電壓高于電源輸入電壓Ui時,整流二極管D3會突然導通。D3導通后,一方面,可抑制高壓反電動勢在初、次級線圈回路中產生,另一方面,可把變壓器在控制開關K關斷期間產生的反激能量反饋給回輸入電源,并通過電流i3對變壓器鐵芯進行退磁。下面我們來詳細分析電流i3對變壓器鐵芯進行退磁的過程。
[page]
假設正激式開關變壓器的初級線圈N1的匝數與次級線圈N3的匝數完全相等,即:初、次級線圈匝數比為:1 : 1 ;當D = 0.5時,流過開關變壓器初級線圈N1勵磁電流?i1的平均值與流過次級線圈N3中電流i3的平均值相等,但它們的變化過程在時間上并不同步;勵磁電流?i1在Ton期間是按線性規律增加,而i3在Toff期間是按線性規律下降。參考下面(1-83)式和(1-84)式,波形如圖1-18-c)所示,線性增長部分為?i1(實線表示),線性下降部分為i3(虛線表示)。
當控制開關K關閉時,根據(1-81)式可求得:

(1-83)式中右邊的第一項就是流過變壓器初級線圈N1繞組中的最大勵磁電流被折算到次級線圈N3繞組中的電流(最大值),第二項是i3中隨著時間變化的分量。其中n為變壓器次級線圈N3與初級線圈N1的變壓比,或匝數比。
當N1等于N3時,即:L1等于L3時,上式可以變為:

(1-84)式表明,當變壓器初級線圈N1繞組的匝數與次級線圈N3繞組的匝數相等時:
如果占空比D小于0.5,當t≥Ton時,i3將為負值,但由于D3的作用,這是不可能的,這只能說明電流i3是不連續電流,表示退磁過程過早結束;
如果占空比D等于0.5,當t=Ton時,i3等于0,表示電流i3為臨界連續,說明退磁過程結束時間剛剛好,圖1-18-b)和圖1-18-c)就表示這種情況;
如果占空比D大于0.5,當t≤Ton時,i3≥0,表示電流i3為連續電流,說明開關K將要接通時,退磁過程沒有結束,還在進行中。
根據(1-79)式,當N3的匝數大于N1的匝數時,變壓器次級線圈N3產生的反電動勢將會升高,假設D=0.5,此時N3產生的反激電壓u3的半波平均值Upa-3將高于輸入電壓Ui,二極管D3不但會對u3高于輸入電壓Ui的部分進行限幅,并且U3pa-高于輸入電壓Ui的部分也要被限幅,以及N1線圈產生的反激電壓u1,其高于其半波平均值U1pa-電壓的部分也要被限幅,因為,U1pa-與U3pa-也要按照匝數比的關系達成平衡。
根據(1-83)式,當N3的匝數大于N1的匝數時,i3的最大值將要減小(N3/N1)倍;與此同時,i3下降的速率(di/dt)將變小了, i3過0的時間將被延長。
這說明,N3匝數的增加,最大安匝數并沒有增加(退磁作用與安匝數成正比),只是N3對變壓器鐵芯退磁的作用時間有所延長。
因此,為了使開關變壓器的鐵芯的退磁效果更充分(退磁效果越好,變壓器的伏秒容量就越大),當占空比增大時(相當對變壓器的磁化時間增長),同時也要增大N3與N1的匝數比,以使i3的退磁時間延長,這是合理的。
[page]
從理論上來說,無論N3的匝數取得多大,其產生的作用都不可能把變壓器鐵芯中,原來由N1線圈中勵磁電流產生的磁感應強度退回到其開始磁化時的初始值,因為,在N3線圈回路中產生反電動勢的能量,本身就是來自N1線圈中勵磁電流在變壓器鐵芯中存儲的能量,而N3線圈回路對變壓器鐵心退磁時所提供的能量,應永遠小于N1線圈中勵磁電流在變壓器鐵芯中存儲的能量。我們能做到的,只能盡量讓N3線圈的退磁作用更有效一些。
N3繞組匝數的選取與占空比D的選取有關。在實際應用中,N3繞組匝數的選取,應當滿足,當占空比D為最大值時,N3輸出的反激脈沖電壓的半波平均值要大于或者等于輸入電源電壓Ui。例如,當最大占空比D約等于0.5時,N3繞組的匝數與變壓器初級線圈N1繞組的匝數之比,應略大于1或等于1,這樣才能保證,當占空比D小于0.5時,N3繞組反擊輸出電壓的半波平均值大于輸入電壓Ui ;此時,N3繞組不但可以使變壓器有效退磁,并且通過限幅二極管D3的限幅作用,可以對高壓反電動勢進行有效抑制,防止反電動勢高壓把開關器件和開關變壓器擊穿。
根據圖1-17,加到開關器件(控制開關)兩端的峰值電壓UKP正好等于輸入電壓Ui與反電動勢峰值Up-之和,即:

式中,UKP為加到開關器件兩端的峰值電壓,Ui為輸入電壓,Up-為變壓器初級線圈N1產生的反電動勢e1的峰值。如果不采取措施,Up-的值一般都是非常高的,如果采用N3線圈及D3組成的反電動勢限幅電路來對Up-進行限幅,經限幅后,Up-最多也只能降低到e1的半波平均值U1pa-。
當控制開關的占空比為0.5時,變壓器初級線圈N1產生反電動勢e1的半波平均值Upa-正好等于Ui。因此,在選用開關器件的時候,要求其耐壓必須大于輸入電壓的兩倍。即:

這個電壓對于電源開關管來說是很高的,例如,對于輸入電壓為交流220伏電源,經整流濾波后其直流電壓的最大值為311伏,根據(1-90)式可求得UKP = 622伏;如果輸入電壓為交流253伏(±15%),那么,可以求得UKP = 715伏。這個電壓還不包括變壓器初級線圈N1漏感產生的反電動勢e01,因為,如圖1-17中的變壓器反饋線圈N3繞組和整流二極管D3組成的尖峰吸收電路,是不能對N1線圈的漏感產生的反電動勢e01進行吸收的,為了吸收變壓器初級線圈N1繞組漏感產生的反電動勢e01,在變壓器初級線圈回路中還要專門設置一個由整流二極管和電阻、電容組成的反電動勢吸收電路(簡稱RCD電路),這一方面內容后面還要更詳細介紹。
一般電源開關管的耐壓都在650伏左右,因此,正激式變壓器開關電源在輸入電壓為交流220伏的設備中很少使用,或者必須采用兩個電源開關管串聯來使用。但由于正激式變壓器開關電源輸出電壓的瞬態控制特性相對來說,要比反激式變壓器開關電源好很多,因此,目前在一些對瞬態控制特性要求比較高的場合,正激式變壓器開關電源還會有一定的應用市場。
[page]
1-6-2.正激式變壓器開關電源的優缺點
為了表征各種電壓或電流波形的好壞,一般都是拿電壓或電流的幅值、平均值、有效值、一次諧波等參量互相進行比較。在開關電源之中,電壓或電流的幅值和平均值最直觀,因此,我們用電壓或電流的幅值與其平均值之比,稱為脈動系數S;也有人用電壓或電流的有效值與其平均值之比,稱為波形系數K。
因此,電壓和電流的脈動系數Sv、Si以及波形系數Kv、Ki分別表示為:

上面4式中,Sv、Si、Kv、Ki分別表示:電壓和電流的脈動系數S,和電壓和電流的波形系數K,在一般可以分清楚的情況下一般都只寫字母大寫S或K。脈動系數S和波形系數K都是表征電壓或者電流好壞的指標,S和K的值,顯然是越小越好。S和K的值越小,表示輸出電壓和電流越穩定,電壓和電流的紋波也越小。當S和K均等于1時,表示電壓和電流均為直流。
正激式變壓器開關電源正好是在變壓器的初級線圈被直流電壓激勵時,變壓器的次級線圈向負載提供功率輸出,并且輸出電壓的幅度是基本穩定的,此時盡管輸出功率不停地變化,但輸出電壓的幅度還是基本不變,這說明正激式變壓器開關電源輸出電壓的瞬態控制特性相對來說比較好;只有在控制開關處于關斷期間,功率輸出才全部由儲能電感和儲能電容兩者同時提供,此時輸出電壓雖然受負載電流的影響,但如果儲能電容的容量取得比較大,負載電流對輸出電壓的影響也很小。
另外,由于正激式變壓器開關電源一般都是選取變壓器輸出電壓的正向平均值,儲能電感在控制開關接通和關斷期間都向負載提供電流輸出,因此,正激式變壓器開關電源的負載能力相對來說比較強,輸出電壓的紋波比較小。如果要求正激式變壓器開關電源輸出電壓有較大的調整率,在正常負載的情況下,控制開關的占空比最好選取在0.5左右,此時流過儲能濾波電感的電流大體上為連續電流。當流過儲能濾波電感的電流為連續電流時,其負載能力相對來說比較強。
當控制開關的占空比為0.5時,正激式變壓器開關電源輸出電壓uo的幅值正好等于電壓平均值Ua的兩倍,流過濾波儲能電感電流的最大值Im也正好是平均電流Io(輸出電流)的兩倍,因此,正激式變壓器開關電源的電壓和電流的脈動系數S都約等于2,而與反激式變壓器開關電源的電壓和電流的脈動系數S相比,差不多小一倍,說明正激式變壓器開關電源的電壓和電流輸出特性要比反激式變壓器開關電源好很多。
正激式變壓器開關電源的缺點也是非常明顯的。其中一個,是電路比反激式變壓器開關電源多用一個大儲能濾波電感,以及一個續流二極管;其次,是正激式變壓器開關電源的變壓器比反激式變壓器開關電源多一個變壓器反饋線圈繞組,因此,正激式變壓器開關電源的變壓器的體積要比反激式變壓器開關電源的變壓器體積大;還有,正激式開關電源比反激式開關電源還多一個反饋電壓整流二極管。這些器件,都是要損耗功率的,因此,正激式開關電源的工作效率相對比反激式開關電源的工作效率低。
另外,正激式變壓器開關電源在控制開關K關斷時,變壓器初級線圈產生的反電動勢電壓要比反激式變壓器開關電源產生的反電動勢電壓高,因為正激式變壓器開關電源控制開關的占空比可調范圍要比反激式變壓器開關電源占空比的可調范圍取得寬,一般都取在0.5左右,其目的是為了提高輸出電壓的控制能力,而反激式變壓器開關電源控制開關的占空比相對取得比較小;因此,正激式變壓器開關電源對電源開關管的耐壓要求比反激式變壓器開關電源對電源開關管的耐壓要求高很多。
此外,正激式變壓器開關電源輸出電壓受占空比的調整幅度(或調整率),相對于反激式變壓器開關電源輸出電壓受占空比的調整幅度(或調整率)來說,要低很多。這個可從(1-78)和(1-79)式的對比就很明顯可以看出來,前者的調整幅度是與D成正比,后者是與D/(1-D)成正比。因此,正激式變壓器開關電源要求調控占空比的誤差信號幅度要比反激式變壓器開關電源高很多,即,要求誤差信號放大器的增益和動態范圍比較大。
正激式開關變壓器的伏秒容量一般都取得比較大(伏秒容量VT等于輸入脈沖電壓幅度與脈沖寬度的乘積),目的是為了減小開關變壓器初級線圈的勵磁電流,以提高工作效率。
未完待續,下次為大家介紹:正激式變壓器開關電源電路參數的計算......
相關閱讀:
陶老師談:單激式變壓器開關電源的工作原理
http://www.mengyueyun.cn/power-art/80022120
陶顯芳老師談開關電源原理與設計
http://www.mengyueyun.cn/power-art/80021940
專題:陶顯芳老師30年經驗大分享,開關電源設計那些事兒
http://www.mengyueyun.cn/special/181



