【導讀】隨著電子電力技術的飛速發展,人們對于功率因數的要求也越來越高。因為一些存在沖擊性的用電設備,很可能由于輸入電流而產生嚴重的畸變,導致諧波被污染。所以,今天給大家帶來的方案將會對大家提高功率因數上有很大的幫助!
早期功率因數校正采用在整流器后加濾波電感電容實現,功率因數一般只有0.6左右;在20世紀90年代,有源功率因數校正(APFC)產生,是在整流器和負載之間接入一個DC/DC 開關變換器,其基本原理是通過控制電路強迫交流輸入電流波形跟蹤交流輸入電壓波形,從而實現交流電流波形正弦化。并與交流輸入電壓波形同步,功率因數可提高到0.99以上。
APFC 電路拓撲
1、傳統有橋APFC拓撲
傳統Boost APFC 電路組成由整流橋和PFC 組成,如圖1所示。工作時流通路徑有三個半導體工作,功率因數低。當變換器功率和開關頻率提高時,系統通態損耗明顯增加,整體效率低,且控制電路較復雜。

針對傳統有橋電路的問題,本文提出了既能提高PF而且通態損耗低的無橋電路,如圖2所示。表1為有橋拓撲和無橋拓撲的對比。

從表1看出,當MOSFET導通和關斷時,無橋APFC相對于有橋APFC 都節省了一個二極管。經過理論計算后得出,無橋拓撲APFC 在全功率輸入時,可提高約1%的效率。而且無橋拓撲更利于電路集成化。但基本無橋Boost APFC 電路存在共模干擾嚴重、電流采樣難的問題。

3、雙二極管式無橋APFC拓撲
為了解決基本無橋Boost APFC 電路EMI 嚴重、電流采樣難的問題,對基本無橋Boost APFC 電路加以改進,如圖3所示,在基本無橋Boost APFC 電路上增加兩個快恢復二極管VD3和VD4。

圖3中,電阻Rs 為電感中的電流檢測電阻,使電流檢測電路減化。雖然Rs 在工作時會產生一定損耗,但只要阻值選擇合適,檢測電阻的損耗占整個功率損耗的百分比很小。這樣交直流側共地,達到抑制共模干擾的目的。
[page]
4、雙二極管式無橋拓撲工作原理雙二極管式無橋電路工作過程如下:
(1)電源電壓正半周時,如圖4所示,圖4中粗黑線所示即為輸入電壓正半周時電流路徑。

模態二:開關管VT1 關斷,電感電流突變時產生的感應電動勢使二極管VD1 正偏導通,電流經電感L1,VD1,VD3構成回路。此時電感釋放能量,電容C 及負載RL 由電感和電源串聯供電。
(2)電源電壓負半周工作模態如圖5所示,圖5中粗黑線所示即為輸入電壓負半周時電流路徑。

模態三:VD1,VD2截止。控制開關管VT2導通,輸入電流從電源正極經L2,VT2,VD3回到電源負極形成電流通路,給電感L2 儲能。負載由儲能電容C 提供能量。
模態四:開關管VT2關斷,VD2導通,電流經電感L2,VD2,VD4構成回路。此時電感釋放能量,電容C 及負載RL 由電感和電源串聯供電。
APFC 控制方案
功率因數校正傳統的控制方案有三種即峰值電流控制、滯環電流控制、平均電流控制。但傳統的控制方案必須以乘法器為核心,使得控制電路復雜。
本文選用無需乘法器的新控制方法-單周期控制。
單周期控制的最大特點是:通過控制開關的占空比,讓電路無論處在穩態還是瞬態都能使受控量的平均值恰好等于或正比于給定VREF,從而在一個周期內有效地抑制了電源側的擾動。單周期控制技術在控制回路中不需要誤差綜合,具有系統響應快、開關頻率恒定、電流畸變小、易于實現等優點,在APFC電路的新型控制技術應用廣泛。
IR1150是一種CCM 控制芯片,它采用了IR公司特有的單周期控制技術,為APFC電路提供了一種低成本、設計簡單的解決方案。該芯片內部主要由電壓誤差放大器、電流檢測放大器、復位積分器、PWM比較器以及RS 觸發器組成,另外還有7 V 參考電壓和一些保護電路。核心電路為積分復位器,如圖6所示。

其控制環路包括電流內環和電壓外環,電流環采用了內嵌式的輸入電壓信號,通過脈寬調制調節與輸入電壓相關的占空比,使輸入平均電流跟隨輸入電壓且為正弦波,只要電路工作在連續模式,這種跟蹤關系就能維持。單周期工作波形如圖7所示。

無橋APFC 電路仿真
1、仿真電路
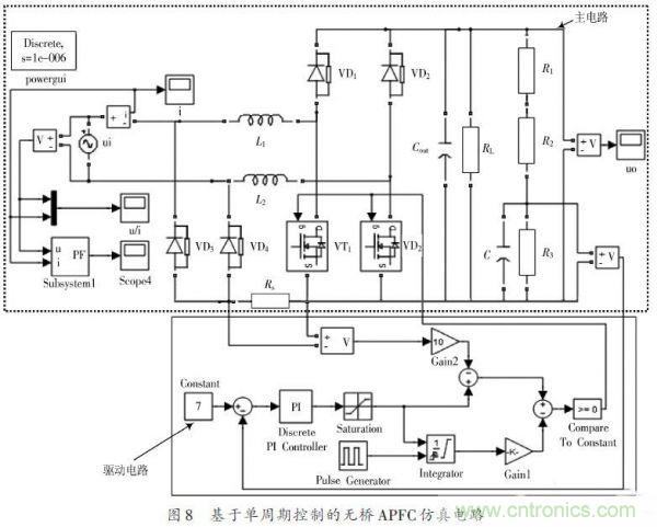
本文采用MATLAB Simulink中的SimPowersystems模塊集里的模塊搭建無橋有源功率因數校正仿真電路,如圖8所示。

仿真參數設計:輸入交流電壓15 V,50 Hz;輸出直如圖8所示,虛線框內為雙二極管式無橋APFC 主電路。其中:ui是輸入交流15 V 源,VD1~VD4 是快恢復二極管,VT1,VT2 是開關管。L1,L2 為升壓電感,Cout是輸出電容,RL 是直流負載,R1,R2 ,R3 是輸出電壓采樣電阻,Rs 是輸入電流檢測電阻,Subsystem1是功率因數測量子系統。示波器u/i,示波器i,示波器uo,示波器PF分別用來測量輸入交流電壓電流,輸入交流電流,輸出直流電壓,系統功率因數。
[page]
圖8實線框內為單周期控制的驅動電路,其控制原理是調制電壓Vm 由主電路輸出電壓經分壓電阻R3 得到的反饋電壓與7 V基準電壓VREF 比較后所得,并分為兩路:
Vm 與電流檢測信號Iin Rs 經過運算得到Vm - Iin Rs;積分器對調制電壓Vm 積分得到三角波∫Vm dt.
在脈沖來臨時,積分器工作,然后以上兩路信號進行比較,當Vm - Iin Rs >∫Vm dt 時,比較器輸出為1,驅動開關管開通;當Vm - Iin Rs <∫Vm dt時,比較器輸出為0,開關管關斷。
2、仿真結果
圖9(a)為輸入電流波形,可以看到電路穩定后,基本為正弦波。圖9(b)是對輸入電流在0.102~0.103 s的仿真時間內進行局部放大,可以清楚地看到輸入電流能及時地跟蹤輸入電壓,達到功率校正的目的。


經過仿真分析,由圖10看出輸入電流波形為連續的正弦波,與輸入電壓波形同相位。由圖11看出系統穩定后輸出直流電壓達到28 V,滿足設計求。
由圖12看出交流網側功率因數高達0.999.由圖13看出輸入電流諧波畸變率為6.82%,滿足諧波標準。所以,設計的單周期控制的無橋APFC達到設計目的。


總結:
利用無橋APFC,主電路所用開關器件少,電路效率高,而且利于電路集成化的特點,有效地提高了功率因數。而本文的控制方案不再需要乘法器,簡單易于實現。從仿真結果看,本方案達到了功率因數校正的目的。
相關閱讀:
淺談開關電源發展的發展趨勢
新型低功耗全電壓大功率開關電源設計
工程師推薦:低諧波、高功率因數AC/DC開關電源變換器設計



