【導讀】有多種方式可以用肖特基二極管實現多電源系統。但,肖特基二極管由于正向壓降而消耗功率,所產生的熱量消散需要占用很大的空間。凌力爾特通過控制外部 N 溝道 MOSFET,最大限度降低功耗,為兩個電源軌實現了理想二極管和熱插拔功能,提供快速反斷開、平滑電源切換、有源電流限制以及狀態和故障報告功能。
用肖特基二極管實現多電源系統有多種方式。例如,µTCA 網絡及存儲服務器等高可用性電子系統都在其冗余電源系統中采用了肖特基二極管“或”電路。二極管“或”電路還用于采用備用電源的系統,例如 AC 交流適配器和備份電池饋送。問題是,肖特基二極管由于正向壓降而消耗功率,所產生的熱量必須用 PCB 上專門的銅箔區散出,或者通過由螺栓固定到二極管上的散熱器散出,這兩種散熱方式都需要占用很大的空間。
凌力爾特公司的一個產品系列用外部 N 溝道 MOSFET 作為傳遞組件,最大限度地降低了功耗,從而在這些 MOSFET 接通時,最大限度地減小了從電源到負載的壓降,這個產品系列包括 LTC4225、LTC4227 和 LTC4228。當輸入電源電壓降至低于輸出共模電源電壓時,關斷適當的 MOSFET,從而使功能和性能上與理想二極管匹配。
如圖 1 所示,通過增加一個電流檢測電阻器,并配置兩個具備單獨柵極控制的背對背 MOSFET,LTC4225 憑借浪涌電流限制和過流保護提高了理想二極管的性能。這就允許電路板安全地插入或從帶電背板拔出,而不會損壞連接器。LTC4227 可以這樣使用:在并聯連接的理想二極管 MOSFET 之后,增加電流檢測電阻器和熱插拔 (Hot Swap) MOSFET,以節省一個 MOSFET。通過在理想二極管和熱插拔 MOSFET 之間配置檢測電阻器,LTC4228 比 LTC4225 有了改進,LTC4228 能更快地從輸入電壓欠壓中恢復,以保持輸出電壓不變。

圖 1:采用檢測電阻器和外部 N 溝道 MOSFET 的 LTC4225、LTC4227 和 LTC4228 的不同配置
* ADDITIONAL DETAILS OMITTED FOR CLARITY:* 為清晰起見,略去了一些細節
LTC4225-1、LTC4227-1 和 LTC4228-1 具備鎖斷電路斷路器,而 LTC4225-2、LTC4227-2 和 LTC4228-2 提供故障后自動重試功能。LTC4225、LTC4227 和 LTC4228 的兩種版本均分別采用 24 引腳、20 引腳和 28 引腳 4mm x 5mm QFN 以及 SSOP 封裝。
理想二極管控制
LTC4225 和 LTC4228 用一個內部柵極驅動放大器監視 IN 和 OUT 引腳 (就 LTC4227 而言是 IN 和 SENSE+ 引腳) 之間的電壓,起到了理想二極管的作用,該放大器驅動 DGATE 引腳。當這個放大器檢測到大的正向壓降 (圖 2) 時,就快速拉高 DGATE 引腳,以接通 MOSFET,實現理想二極管控制。

圖 2:當 IN 電源接通時,拉高理想二極管控制器 CPO 和 DGATE 引腳
CPO 和 IN 引腳之間連接的外部電容器提供理想二極管 MOSFET 快速接通所需的電荷。在器件加電時,內部充電泵給這個電容器充電。DGATE 引腳提供來自 CPO 引腳的電流,并將電流吸收到 IN 和 GND 引腳中。柵極驅動放大器控制 DGATE 引腳,以跟隨檢測電阻器和兩個外部 N 溝道 MOSFET 上的正向壓降,直至 25mV。
如果負載電流引起超過 25mV 的壓降,那么柵極電壓就上升,以加強用于實現理想二極管控制的 MOSFET。在 MOSFET 導通時,如果輸入電源短路,那么會有很大的反向電流開始從負載流向輸入。故障一出現,柵極驅動放大器就會檢測到故障情況,并拉低 DGATE, 以斷開理想二極管 MOSFET。
熱插拔控制
拉高 ON 引腳并拉低 /EN 引腳,就啟動了一個 100ms 的防反跳定時周期。在這個定時周期結束之后,來自充電泵的 10µA 電流使 HGATE 引腳斜坡上升。當熱插拔 MOSFET 接通時,浪涌電流被限制到由外部檢測電阻器設定的值上,就 LTC4225 而言,該電阻器連接在 IN 和 SENSE 引腳之間 (就 LTC4227 和 LTC4228 而言,是 SENSE+ 和 SENSE━ 引腳)。有源電流限制放大器伺服 MOSFET 的柵極,這樣電流檢測放大器上就會出現 65mV 的電壓。如果檢測電壓高于 50mV 的時間超過了在 TMR 引腳端配置的故障過濾器延遲時間,那么電路斷路器就斷開,并拉低 HGATE。如果需要,可以在 HGATE 和 GND 之間增加一個電容器,以進一步降低浪涌電流。當 MOSFET 柵極的過驅動 (HGATE 至 OUT 的電壓) 超過 4.2V 時,拉低 /PWRGD 引腳 (圖 3)。

圖 3:當 ON 引腳切換到高電平時,在 100ms 延遲之后,熱插拔控制器 HGATE 啟動,PWRGD 被拉低
下頁內容:理想二極管和熱插拔控制相結合與電源優先級
[page]
理想二極管和熱插拔控制相結合
在一個采用冗余電源的典型 µTCA 應用中 (圖 4 和 9),在背板上對輸出進行二極管“或”,以不用斷開系統電源,就可以取出或插入板卡。LTC4225 和 LTC4228 都包括理想二極管和熱插拔控制器,非常適用于這類應用,這些器件在兩個電源之間提供平滑的電源切換,還提供過流保護。

圖 4:在 µTCA 應用中,LTC4225 為兩個µTCA 插槽提供 12V 電源
PLUG-IN CARD-1:插入式板卡 1
BULK SUPPLY BYPASS CAPACITOR:降壓模式電源旁路電容器
BACKPLANE:背板
如果主電源掉電,那么控制器就快速響應,以斷開主電源通路中的理想二極管 MOSFET,并接通冗余電源通路中的 MOSFET,從而向輸出負載提供平滑的電源切換。熱插拔 MOSFET 保持接通,這樣這些 MOSFET 就不會影響電源切換。當各自的 ON 引腳被拉低,或 /EN 引腳被拉高時,控制器斷開熱插拔 MOSFET。當在輸出端檢測到過流故障時,熱插拔 MOSFET 的柵極被快速拉低,之后輸出就穩定在電流限制值上,直至由 TMR 引腳電容器設定的故障過濾器延遲超時為止。熱插拔 MOSFET 斷開,/FAULT 引腳鎖定在低電平,以指示出現了故障。通過將 ON 引腳拉至低于 0.6V,可以使電子電路斷路器復位。
電源優先級
在傳統的二極管“或”多電源系統中,由電壓較高的輸入電源給輸出供電,同時擋住電壓較低的電源。這種簡單的解決方案滿足了應用的需求,在這應用中,電源的優先權不僅是電壓較高的電源就優先的問題。圖 5 顯示了一個備份電源系統,在這個系統中,無論何時,只要 5V 主電源 (INPUT1) 可用,就由該電源給輸出供電,而 12V 備份電源 (INPUT2) 僅當主電源無法提供時才會使用。
只要 INPUT1 高于由 ON1 引腳端的 R1-R2 分壓器設定的 4.3V UV 門限,MH1 就接通,從而將 INPUT1 連接到輸出。當 MH1 接通時,/PWRGD1 變低,這又將 ON2 拉低,并通過斷開 MH2 來停用 IN2 通路。如果主電源無法提供,且 INPUT1 降至低于 4.3V,那么 ON1 就斷開 MH1,且 /PWRGD1 變高,從而允許 ON2 接通 MH2,并將 INPUT2 連接到輸出。在任何情況下,理想二極管 MOSFET MD1 和 MD2 都要防止一個輸入到另一個輸入的反向饋送。

圖 5:用 LTC4225 實現以 IN1 作為優先輸入的雙通道電源優先級區分器
PRIMARY SUPPLY:主電源
BACKUP SUPPLY:備份電源
交換電源端和負載端的二極管和熱插拔 FET
LTC4225 允許采用背對背 MOSFET 的應用將在電源端的 MOSFET 配置為理想二極管,在負載端的 MOSFET 配置為熱插拔控制器 (圖 4),反之亦然 (圖 6)。圖 6 中,在 MOSFET 的 GATE 和 SOURCE 引腳之間也許需要一個外部齊納二極管來箝位,以在 MOSFET 的柵源電壓額定值低于 20V 時防止 MOSFET 擊穿。無論是按照那安排,LTC4225 憑借理想二極管在 IN 和 OUT 引腳之間的“或”連接,都能平滑地在電源之間切換。

圖 6:用 LTC4225 實現在電源端具備熱插拔 MOSFET、在負載端具備理想二極管 MOSFET 的應用
BULK SUPPLY BYPASS CAPACITOR:降壓模式電源旁路電容器
PLUG-IN CARD 1:插入式板卡 1
BACKPLANE:背板
下頁內容:雙理想二極管和單熱插拔控制器
[page]
雙理想二極管和單熱插拔控制器
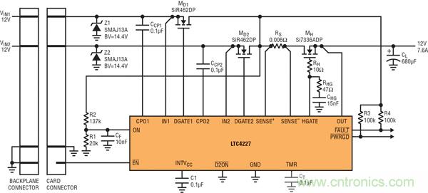
圖 7 顯示了 LTC4227 的應用,其中檢測電阻器放置在并聯連接的雙電源理想二極管 MOSFET 之后,檢測電阻器之后是單個熱插拔 MOSFET。圖中,在故障超時之前,LTC4227 以 1x 電流限制調節過載輸出,而不像 LTC4225 二極管“或”應用那樣是以 2x 電流限制。因此,在過載情況下,功耗降低了。

圖 7:用 LTC4227 實現具備熱插拔控制和存在板卡的二極管“或”應用
BACKPLANE CONNECTOR:背板連接器
CARD CONNECTOR:板卡連接器
LTC4227 還具有 /D2ON 引腳,這允許非常容易地確定 IN1 電源的優先級。例如,圖 8 顯示了一個簡單的電阻分壓器,該分壓器將 IN1 連接到 /D2ON 引腳,這樣 IN1 電源一直都是優先的,直至 IN1 降至低于 2.8V 為止,這時,MD2 接通,二極管“或”輸出從 IN1 端的主 3.3V 電源切換到 IN2 端的輔助 3.3V 電源。

圖 8:通過 LTC4227 的 D2ON,插入式板卡的 IN1 電源控制 IN2 電源的接通
BACKPLANE CONNECTOR:背板連接器
CARD CONNECTOR:板卡連接器
下頁內容:在輸入發生故障時,更快地恢復輸出
[page]
在輸入發生故障時,更快地恢復輸出
在圖 4 所示的 LTC4225 µTCA 應用中,如果一個輸入電源出現故障,短暫接地,而另一個電源不可用,那么 HGATE 就被拉低,以隨著 IN 電源降至低于欠壓閉鎖門限,而斷開熱插拔 MOSFET。當輸入電源恢復時,允許 HGATE 啟動以接通 MOSFET。因為給 HGATE 和已耗盡的輸出電容充電需要花一點時間,所以在此期間也許會出現輸出電壓欠壓情況。
在這種情況下,LTC4228 能更快地恢復以保持輸出電壓不變,所以比 LTC4225 有優勢。如圖 9 所示,檢測電阻器放置在理想二極管和熱插拔 MOSFET 之間,從而允許在輸入電源出現故障時,靠輸出負載電容暫時保持 SENSE+ 引腳電壓不變。這可防止 SENSE+ 電壓進入欠壓閉鎖狀態,并防止斷開熱插拔 MOSFET。輸入電源在恢復的同時,給已耗盡的負載電容充電,并即時給下游負載供電,因為熱插拔 MOSFET 仍然處于接通狀態。

圖 9:用 LTC4228 實現為兩個µTCA 插槽提供 12V 電源的µTCA 應用
BULK SUPPLY BYPASS CAPACITOR:降壓模式電源旁路電容器
PLUG-IN CARD 1:插入式板卡 1
BACKPLANE:背板
LTC4225、LTC4227 和 LTC4228 通過控制外部 N 溝道 MOSFET,為兩個電源軌實現了理想二極管和熱插拔功能。這些器件提供快速反向斷開、平滑電源切換、有源電流限制以及狀態和故障報告功能。這些器件具有嚴格的 5% 電路斷路器門限準確度和快速響應電流限制,可保護電源免受過流故障影響。LTC4228 能從輸入電壓欠壓狀態快速恢復,因此在面臨此類事件時,可保持輸出電壓不變。



