【導讀】電子束焊接的基本原理是電子槍中的陰極由于直接或間接加熱而發射電子,該電子在高壓靜電場的加速下再通過電磁場的聚焦就可以形成能量密度極高的電子束,用此電子束去轟擊工件,巨大的動能轉化為熱能,使焊接處工件熔化,形成熔池,從而實現對工件的焊接。
根據電子束焊接的基本原理,西方國家在70年代末期研究開發出雙金屬鋸帶電子束焊接新工藝生產線,代替傳統的普通高速鋼鋸帶生產工藝,從而大量節省了高速鋼,并提高了鋸帶的使用壽命。雙金屬鋸帶就是把具有彈性性能好的彈簧鋼和切削能力強的高速鋼通過電子束焊接方法而獲得的一種新型鋸帶。我國在80年代后期相繼從德國引進若干條生產線以滿足國內市場高速發展的需要,但還不能完全滿足其市場要求[1]。由于電子束焊接包含了機械、真空、高電壓和電磁場理論、電子光學、自動控制和計算機等多學科技術,對國內一般廠商來說技術難度較大,而引進費用又昂貴,為此桂林電氣科學研究所結合國外技術及多年從事電子束技術研究開發經驗,研制成功了我國第一條國產雙金屬鋸帶生產線設備。其中高壓電源是雙金屬鋸帶焊接設備的關鍵技術之一,它主要為電子槍提供加速電壓,其性能好壞直接決定電子束焊接工藝和焊接質量。為此許多電子束焊機制造商及研究機構均對高壓電源的可靠性、高壓保護、高壓打火對焊件的影響進行了研究,并相應制造出具有較高性能的高壓電源,以滿足不同的電子束焊機的需要[2~3]。由于雙金屬焊接要求平行焊縫,要用高壓電子束焊機(100kV以上)焊接雙金屬鋸帶。目前我國還不能生產高壓電子束焊機,為此開展高壓電源的開發和研究工作是非常必要的。本文介紹的是雙金屬鋸帶生產線上的高壓焊機用的高壓電源,其控制方式、高壓保護技術與其它類高壓電源具有不同之處,對研究高壓電源的調節技術、高壓打火保護具有借鑒意義。

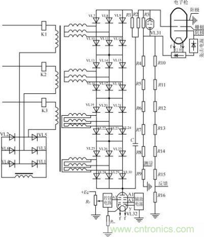
圖1:高壓電源系統框圖

圖2:高壓電源主電路原理圖
電子束焊機用高壓電源的技術要求
電子束焊機用高壓電源與其它類型的高壓電源相比,具有不同的技術特性。根據國外電子束焊機制造商的出廠標準、德國DIN標準和我國電子束焊機的技術要求,電子束焊機用高壓電源的要求具體如下:
技術要求
電子束焊機用高壓電源的技術要求由于在國內外還沒有一個統一的標準,根據一些廠商提出的技術要求主要為紋波系數和穩定度,紋波系數要求小于1%,穩定度為±1%,幾乎所有的電子束焊機制造商都提出這樣要求。其中德國PTR公司還提出了中壓型的技術要求,它要求相對紋波系數小于0.5%,穩定度為±0.5%,同時還提出了重復性要求小于0.5%。以上要求均根據電子束斑和焊接工藝所決定。
性能要求
電子束焊機用高壓電源在操作時必須與有關系統進行連鎖保護,主要有真空連鎖、陰極連鎖、閘閥連鎖、聚焦連鎖等,以確保設備和人身安全。高壓電源必須符合EMC標準,具有軟起動功能,防止突然合閘對電源的沖擊。
其它要求
較高的可靠性,屬戶內設備,要求連續工作,外觀滿足工業設備要求,維修方便等。
高壓電源的工作原理和主電路
高壓電源的系統框圖如圖1所示,電網電壓經過流抑制電路進入高壓升壓整流變壓器的一次,二次升壓到100kV左右。此交流高壓再經12相整流濾波獲得160kV左右的直流高壓,加到高壓真空電子管和電子槍上,其中高壓電子管在工作時承受的電壓為40kV,這樣加在電子槍上的高壓為120kV。高壓真空電子管是用來調節和穩定高壓輸出的。根據圖1設計的高壓電源的主電路原理圖見圖2,由圖2知本電源為典型的串聯型直接在高壓側調節的高壓直流穩壓電源,其主電路主要由過流抑制電路、高壓升壓整流變壓器、高壓整流電路、高壓濾波及阻容和過壓、過流保護電路、高壓真空電子管調節電路等組成。高壓升壓整流變壓器、高壓整流電路、高壓濾波及阻容和過壓、過流保護電路都放在油箱內,油箱內充滿變壓器油,保證電源本體在工作時的絕緣和散熱需要。由于高壓電源需連續工作,為確保工作時的熱量能及時散出,油箱內部還設計了水冷卻系統。
電源各電路的組成和作用如下:過流抑制電路由三相橋式整流電路和扼流電感器組成,如果負載出現過流或電源由于突然合閘在變壓器內引起電磁暫態過程而出現大電流等現象時,過流抑制電路能有效限制電源內部出現過電流,以保護電源不受損壞。其原理主要是利用電感電流不能突變的特性限制過電流,確保高壓變壓器不損壞。正常時,三相電流平衡,流入過流抑制電路的電流很小。整流變壓器二次為四線圈分別接成星型和三角型各2組,各組整流后串聯獲得12相直流脈動電壓,有利于降低諧波電流對電網的污染、減少濾波電容量和減小電源的紋波系數,提高電源本身性能。整流電路由高壓硅堆和阻容元件組成,阻容電路主要防止高壓硅堆產生的過電壓,保證高壓硅堆不致損壞。限流電阻和保護電阻分別用來限制電源內部的過電流、過電壓,保證電源的正常工作,要求電阻耐壓水平較高、承受發熱功率較大。當電源外部短路時,保護電路能在盡可能短的時間內動作,使得各有關元器件不致損壞。高壓濾波電容器濾除直流輸出中的交流脈動成份,保證加在電子槍和調整管上的電壓平直。電容芯子直接放置在高壓油箱內,能減小電源本體的體積。調整管為一多極高壓真空電子管,其工作耐壓水平達160kV,主要有陽極、控制極、第一、二、三陽極等組成,調整管的陽極接在高壓整流器的正極,調整管陰極通過束流取樣電阻連接到大地。調整管能在控制電路的作用下自動調節和穩定高壓輸出。高壓調整管由于工作電壓高,在工作時會產生大量的熱量,為此設計了特殊的散熱裝置,即把整個調整管放在一裝絕緣油的油箱中,以確保冷卻和絕緣需要,油箱內部還裝有專用散熱的水冷系統,以保證調整管能長期可靠工作。調整管的輔助電源很多,考慮到散熱和布局需要也放在油箱內。調整管的調節原理是其陰極由于加熱而發射電子。電子在陽極高壓的加速下,分別到達第二陽極和陽極,如果第二陽極的電壓很高,受加速的電子就會全部到達第二陽極,此時電子管處于高阻狀態,電源上的電壓全加在調整管上。只要調節第二陽極電壓的大小,調整管上的電壓也得以調節,這樣加在電子槍上的高壓也得以調節,最終實現對高壓輸出的穩定調節。
電源的控制電路
電源的控制電路如圖3所示,由圖3知,控制電路由反饋信號隔離電路、PI給定調節電路、自動重加高壓電路、功率放大電路及其附屬電路等組成,各電路的組成及工作原理如下:
反饋電路
反饋電路由高壓電阻分壓器、信號隔離電路、過壓過流抑制元件等組成。高壓電阻分壓器由2路相互獨立的精密金屬膜電阻制成,1路用來測量高壓,1路提供反饋信號給控制電路用以控制和調節高壓。高壓電阻分壓器放置在由有機玻璃制成的支架上,考慮到絕緣和散熱的需要將其放在高壓油箱里,以保證電源工作時電阻值的穩定,最終保證取樣信號的穩定。高壓電源在工作時,由于電子槍放電或外部其它原因,電源內部會產生過電壓,為防止過電壓竄入控制電路損壞低壓電子元器件,在取樣電阻兩端并聯高壓放電管、壓敏電阻及電容吸收電路,同時取樣電阻都放在電磁屏蔽盒里,能有效地防止各種電磁干擾信號進入控制電路。高壓分壓器的取樣信號在進入控制電路以前還設置了信號隔離電路使得反饋信號與控制電路相互隔離,并同時轉化為標準電平信號給控制電路,以上措施確保了控制電路中的反饋信號的準確性。

圖3:高壓電源控制電路電原理圖
PI調節電路
PI調節電路[4]由運算放大器及外接電阻、電容元件組成,它把給定信號與反饋信號進行比較,其差值經放大后給預放大管,以控制放大管的輸出。在PI調節電路中還設置了調試給定電路,其目的是為了高壓電源調試用。在試驗時,給定信號由Rtest供給,調節Rp的值,高壓輸出即可由零到額定值調節,有利于焊接工藝試驗和高壓電源的參數調整。
自動重加高壓電路
自動重加高壓電路的原理是利用三極管的控制原理來實現對高壓的快速截止和導通。它由運算放大器和三極管等電路組成。它的工作原理是當反饋信號超過給定信號時,比例放大器IC2的輸出為高電平,V4導通,IC3輸出低電平,V3導通,V2截止,封鎖PI調節器的輸出,從而關斷高壓調整管以切斷高壓。反之,當反饋信號小于給定時IC2輸出低電平,V4截止,IC3輸出高電平,V3截止,PI調節器正常工作,由于三極管從導通到截止,恢復時間很快,因此加在電子槍上高壓在控制電路的作用下很快恢復正常工作狀態而不停機,確保電子束焊機能夠正常生產。
功率放大電路
功率放大電路由前級預放管VL33和功率放大管VL32組成,工作過程是V2在負電源的作用下,由PI調節器輸入的調節量經V2放大后送到真空管VL33的控制極,陽極接到輔助電源的正極,陰極接地,控制極電壓越高(負),VL33的陽極對地電壓越高,高壓調整管VL32的陽極電壓越高,電子槍上的電壓越低,相反時控制電路按以上相反的過程調節電子槍上的高壓,最終實現電子槍上高壓的穩定。
高壓電源的技術指標
高壓電源應用到雙金屬鋸帶焊接生產線時,工作穩定,通過對電源技術指標的測量,具體參數如下:
額定加速電壓:120kV,紋波系數<1%,穩定度<1%;
額定電子束流:50mA,紋波系數<1%,穩定度<1%。
電源在電子槍內打火時,高壓電源能快速恢復而不停機。
在高壓側由高壓真空管調節高壓直流電源的輸出,其輸出特性好,紋波系數小,穩定度高。由于調整管隔離濾波電容器,電源在過壓保護停機時,電容器上的能量不會泄放到工件上而導致工件的損壞。經在雙金屬鋸帶生產線上的實際運行,電源的各項技術指標均滿足生產線的工藝要求。



