中心議題:
- EPS均衡式充電裝置的結構和工作原理
- EPS均衡式充電模塊設計
EPS均衡式充電裝置設計方案:
- 高頻反激式變換器
- 電流控制型脈寬調制器
- 輸出反饋控制器
- 充電浮充電狀態指示
- 外部斷線告警
本文簡要介紹了EPS均衡式充電裝置的結構原理及特點, 詳細闡述了應用于這種均衡充電模式的單元充電模塊的設計要求、工作原理及設計方法,最后給出了試驗數據并簡要分析了試驗結果。
1 概述
EPS應急電源一般由主電源和應急電源兩部分組成。主電源一般來自電力系統或電網, 正常時,消防用電設備由主電源供電。應急電源的作用是當主電源發生故障而停電時, 保證各種消防設備( 消防給水、消防電梯、防排煙設備、應急照明和疏散指示標志、應急廣播、電動的防火門窗、卷簾、自動滅火裝置) 和消防控制室等仍能繼續運行。在消防電源中設置EPS應急電源是確保消防電源向消防用電負荷可靠供電的重要措施之一。
目前, 消防應急電源主要有三種類型: ①獨立正常電源的專用饋電線路; ②自備柴油發電機組; ③由蓄電池組構成的交、直流供電電源。由蓄電池組作為備用電能的應急電源( 即所謂的靜態EPS) 可分為直流靜態EPS和交流靜態EPS兩種。
不管是直流還是交流EPS,對于蓄電池組實現最佳充電、保養和維護,以確保蓄電池組在應急情況下能夠處于滿容量狀態是保障EPS應急電源可靠工作的關鍵。目前, 在我國消防電源中大量使用的靜態EPS, 對于蓄電池組的充電一般采用串聯集中式充電方式, 即由一個集中式充電裝置實現對串聯電池組充電, 如圖1所示。這種充電方式的優點是充電設備簡單、造價低。不足之處是對電池組充電不均衡, 容易出現部分電池過充、部分電池欠充, 即充電不足的現象, 從而導致電池組充電容量不足、電池損壞或電池組的壽命縮短。

圖1 蓄電池組集中式充電模式示意圖
為克服集中充電模式的不足, 本文提出一種均衡式充電模式。這種充電模式對每一節電池都配置一個單獨的充電器。通過對每節電池的單獨充電和維護來保證電池組實現均衡充電, 不會出現各節電池充電不均衡的現象。另外, 通過對各個充電模塊的完善設計, 就能保證各節電池不會出現欠充或過充的現象。
[page]
2 EPS均衡式充電裝置的結構和工作原理
圖2所示是本文提出的一種蓄電池組均衡充電模式結構示意圖, 圖中CM表示充電器或充電模塊。在這種均衡式充電模式中, 對電池組的每一節電池都單獨配置一個充電模塊, 它是均衡式充電裝置的核心。在應急電源中, 當處于非應急狀態運行時, 應急電源的輸出通過開關直接由市電供給, 這時, 逆變器不工作, 各充電模塊給各節相應的電池進行充電或浮充電。當應急電源處于應急工作狀態時, 由電池組給逆變器供電, 通過逆變器輸出應急逆變交流電源。這時, 由于各充電模塊無交流輸入, 處于不工作狀態, 不影響蓄電池組的放電工作狀態。

圖2 電池組均衡式充電模式示意圖
在這種充電模式設計中, 各充電模塊的設計是關鍵。充電模塊的主要作用是對每節電池進行充電和浮充電。根據蓄電池的充電要求, 當電池端電壓低于標稱電壓或小于最高容許充電電壓時, 要求充電模塊具有恒流輸出功能, 實現對電池的恒流充電, 即所謂的主充電; 而當電池電壓達到電池最高容許充電電壓后, 這時要求充電模塊具有恒壓輸出功能, 使電池處于恒壓充電狀態, 即所謂的均充電。因此, 充電模塊應具有輸出穩壓和穩流輸出功能。另外, 本文所設計的充電模塊還應具有如輸出狀態指示、輸出斷線告警、交流輸入故障等相關的指示和告警功能。
由于在均衡式充電模式中, 每個充電模塊僅負責一節電池的充電, 因此充電模塊輸出電壓設計成12V標稱輸出電壓。輸出電流則根據電池的容量來確定。由于本均衡充電裝置主要是針對100A·h容量以下的EPS應急電源應用而設計的, 因此, 充電模塊的額定輸出電流一般不超過10A.這樣充電模塊的功率最大一般為200W左右。
3 充電模塊設計
在充電模塊的設計中, 應該說采用線性穩壓電源、相控式晶閘管電源和高頻開關電源均能滿足上述提到的充電功能要求。考慮到裝置的體積、重量、結構和維護的方便性, 本均衡充電裝置的充電模塊采用了高頻開關電源。由于模塊需要的功率不大, 在開關電源形式選擇上采用了反激式高頻開關電源。這種電源具有體積小, 效率高等特點。
一般的反激式高頻開關電源都設計成穩壓輸出, 在電池充電應用中, 要加入外圍電路實現恒流限壓充電。其原理結構框圖如圖3所示, 它主要由交流輸入整流電路、高頻反激式變換器、電流型脈寬調制電路、輸出反饋控制電路和保護告警及狀態指示等電路組成。下面分別介紹主要組成電路設計和工作原理。

圖3 充電模塊原理結構示意圖
3.1 高頻反激式變換器
高頻反激式變換器電路如圖4所示。在反激變換器中一般有兩種工作方式: 完全能量轉換和不完全能量轉換。當變換器輸入電壓在一個較大的范圍內發生變化, 或負載在較大范圍內變化時, 必然跨越兩種工作方式, 因此要求變換器能在兩種工作方式中都能穩定工作。

圖4 反激式變換電路[page]
圖5所示的是工作在完全能量轉換狀態下, 開關管Q1上的電壓與電流波形。在這種工作模式下, 每個開關周期被分為三個階段( 分別如圖中1、2、3所示) .在階段1, 開關管導通, 變壓器原邊電流沿斜線上升到峰值電流, 并將能量儲存在高頻變壓器中。
在階段2, 開關管關斷, 上一階段中變壓器儲存的能量傳遞給副邊。由于漏感的存在會產生尖峰電壓, 所以實際電路中利用鉗位電路( 圖4中的C1、R4、D2、R5、C2) 把電壓鉗制在開關管的漏- 源擊穿電壓值以下。在階段3, 感應電壓降為零。變壓器已將在階段1儲存的能量全部釋放, 但該電壓變化又通過激勵由雜散電容和初級電感構成的諧振電路, 產生衰減振蕩波形。

圖5 完全能量轉換的開關管電壓及電流波形
圖6所示的是工作在不完全能量轉換狀態下, 開關管的電壓及電流波形在這種工作模式下, 每個開關周期被分為兩個階段( 分別如圖中1和2所示) .在階段1, 開關管開始導通時, 由于變壓器還儲存有能量而使開始電流不為零。
變壓器在這階段繼續儲存能量。在階段2, 開關管關斷。上一階段儲存的能量傳遞到副邊, 但沒有把變壓器里面的能量完全釋放, 所以不存在完全能量轉換方式中的第3階段。

圖6 不完全能量轉換的開關管電壓及電流波形
在反激式變換電路設計中應注意以下問題:
a. 當反激式變換器以連續方式工作時, 有相當大的直流電流成分, 這時,必須有氣隙。適當的氣隙可以防止飽和狀態并平衡直流電流成分;
b. 在緩沖器中( 圖中C1、R4、D2) , 通過減少R4值或漏電感值, 可以抑制鉗位電壓的升高趨勢。但不能把鉗位電壓設計得太低, 因為反激過沖電壓提供一個附加強制電壓來驅動電能進入副邊電感, 使副邊反激電流迅速增大, 提高變壓器的傳輸效率;
c. 由于反激式變換器存在較大的紋波電壓, 太大的紋波電壓會使控制電路工作不夠穩定, 所以增加LC濾波器一定程度地降低了紋波。
[page]
3.2 電流控制型脈寬調制器
電流控制型脈寬調制器電路原理如圖7所示。電路核心是3842系列電流控制型脈寬控制芯片。

圖7 電流控制型脈寬調制器電路
反激變換器加假負載是必要的, 但對于解決空載振蕩效果不大, 因為假負載不能設計太大, 會影響整個變換器的效率。
假負載加上以后, 變換器只是工作在很輕負載條件下, 振蕩依然存在。這種振蕩是一種被稱為Burst Mode的模式, 也就是間歇工作模式。發生這種現象是由于空載、輕載時開關管開通時間過大, 引起輸出能量太大造成電壓過沖太大, 需要較長的時間去恢復到正常電壓, 因此開關管需停止工作一段時間。對于使用3842系列芯片的反激變換器來說,有一個較為有效的解決辦法。在鋸齒波輸出腳和電流檢測腳之間接入一個PF級的電容( 圖7中的C6) ,利用鋸齒波下降沿產生的抽流作用將檢測到的電流信號中因為門極驅動產生的信號剔除, 從而可以使得開關管得到一個最小的開通時間去保持輸出, 雖然也可能會出現間歇工作模式, 但是因為每個開關周期傳遞到副邊的能量很小, 所以不會出現振蕩現象。
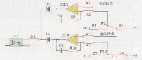
3.3 輸出反饋控制器
輸出控制器如圖8所示。圖8中利用兩個PI 調節器實現恒流限壓充電。
因為設計為單電池充電, 輸出最高電壓為15V, 可以直接用變換器輸出作為控制電路的電源, 所以IC1采用了單電源運算放大器。R3、R4及PTI組成充電電流調節, 可以實現電流在一定范圍內調節。R7、R8、PTU組成浮充電壓調節, 可以實現浮充電壓在一定程度調節, 因為不同電池的浮充電壓相差不大, 這個調節范圍不用太大, 而且最低電壓要保證運放的可靠工作。作為電流、電壓調節的基準電壓可以用TL431實現。光耦U1應該采用線性度比較好的光電耦合器。光耦的電流傳輸比大小基本沒有什么影響, 因為IC1的放大倍數足夠大, 只要U1原邊電阻足夠小,就可在副邊產生足夠大的電流信號。至于R11電阻的選擇, 只能選擇一個范圍, 即IC1運放的輸出電壓從最小值到最大值變化, 則電阻的選擇要求使原邊電流在某個范圍內變化, 反映到副邊的電流最大值要求使得UC3842 ( 圖7中的IC1) 的1腳能夠降到零。所以此電阻有一個最大選擇值, 當然阻值越小增益越高, 但增益過高會比較容易引起電路振蕩。選擇以后還需要按照電路的工作情況進行調整。

圖8 輸出反饋控制電路
3.4 充電浮充電狀態指示
對于本應用中, 只要比較反饋控制電路里的兩個PI調節器( 圖8中IC1A和IC1B) 的輸出端電壓高低, 就能實現狀態指示。當IC1A輸出電壓高于IC1B輸出電壓時, 電流反饋起作用, 電路處于充電狀態。反之, 處于浮充狀態。
[page]
3.5 外部斷線告警
外部斷線告警電路如圖9所示。在電池正常接在充電器輸出端時, 輸出限制在電池最大浮充電壓以下, R3上電壓低于5V, 比較器IC1輸出高電平。當發生斷線故障時, R3上電壓會升高到5V以上, 比較器輸出低電平。

圖9 外部斷線告警電路
4 試驗結果
穩流和穩壓精度測試數據見表1和表2.

表1 穩流精度測試數據

表2 穩壓精度測試數據
測試結果表明, 穩流精度為±2.0%,穩壓精度為±3%.由于電流取樣電阻的存在, 所以大電流輸出時存在電壓下降。對于充電器, 穩壓發生在浮充階段, 而浮充階段電流比較小,對于電壓的精度影響不大。電路的這種特性, 可以使電池電量較低時, 充電電流達到最大, 當電池電量快接近最大存儲電量( 電池快要充滿) 時, 充電電流開始減少, 有利于延長電池使用壽命。對于充電應用來說, 該充電模塊能夠很好地滿足使用要求。
5 結論
本文提出的均衡式充電模式能很好克服目前在EPS應急電源中大量使用的集中式充電模式所帶來的不足。能有效地防止蓄電池組中電池間的不均衡充電現象以及部分電池出現過充和欠充現象, 能提高EPS應急電源的可靠性, 延長電池組的使用壽命。另外, 所設計的單元充電模塊具有恒流限壓精度高、外圍電路簡單、易于生產、電源效率高等特點, 能夠很好地實現對電池的有效充電和維護。





