【導讀】針對LCD顯示器的LED背光源設計,傳統升壓型驅動器采用分立式電感與IC組合方案。雖然在小型顯示屏中表現良好,但在大尺寸應用中,所需控制器與電感數量大幅增加,導致物料成本與PCB占用面積顯著上升。這一問題正成為LED光源替代CCFL技術進程中的關鍵挑戰。
針對LCD顯示器的LED背光源設計,傳統升壓型驅動器采用分立式電感與IC組合方案。雖然在小型顯示屏中表現良好,但在大尺寸應用中,所需控制器與電感數量大幅增加,導致物料成本與PCB占用面積顯著上升。這一問題正成為LED光源替代CCFL技術進程中的關鍵挑戰。
一個電感器、一個IC、一串LED,這就是構建一款用于LCD顯示器背光源的升壓型LED驅動器的傳統方式。盡管對于那些只需要幾串LED的小型LCD顯示器而言這是一種非常合乎需要的解決方案,但在較大的顯示器當中,控制器IC和電感器的數目將以倍數地增加,從而使成本開支和PCB面積要求也是節節攀升。在人們競相采用堅固且具有出眾頻譜特性的LED來替代中等尺寸明亮顯示器中的CCFL之過程中,這是一個重大的障礙。
需要一種更好的驅動器以使LED背光源的成本和復雜性與CCFL大致相當。通過以高達每串30mA的電流來驅動6串各由10個LED組成的LED串,LT3598滿足了上述要求。該器件還具有一個內置的電源開關以節省空間和設計時間。效率通過一個自適應反饋環路來優化,該反饋環路負責監視所有的LED引腳電壓,以提供一個高至正好足以點亮全部LED串的輸出電壓。即使在VIN高于VOUT的情況下,LT3598也將繼續調節LED電流。LED電流降額可基于編程LED溫度(通過一個NTC電阻分壓器或通過設置晶片結溫來實現)。
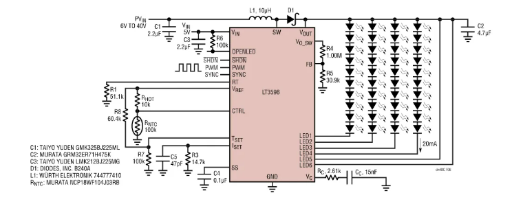
圖1示出了LT3598用于驅動60個LED的6個通道,每串LED的電流被設置為20mA。CTRL引腳和PWM引腳分別負責提供模擬調光和數字調光功能。True Color PWM?調光提供了恒定的LED色彩和一個3000:1的調光比。圖2示出了LED串之間的+0.5%典型電流匹配準確度,它產生了始終如一的光分布,這在大型背光源應用中是非常重要的。
圖1:用于驅動60個20mALED的LED驅動器
圖2:圖1所示電路的電流匹配
對于那些每串LED需要多于30mA電流的應用,可以容易地通過LT3598多個通道的組合來提供較高的LED電流。圖3示出了一種能夠以高達每串90mA的電流來驅動兩串LED的配置。在125°C結溫(最壞情況)條件下的1000:1 PWM調光波形示于圖4。
圖3:用于驅動兩串90mA LED的LED驅動器

圖4:圖3所示電路提供的1000:1 PWM調光(在125°C)
可通過設置TSET引腳電壓來限制LT3598的內部結溫。當達到該溫度時,如果結溫繼續增加,則LED電流將線性地減小(如圖5所示)。這種熱調整功能在高環境溫度條件下提供了重要的保護作用,并允許針對典型(而不是最壞情況)環境溫度來對某種給定的應用進行優化。

圖5:TSET功能在高溫條件下將減小LED電流
可以把未使用的LED引腳連接至VOUT來將它們停用,這樣就沒有電流流入停用的通道。故障檢測將忽略任何連接至VOUT的通道。圖6示出了一款具兩個停用通道的應用電路,它產生了高達90%的效率。

圖6:兩個停用的通道和4串LED
LT3598是一款具有一個內置電源開關的通用型LED驅動器,適合驅動多串LED。憑借其堅固的故障檢測功能,甚至還可以提供高PWM調光比。此外,當所有的LED串均開路時,一個電壓環路將調節輸出電壓。
推薦閱讀:







