【導讀】隨著科學技術與電子業技術的不斷發展更迭,有機發光二極管如何簡易并且有效的實現顯示均勻、大面積發光、高亮度高分辨率發光、以及延長有機發光二極管壽命等當前亟需解決的問題,是我們未來要面對的技術挑戰。今天小編給大家帶來幾個平日里做有源、無源oled顯示驅動設計的例子,以供大家作為電子設計參考。
一、驅動控制SSD1303實現96x64點陣PM-OLED
本例子使用Solomon公司的OLED顯示驅動電路SSD1303,結合AT89C51單片機實現驅動OLED顯示屏的方法。SSD1303是一款集控制器、行驅動器和列驅動器于一體的專用于OLED顯示控制驅動電路。
實驗中OLED結構陽極材料,采用ITO(銦錫氧化物),陰極則使用Mg與其他穩定金屬合金的辦法Mg:Ag做陰極,以提高器件量子效率和穩定性,并可以在有機膜上形成穩定堅固的金屬薄膜。
PM-OLED使用普通的矩陣交叉屏, OLED位于交叉排列的陽極和陰極中間,通過對陽極和陰極組合的選通,可以控制每一個OLED的點亮。
SSD1303芯片內部電路框圖如下圖1所示:

SSD1303芯片主要由MCU接口、命令譯碼器、振蕩器、顯示時序發生器、電壓控制與電流控制、區顏色譯碼器、和圖形顯示數據存儲器(GDDRAM)、行驅動和列驅動組成。這種IC的專用OLED驅動方案使OLED顯示性能最佳,降低了功耗。該器件采用TCP/TAB封裝。具有驅動最大132×64點陣的圖形顯示、提供的邏輯電源為2.4~3.5V、供給OLED屏的電源為7.0~16V、列輸出的最大電流為 320μA、行輸入的最大電流為45mA、低電流睡眠模式小于5μA、256級對比度控制,可編程幀頻、具有幾個MCU接口,如68/80并行總線和串行的周邊接口、132×65bit顯示緩沖器、可以垂直滾動、支持部分顯示、工作溫度:-40 oC~ 85 oC。
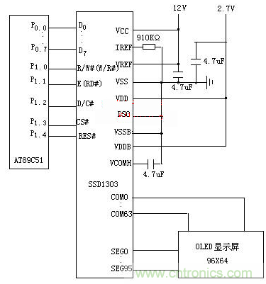
整個系統由單片機、控制驅動電路SSD1303和OLED顯示屏三部分組成.SSD1303與單片機接口的引腳有:DO~D7為與單片機接口的數據總線,R/W(RW#)為讀寫選擇信號,D/C為數據/命令選擇信號,CS#為片選信號,低電平有效,E(RD#)為使能信號,RES#為復位信號。單片機采用ATMEL 公司生產的低功耗、高性能的AT89C51, AT89C51與SSD1303和顯示屏的硬件接線如圖2所示,P1.0、P1.1、P1.2、P1.3、P1.4分別與SSD1303的 R/W(RW#)、D/C、CS#、E(RD#)、RES#相連,P0口與SSD1303的數據總線相連。其它引腳的連線VCC接12V,VDD接 2.7V,VSS接地等。下面通過程序來控制這些引腳,從而使OLED顯示需要的漢字或圖形。主程序軟件流程圖如圖3所示。

圖2 單片機AT89C51與SSD1303和顯示屏的硬件接線

圖3 主程序軟件流程圖
二、臺灣普誠PT6807/PT6808無源矩陣驅動方式
本案例采用ISL97702便攜式產品的DC/DC直流升壓電源電路,輸入電壓2.3~5.5V,輸出電壓根據負載輕重在2~30V范圍內可調;OLED顯示驅動采用PT6807和PT6808構建的無源矩陣驅動方式,適用于單色小尺寸OLED的顯示驅動。
只所以選擇ISL97702作為電源IC,需要考慮器件運行在最高效率的同時,盡可能的降低功耗并延長電池工作時間。ISL97702具有一種突發模式以及雙輸出電壓選擇功能,用以在輕載電流下保持轉換器的效率和電源的節約。并且ISL97702還具有浪涌電流限制、短路保護和關機期間負載隔離等功能。ISL97702的DC/DC直流升壓電源電路圖,如下圖所示:

基于ISL97702的DC/DC直流升壓電源電路圖
OLED顯示屏像素點,按行、列排成矩陣,顯示圖像時,按行掃描或按列掃描,無源矩陣的基本結構框圖,如下所示:

無源矩陣基本結構框圖
其中“行”是由公共驅動器PT6807依次選通,“列”則是由列選擇器PT6808根據圖形要求來開通。例如,圖中假如第一行只有第一個OLED導通就只有大約0.3mA,而假如第二行是所有OLLED都選通,而每一行一共有100個OLED,則其總電流大約為33mA。也就是說,其總電流是由每一行中的OLED數,就是其象素數決定。因為OLED的亮度是由其電流決定的,所以保持電流的穩定是很重要的。列驅動通常采用P溝道器件作為電流源。為保證其工作于飽和區,至少需要有2伏電壓,這樣其輸出電流隨VDS的變化將會小于1%每伏。當某一行有很多OLED導通時,它的總電流就比較大。這時在連接電極上就會有較大壓降,從而使VDS降低。而這種壓降又取決于顯示的圖形,而且是不可避免的。所以必須將電流受VDS的變化而變化的靈敏度降至最低。同時輸出電流的不均勻性也受到驅動器件的不一致性的影響,這種不均勻性可以靠提高VGS工作電壓和版圖匹配技術來減小。
128×128點陣模塊驅動接口,如下圖所示:

128×128點陣模塊驅動接口圖
1. 行驅動電路設計
PT6807是點陣OLED圖形顯示系統64路行驅動器,它利用CMOS技術,提供64個移位寄存器和64路輸出驅動,PT6807自己產生時鐘信號用來控制PT6808列驅動器。
PT6807可以設計為主,從兩種模式,為OLED驅動顯示提供方便;主/從模式選擇由控制腳MS來控制,在主模式下,選擇MS腳為高電平,輸入/輸出腳DIO1,DIO2,CL2只作為輸出腳來用;在從模式下,MS腳被置為低電平,輸入/輸出腳CL2作為輸入來用,而DIO1,DIO2的狀態由SHL腳來決定。
晶振電路:主模式下,可由R、C、CR端來決定時鐘頻率;在從模式下,晶振電路的R,C端為懸空狀態,CR端接高電平。
顯示占空比選擇:顯示占空比靠輸入腳DS1,DS2的狀態來決定;在主模式下根據DS1,DS2腳的設置來選擇占空比,有四種占空比1/48,1/64,1/96,1/128可供選擇;在從模式下,DS1,DS2腳與電源VDD相連。
移位時鐘和相位選擇:PCLK2用來選擇移位數據是在CL2時鐘信號的上升沿,還是下降沿移出;數據移位方向的選擇由MS,SHL腳來控制。
2. 列驅動電路設計
PT6808是點陣OLED圖形顯示系統64路列驅動器,它也利用CMOS技術,并提供顯示RAM、64位數據鎖存、64位驅動和解碼邏輯,內部顯示RAM用來存儲由八位微處理器傳來的顯示數據,它根據存儲數據產生點陣OLED驅動信號,與PT6807(行驅動器)配合使用。
輸入緩存用來允許和禁止PT6808,當輸入輸出數據和指令被執行時,CS1B和CS3必須處于工作狀態,不論CS1B和CS3處于任何狀態,RSTB和ADC都可以正常操作,并且內部狀態不會改變。
輸入寄存器用來與MPU接口,并臨時存儲要寫入顯示RAM的數據,當CS1B和CS3處于工作狀態時,輸入寄存器通過R/W和RS來選定,數據通過MPU被寫入輸入寄存器,然后寫入顯示RAM中,數據在E信號的下降沿被鎖入,通過內部操作自動寫入顯示RAM中。
輸出寄存器:當CS1B和CS3處于工作狀態,并且R/W和RS為高電平時,輸出寄存器用來臨時存儲顯示數據RAM,也即顯示數據RAM中的存儲數據被鎖存到輸出寄存器。當CS1B和CS3處于工作狀態,R/W為高,RS為低時,狀態數據(忙檢測)可以被讀出。
為了讀出顯示數據RAM中的內容,需要訪問讀指令兩次,在第一次訪問中,顯示數據RAM中的數據被鎖存到輸出寄存器中,在第二次訪問中,MPU讀鎖存數據。這就是說,在讀顯示數據RAM時需要一次假讀,但是,在讀狀態數據時不需要假讀。
為了克服在工作過程中當OLED亮度較高時的自動關屏問題,在寫入數據之前應該查看該項,若關屏,則將其打開,以保證OLED屏的正常工作。其中判斷是否關屏,若關閉則將其自動打開子程序如下:
Rs=0; // rs為數據/指令選擇腳
r_w=1; // r_w為讀/寫輸入腳
e =1; // e為允許信號輸入腳
busy = P3; // P3接數據線端口
e = 0;
if(busy&0x20==0x00) // 若為真,表示已關屏
{com=0x3f; // com為形參
wr_command(com);} // wr_command()是寫命令子程序
三、TFT-OLED模擬像素單元驅動/控制電路
AM-OLED驅動實現方案包括模擬和數字兩種。在數字驅動方案中,每一像素與一開關相連,TFT僅作模擬開關使用,灰度級產生方法包括時間比率灰度和面積比率灰度,或者兩者的結合。目前,模擬像素電路仍占主流,但在灰度級實現上,模擬技術與時間比率灰度和面積比率灰度理論相結合將會是將來的一個發展趨勢。在模擬方案中,根據輸入數據信號的類型不同,單元像素電路可分為電壓控制型和電流控制型。
電壓控制型像素電路
1.兩管TFT結構
電壓控制型單元像素電路以數據電壓作為視頻信號。最簡單的電壓控制型兩管TFT單元像素電路如圖1所示。

圖1 兩管TFT驅動電路
其工作原理如下:當掃描線被選中時,開關管T1開啟,數據電壓通過T1管對存儲電容CS充電,CS的電壓控制驅動管T2的漏極電流;當掃描線未被選中時,T1截止,儲存在CS上的電荷繼續維持T2的柵極電壓,T2保持導通狀態,故在整個幀周期中,OLED處于恒流控制。
其中(a),(b)被分別稱為恒流源結構與源極跟隨結構,前者OLED處于驅動管T2的漏端,克服了OLED開啟電壓的變化對T2管電流的影響;后者在工藝上更容易實現。兩管電路結構的不足之處在于驅動管T2閾值電壓的不一致將導致逐個顯示屏的亮度的不均勻,OLED的電流和數據電壓呈非線性關系,不利于灰度的調節。
2.三管TFT結構
基于第二代電流傳輸器原理的電壓控制型像素單元電路如圖2所示,虛線左邊可視為外部驅動電路,右邊為單元像素電路。

圖2 基于第二代電流傳輸器原理的像素電路
在控制模式下,T2和T3開啟,T1和運算放大器構成第二代電流傳輸器,由于運算放大器的放大倍數可以取得很大,T1管的閾值電壓對電流的影響變得不敏感,此時,流經T1的電流:
IT1=Vin/Rin
并且T1管源極電壓應低于OLED的開啟電壓,防止OLED開啟。在保持模式下,T2和T3關斷,存儲電容Cs維持T1管的柵極電壓,電流經T1進入OLED。其中放大器由COMS電路實現,所有同行像素可共用一個運算放大器。
仿真結果表明,盡管T3管存在電荷注入與時鐘饋漏效應,使得OLED電流略小于控制電流;在OLED標稱電流為1μA,閾值電壓漂移超過5V時,控制電流、OLED電流相對誤差分別為-0.18%、5.2%,成功補償了TFT的空間不均性和不穩定性。
雖然電壓控制型電路具有響應速度快的特點,但由于不能準確地調節顯示的灰度,難以滿足顯示的需求,于是人們提出電流驅動方案。電流控制型單元像素電路是以數據電流作為視頻信號的。

3管電流控制型TFT像素電路

4-TFT電流控制電流鏡像素電路
目前,全球已經有多家公司在從事OLED驅動IC的研究,到目前為止,還沒有完全商業化的AM-OLED的驅動IC。但NextSierra公司已推出了分別集成的TFT-OLED行列驅動NXS1008、NXS1009和控制芯片NXS1010,張志偉等人采用該系列芯片,通過MCS-51單片機的控制來驅動240×320×3點陣的TFT-OLED屏,實現了大信息量的動態圖形顯示。
由于液晶顯示器件的配套驅動芯片功能比較完善,且價格低廉,所以將此類芯片移用于有源矩陣顯示屏(AM-OLED)成為了國內外當前的研究焦點。顯示驅動IC是目前TFT-OLED的薄弱環節,開發通用或者專用的驅動IC,并集成控制電路,是提高OLED在平板及顯示領域競爭力的重要動力。
推薦閱讀:






