中心議題:
- 太陽能路燈電源系統
- 傳統升壓驅動器存在的問題
- LM3423 芯片
解決方案:
- LM3423 升壓驅動電路的設計
- 避免漏電流存在
- 提供LED 短路保護
一、引言
太陽能是綠色能源中最重要的能源,是取之不盡、用之不竭、廣泛存在的天然能源,其優點是極為豐富、潔凈、安全、價廉,對生態平衡沒有任何影響。太陽能LED 路燈不僅能利用清潔免費的太陽能以及高效環保的LED 給道路帶來照明,而且同時可以減少溫室氣體排放,實現綠色照明的目的。利用太陽能和LED 光源制成各種新型太陽能路燈,相同照度情況下比不用LED 的太陽能路燈節約太陽能電池和蓄電池容量40% ,光源壽命增加10 倍,可靠性提高5 倍,系統成本降低40%以上,同時也解決了常規太陽能路燈系統用交流逆變不可靠、低溫啟動難、系統造價高等缺點。[1]傳統太陽能路燈驅動器存在的問題是電池壽命短,升壓轉換器沒有任何防止短路出現的保護裝置,必須加設輸入保險絲提供保護,以免出現短路。采用NI(美國國家半導體)公司的LM3423 芯片,設計適用用于12/24V 電池輸入的太陽能LED 路燈驅動器,能夠有效解決傳統方式所存在的問題。提高社會經濟效益。
二、傳統升壓驅動器存在的問題
1.太陽能LED 路燈的電源系統結構

圖1 太陽能路燈電源系統結構
太陽能LED 路燈的結構如圖1 所示。太陽能電池板在太陽光的照射下,其內部PN 結會形成新的電子空穴對,在一個回路里就能產生直流電流,這個電流流入控制器,會以某種方式給蓄電池充電。蓄電池在白天的時候會接受充電,而在晚上則會提供能量給LED.
太陽能路燈采用升壓工作方式,這樣可以減少系統中LED 驅動器的數目,節約系統成本。升壓結構使得LED 串聯的數目不再受限于IC的耐壓,而是由MOS 來決定,因而可以串聯較多的LED.由于大多數的太陽能電池的輸出電壓都不高,因此太陽能路燈較適合使用升壓結構。
而選用電流模式的恒流設計,可以讓輸出電流不受輸入電壓變化的影響,在電池滿載以及快沒電時,都能讓路燈維持相同的亮度。
2.傳統升壓驅動存在的問題

圖2 傳統升壓驅動電路
(1)電池使用壽命短:圖2 中,即使關斷升壓轉換器主開關,Vin 與Vout 之間仍會形成一條電流泄露路徑,如果在輸出端接有任何負載,其中泄露電流Ileak 接近于Vin/Rload,那么漏電流的存在使的蓄電池一直處于工作狀態,這樣將會縮短電池的使用壽命。
(2)無短路保護裝置:圖2 中,當出現輸出端短路時,電流經過電感器,整流器和地,僅僅受到印刷電路板跡線電阻、整流器寄生電阻和電感器DCR 電阻的限制,沒有其他任何保護措施,即使主開關關斷,也照樣存在這個問題。因此必須加設輸入保險絲提供保護,以免出現短路。[page]
三、適用于太陽能路燈的LM3423 升壓驅動電路的設計
1.LM3423 芯片功能介紹
美國國家半導體研發的LM3423 芯片輸入電壓范圍在4.5V 到75V之間,適用于極寬的輸入電壓范圍;50KHZ 的快速PWM調光;內部基準電壓50mV- 1.25V;工作頻率最大可達到1MHZ;內部驅動能力750mA,超低電流停機小于2uA.可以用來配置升壓、浮動降壓、浮動降壓/ 升壓和SEPIC 拓撲結構中低側外部MOSFET的控制器;使用峰值電流模式控制器和預測性關閉時間設計來調節LED 電流,峰值電流模式控制器與預測性關閉時間設計的組合簡化了回路補償設計,同時提供內在的輸入電壓前饋補償;設有用于控制外部調光FET 和系統"零電流"關閉特點的集成驅動器;并且具有LED 狀態輸出標記、故障標記、可編程故障計時器和邏輯針腳,用于控制調光驅動器的極性。
2.避免漏電流存在
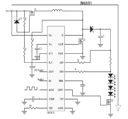
利用LM3423 設計升壓LED 驅動器電路如圖3 所示。圖3 中,當EN 引腳命令升壓轉換器失效之后,主開關,nDIMFET 引腳和FLT 引腳會被關閉,從Vin 流入的電流就會趨近與零,有效避免任何漏電流流入串聯一起的LED,因為此時的升壓轉換器已經失效。由于漏電流不再存在,停機時蓄電池可以達到充飽狀態,這樣可以有效延長電池使用壽命。

圖3 LM3423 升壓LED 驅動電路
3.提供LED 短路保護
圖3 中,如果串聯LED 與接地連接,形成短路,由FLT 引腳負責驅動的輸入端P- FET(圖3 中的Q1)會隨即被關閉,令輸入路徑成為開路,這樣不需要外加保險絲就能夠簡單實現LED 短路保護。
四、結論
基于美國國家半導體公司LM3423 芯片設計的太陽能LED 路燈驅動器,能夠有效延長電池使用壽命,提供可靠的短路保護措施,經測試,升壓效益也有了很大提高。隨著太陽能的普遍應用,太陽能LED 路燈的不斷完善,性價比的不斷提高,太陽能LED 將會普遍應用于城鄉道路照明系統,為社會提供環保經濟的資源。





