中心議題:
- D7001/7002的典型應用
- 高性能低成本LED軟燈條、護欄管解決方案
解決方案:
- LED軟燈條方案D7001/D7002可大幅減少芯片使用數量
下載本演講PDF版本
立即申請D7001/D7002樣品
楊曉鵬:我今天要介紹的是高性能低成本LED軟燈條、護欄管解決方案。LED裝飾燈的份額逐年擴大,目前已經占據80%的份額。西方的圣誕節會采用大量的裝飾燈來裝點節日氛圍,傳統的裝飾燈能源消耗很大。而采用LED裝飾燈,要比傳統照明節能85%,省電性能高,使用壽命長(可達50000小時以上),環保(無汞等有害物質)等優良的特點,確保了LED軟燈條在戶外,室內裝飾照明市場的優異表現。LED裝飾燈正成為一種潮流。
D7001、D7002套片是針對LED燈條、護欄管等裝飾產品的解決方案,與傳統產品相比,該方案具有高性能、高可靠性、設計簡潔、低成本等諸多優勢,為LED燈條、護欄管等產品升級換代提供了一個更優的解決方案。下面介紹下D7001、D7002的特點:
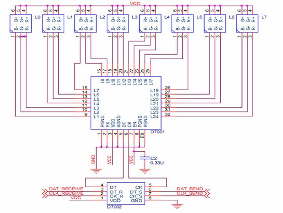
- D7001為具有24路輸出的LED驅動芯片,使用32腳5x5mm QFN封裝,在軟燈條上,這個面積已經很小了;
- D7002為總線驅動芯片,使用8腳SOP封裝。
- 應用本方案驅動24路單色LED或者8組RGB全彩LED僅需一顆D7001和一顆D7002。
下圖是套片典型應用線路圖。D7001可按照恒流及PWM的方式驅動24路。D7002用于接收主控發送的控制數據,并把控制數據傳遞到下一級D7002,從而實現燈條或護欄管的多級級聯。
該方案的特點是有豐富的顯示效果:
- D7001/7002應用了全新的控制方式并固化了多種預置顯示模式,并且可根據需求定制。
- D7001/7002芯片可以實現并超越任何現有燈條及護欄管產品的顯示效果。
- 流水燈、漸變、跳變、正反向移位、淡入、淡出、呼吸、七彩平滑過渡等各種顯示效果。
更高的可靠性:
- D7001/7002每組芯片有24路輸出,可以驅動8組RGB全彩LED,大幅度降低了芯片的級聯級數,提高了系統可靠性。
- D7001/7002總線僅需要兩條數據線,而且每級D7002都對總線數據進行了整形和再生和容錯處理,總線傳輸的可靠性就得以大幅度提高。
- D7001/7002最大限度的避免了控制信號中斷、顯示效果混亂以及長距離傳輸出錯等故障。
[page]
下面是D7001/7002的典型應用電路圖。上面是8顆5050 RGB LED,下面是LED驅動IC D7001和總線傳輸芯片D7002。外圍元件只需要兩顆電阻,一顆電容,元件非常少。

下面是一個寬度為15mm,長度為25cm的軟燈條PCB,一組D7001/7002及8個5050 RGB全彩LED。PCB上外圍器件很少,線路非常簡單。

下圖是一個護欄管PCB,尺寸80x12mm,此模塊可以應用在真八段或真六段護外控欄管上,電源電壓可以是12V或24V。

因為D7001/7002軟燈條、護欄管方案大幅減少芯片使用數量,下面是驅動8顆RGB LED方案的成本對比。得倍方案的芯片使用兩顆,一顆是LED恒流驅動芯片,一顆是總線控制芯片,外圍使用2顆電阻,1顆電容,LED燈的焊接點是46個。從對比可看出,得倍方案大幅度的減少了行業同類產品所使用的芯片數量,并簡化了電路設計、物料數量及生產工藝,從而節省成本。
【現場問答】
Q:D7002的級聯能夠聯多少?D7001能串聯幾顆LED?
楊曉鵬:軟燈條沒有串聯很多LED,級聯時有一個供電電壓的問題,線太長的話,壓降會很低,一般軟燈條的級聯在10米左右。如果是用在護欄管上,級聯幾百顆D7002肯定是沒有問題的。這款方案工作電壓是24V,可以串聯6顆LED燈。
Q:D7001/D7002方案可以聯多少顆LED燈?
楊曉鵬:D7001/D7002可以級聯幾百顆,這里說的是芯片的級聯,而不是LED燈的級聯,每組可驅動8組RGB LED燈,這樣算下來,LED燈的數量可以達到幾千顆。
Q:D7002時鐘速度最高能達到多少?
楊曉鵬:5-10M。市面上有些方案級聯時要刷數據,所以時鐘速率很高,我們的方案設計獨特,數據量不是很大,所以時鐘速度不需要太高,通常1M左右就很好了。D5026A的時鐘速率能到20-25M。
Q:D7001能并聯使用嗎?
楊曉鵬:我們不推薦D7001太多片并聯使用,就算很少的壓差,功率也會非常大。





