【導讀】隨著時間流逝,我們對每種設備的準確度水平也有點熟悉了,而且知道對設備報告的數字信賴到什么程度,例如剩余 10% 電量。在較大功率的多節電池應用中,如果用戶發現沒有充足的電量,情形可能更加緊急,例如使用電動自行車、電池備份系統、電動工具或醫療設備等情況。

引言
我們很多人都會用到電池供電設備,這類設備會顯示當前還有多少電量或運行時間,特別是因為,我們被家里的眾多小器具所包圍。從電動刮胡刀到平板電腦,我們依靠各種各樣的電池電量指示器,幫助確定是否以及怎樣繼續使用這些設備。隨著時間流逝,我們對每種設備的準確度水平也有點熟悉了,而且知道對設備報告的數字信賴到什么程度,例如剩余 10% 電量。在較大功率的多節電池應用中,如果用戶發現沒有充足的電量,情形可能更加緊急,例如使用電動自行車、電池備份系統、電動工具或醫療設備等情況。備用電池組也許并不總是現成可用,或者設備需要在特定的時長內連續運行,因此我們會重視準確的電池電量測量,或者重視評估在某一時刻電池或電池組還有多少電量。
除了充電、保護和電池電量平衡電路,電池電量測量一般也是智能化多節電池系統中會有的多種功能之一。不管提供什么功能,電池系統都面對一套獨特的設計挑戰,因為電池的電氣特性始終處于變化之中。例如,電池的最大容量 (也稱為健康狀態或 SOH) 和自放電速率始終隨時間流逝而降低,同時充電和放電速率隨溫度改變而變化。設計良好的電池系統盡可能多地連續應對這類參數漂移,以向最終用戶提供準確度一致的電池性能標準,例如充電時間、估計電量或預期電池壽命 (或剩余充電次數)。
簡言之,準確的電池電量測量需要準確的電池電量計 IC 和一個相關和針對電池的模型,以最終為系統提供人們最渴望的電池電量測量參數 ─ 充電狀態 (SOC),或者以最大容量的百分數表示的當前電池電量。盡管市場上有集成了電池模型和算法以直接估計 SOC 的電池電量計,但是經過抽絲剝繭,我們發現,這類設備的 SOC 估計方法往往過于簡化,代價是極大地損害了準確度。此外,這類設備通常僅適用于特定的電池化學組成,需要額外的外部組件以連接高電壓。現在來看一下圖 1 所示的凌力爾特 LTC2944,這是一款簡便的 60V 電池電量計,專門為準確測量單節或多節電池的電量提供了最基本的功能。

圖 1:LTC2944 60V 電池電量計
依靠庫倫計數
目前的研究顯示,精確的庫倫計數以及精確的電壓、電流和溫度是準確估計 SOC 的前提條件,迄今為止在這樣的前提條件下,所產生的最低誤差為 5%。這些參數使我們能夠準確地確定電池位于充電或放電曲線的哪一點上,這時庫倫計數不僅使電壓讀數更可靠,而且有助于區分曲線的任何平坦區域。圖 2 顯示了不同電池化學組成的典型放電曲線。庫倫計數有助于避開以下情形:設備長時間誤導性地報告 75% SOC,然后突然降至 15% SOC。這種情形往往發生在僅通過測量電壓來估算 SOC 的設備中。為了對庫倫計數,用戶要將庫倫計數器初始化至一個已知的、電池滿充電時的電池容量,然后當放電時倒計數,或充電時正計數 (以解釋部分充電)。這種方法的優勢是,電池化學組成不必是已知的。因為 LTC2944 集成了一個庫倫計數器,所以這款器件可以非常方便地復制和粘貼到多種設計中,而不受電池化學組成的影響。

圖 2:不同電池化學組成的典型放電曲線
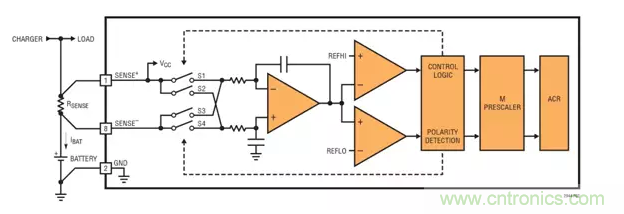
我們來看一下圖 3 中 LTC2944 怎樣對庫倫計數。請記住,電量是電流對時間的積分。LTC2944 通過監視檢測電阻器兩端呈現的電壓,以高達 99% 的準確度測量電量,檢測電壓范圍為 ±50mV,這里差分電壓加到一個自動調零的差分模擬積分器上以計算電量。當積分器輸出斜坡變化到高基準電平和低基準電平 (REFHI 和 REFLO) 時,開關切換以改變斜坡方向。然后控制電路觀察開關狀態和斜坡方向以確定極性。接下來,可編程預分比例器允許用戶按照 1 至 4096 的因子增加積分時間。隨著預分比例器每次下溢或上溢,累積電量寄存器 (ACR) 最終遞增或遞減一個數。

圖 3:LTC2944 以高達 99% 的準確度測量電量
值得一提的是,LTC2944 的庫倫計數器中使用的模擬積分器引入的差分偏移電壓最小,因此最大限度減小了對總體電量誤差的影響。很多庫倫計數電池電量計對檢測電阻器兩端的電壓進行模數轉換,并累積轉換結果以計算電量。在這種方法中,差分偏移電壓可能是主要的誤差源,尤其是在獲取小信號讀數時。例如,考慮一個電池電量計,該電量計采用基于 ADC 的庫倫計數器,最大規定差分電壓偏移為 20µV,當以數字方式對 1mV 輸入信號進行積分時,偏移導致的電量誤差會是 2%。相比之下,使用 LTC2944 的模擬積分器時,偏移導致的電量誤差僅為 0.04%,為前者的 1/50!
回到基本要素 - 電壓、電流和溫度
如果庫倫計數負責增強電壓讀數的可靠性和區分充電或放電曲線的平坦區域,那么電流和溫度就是負責獲取最相關的曲線以開始測量的參數。挑戰是,電池的端電壓 (連接到負載時的電壓) 受到電池電流和溫度的顯著影響。因此,電壓讀數必須用校正項進行補償,這些校正項與電池電流和開路電壓 (與負載斷接時的電壓) 隨溫度的變化是成比例的。因為僅為了測量開路電壓而在運行時斷開電池和負載的連接是不切實際的,所以好的做法是,至少逐個電流和溫度曲線調節端電壓讀數。
既然高 SOC 準確度是終極設計目標,所以 LTC2944 采用了一個 14 位無延遲增量累加 (No Latency ΔΣ™) ADC,分別以高達 1.3% 和 ±3°C 的保證準確度測量電壓、電流和溫度。實際上,LTC2944 的典型性能好得多。圖 4 中的曲線顯示,LTC2944 的某些有價值的準確度數字是怎樣隨溫度和電壓而變化的。圖 4a 顯示,測量電壓時,隨檢測電壓變化,ADC 總的未調整誤差一般在 ±0.5% 以內,而且相當恒定。類似地,圖 4b 顯示,測量電流時,隨溫度變化,ADC 增益誤差一般在 ±0.5% 以內。最后,圖 4c 顯示,就任何給定檢測電壓而言,溫度誤差在溫度變化時僅變化約 ±1°C。所有這些準確度數字加起來,可能很容易損害 SOC 準確度,這就是為什么在眾多性能規格中要注意特定電池電量計測量電壓、電流和溫度的準確程度,而這點是很重要。
圖 4a:測量電壓時 ADC 的增益誤差

圖 4b:測量電流時 ADC 的增益誤差

圖 4c:溫度誤差隨溫度的變化
測量電壓、電流和溫度時,LTC2944 提供 4 種 ADC 運行模式。在自動模式,該器件每隔幾毫秒連續執行 ADC 轉換,在掃描模式,該器件每 10 秒轉換一次,然后進入休眠模式。在手動模式,該器件按照命令進行單次轉換,然后進入休眠模式。無論何時,只要該器件進入休眠模式,靜態電流就被最大限度降至 80µA。LTC2944 的整個模擬部分還可以完全關斷,以進一步將靜態電流降至 15µA,因為用戶最不想要的一件事,就是電池電量計令人啼笑皆非地消耗大量電池功率。
便利的接口
用戶可以通過數字 I2C 接口,從 LTC2944 讀出電池電量、電壓、電流和溫度。用戶還可以通過 I2C,配置幾個 16 位寄存器,這樣就可以讀出狀態、控制接通/斷開并針對每個參數設定可報警的高低門限。有了報警系統,就無需軟件連續輪詢,因此 I2C 總線和主機有時間去執行其他任務。此外,ALCC 引腳既用作 SMBus 警報輸出端,又用作可連至電池充電電路充電完成輸出端的充電完成輸入端。有了所有這些數字功能,有人可能仍然會問:“為什么 LTC2944 中沒有置入電池電量曲線或容量 / SOC 估計算法?” 答案很簡單 ─ 這完全歸結為 (也許不出所料) 準確度問題。
盡管內置電池電量曲線和算法的電池電量計可以簡化設計,但是作為真實世界電池行為的模型,這些曲線和算法常常次數不足或缺乏相關性,在測量過程中草率地犧牲了 SOC 準確度。例如:用戶可能被迫使用由未規定的來源或在未知溫度范圍內產生的通用充電和放電曲線;曲線和算法也許不支持用戶使用的電池化學組成,這對 SOC 準確度造成了又一個打擊。重點是,準確的電池建模一般會考慮很多變量,而且足夠復雜,這樣對用戶才是有意義的,用戶可以用軟件對自己的電池建模,以獲得最高的 SOC 準確度,而不是依靠不準確的通用內置模型。這類內置模型還使電池電量計不夠靈活,難以在不同設計中重用。換個說法,更改軟件比更改硬件容易得多,與更換也需要配置的電池電量計相比,更改特定于應用的代碼容易得多。
如果通過非常方便的 I2C 接口提供所有這些必要的電池測量參數和無與倫比的準確度還不夠的話,那么高壓功能就是使 LTC2944 真正不同于今天市場上其他電池電量計之處了。LTC2944 可直接從低至 3.6V 的電池到高達 60V 的滿充電電池組供電,從而滿足了從低功率便攜式電子產品到大功率電動型汽車的任何應用的需求。無需在電源或測量引腳上使用額外的電平移位電路而使設計復雜化,電池 (或電池組) 與 LTC2944 之間可以直接連接,這極大地簡化了硬件設計。最大限度減少外部組件數量也降低了總體功耗,并提高了準確度,因為不存在電阻分壓器等組件。
結論
電池電量測量本身是一門藝術,因為有很多相互依賴的、影響 SOC 的參數。全球的專家們都認為,準確的庫倫計數與電壓、電流和溫度讀數相結合,為估計 SOC 提供了最準確的方法。LTC2944 電池電量計提供所有這些基本測量,并有意不包括內部電池模型,從而允許用戶在特定于應用的軟件中采用對自己有意義的電量曲線和算法。此外,通過 I2C 非常容易訪問測量及配置寄存器,同時高達 60V 的多節電池可以直接與 LTC2944 連接。對任何數量、任何化學組成的電池進行電量測量從來沒有這么容易,或者更重要的是,從來沒有這么準確。
免責聲明:本文為轉載文章,轉載此文目的在于傳遞更多信息,版權歸原作者所有。本文所用視頻、圖片、文字如涉及作品版權問題,請電話或者郵箱聯系小編進行侵刪。


