【導讀】電磁鐵對外產生的磁場與流過的電流之間,在電磁鐵沒有飽和之前大體呈現線性關系。如果忽略磁滯、磁飽和等非線性的特點,可以通過控制流經電磁鐵的電流來控制它的電磁吸引力。
電磁鐵一般可以等效成電感
和電阻
的串聯。流經的穩態電流
與施加在電磁鐵兩端的平均電壓
之間的關系為:
。在通常情況下,可以使用PWM來驅動電磁鐵,達到很高的工作效率。
如果雙極性PWM電壓波形的峰值為
,PWM的占空比為
,則PWM的等效平均電壓為:
其中
的取值范圍是:
。
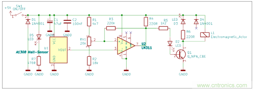
使用單管驅動電磁鐵的電路比較簡單,但這與使用橋電路產生雙極性的PWM之間有很大的區別。電磁鐵的電流在晶體管導通時,由電源電壓VCC驅動下增加,在晶體管截止時通過續流二極管以及電阻Rf和R0(電磁鐵的內阻)電流下降。此時流經電磁鐵的電流
與驅動的PWM的占空比
之間就不再是一個線性關系了。

▲ 使用晶體管驅動電磁鐵示意圖
本文通過理論分析和實驗來研究,在單管驅動電磁鐵的情況下:
● 流經電磁鐵的電流與占空比之間的關系。
● 增加續流電阻Rf如何影響電磁鐵與占空比之間的線性性。
通過這些分析,為后面使用電磁鐵做控制建立下很好的數學關系和電路設計參數。
01實驗研究
先通過實驗研究,獲得在一般情況下單管晶體管驅動電磁鐵的占空比與流經電流之間的關系,然后在后面進行理論分析。
在實驗中,使用 線性霍爾[1] 器件來測量電磁鐵的鐵芯磁場來間接反映電流的大小。
1.實驗中的元器件
(1) 功率晶體管
使用在 磁懸浮地球儀拆解[2] 中拆卸下的中功率NPN晶體管 D882 作為實驗中的三極管。

▲ D882中功率NPN三極管的主要參數
(2) 續流二極管
使用 20ETF06S[3] 作為電路中的續流二極管。

▲ 快速恢復二極管 20ETF06S
使用萬用表測量20ETF06S的二極管前向導通電壓為:0.351V。

▲ 電路中的兩個半導體器件 | D882 , 20ETF06S
(3) 線性HALL
使用 線性HALL 3503[4] 測量電磁鐵的磁芯磁場。
(4) 單片機板
使用 集成兩路MAX1169的STC8G1K08模塊,帶有兩路PWM輸出[5] 中的單片機實驗模塊所產生的PWM以及16-bitAD 轉換器來測量HALL的輸出。
(5) 電磁鐵
使用所使用的電磁鐵包括以下幾種。
● 在 磁懸浮地球儀拆解[2] 中的電磁鐵和HALL框架;
● 在 使用STC8H1K28控制微型磁懸浮[6] 中的繼電器的磁鐵;
● 使用一款在TB購買的 電磁鐵[7] 作為測量對象。

▲ 購買到的電磁鐵
基本參數: 電阻R=16Ω;電感(1kHz)L=13.37mH。
2.實驗電路
使用 低價電阻箱-阻值測試[8] 作為R1,用于動態調整R1。在面包板上將實驗電路搭建起來。

▲ 實驗電路
選擇VCC為12V電壓。測量單片機發送的PWM波形以及T1集電極電壓波形如下,大體驗證實驗電路工作正常。

▲ 單片機發送的PWM波形以及T1集電極電壓波形
3.測試數據
(1) 測試購買的電磁鐵
設置R1= 0歐姆:

▲ HALL輸出與PWM設置之間的關系
R1=10歐姆

▲ HALL輸出與PWM設置之間的關系
設置R= 100歐姆

▲ HALL輸出與PWM設置之間的關系

▲ 不同的R1對應的PWM與HALL取值之間的曲線
02理論分析
1.分析假設
由于電路存在著很多非線性環節,它的分析根據電路不同的工作狀態,所得到的結果也各有變化。下面先就一種比較簡單的情況進行分析:
1. 電感中的電流始終保持連續;
2. 對于續流二極管D1,晶體管T1的導通電壓假設都是0;
3. 電感等效為電感與電阻的的串聯:
;
4. PWM的周期為,
,占空比為
。那么晶體管打開的時間
和關斷時間
分別是:
那么電感的電流變化可以分解成兩個不同的階段:
● 晶體管導通階段;
● 晶體管截止階段;

2.電流變化以及平均值
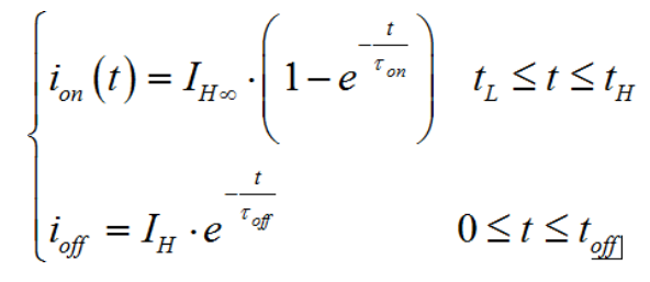
根據前面的假設,電流的變化曲線如下圖所示。

▲ 電感中的電流變化曲線
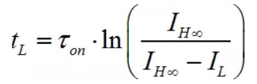
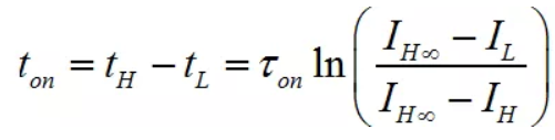
(1) 計算穩態下電流波動的峰值:
利用假設的簡化條件,可以得到電流上升和下降的漸進穩定的電流分別是:
。可以列寫出在電流上升階段和下降階段的對應的指數函數方程。在晶體管導通器件,電感電流指數上升:

其中:

那么

同理可得:

可知:

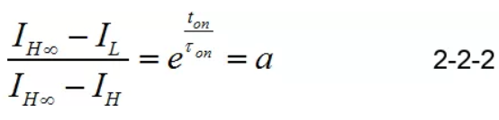
令:

分析晶體管截止的過程,可以得到:

其中時間常數:
。
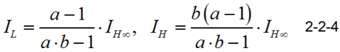
聯合2-2-2, 2-2-3可以求解出
:

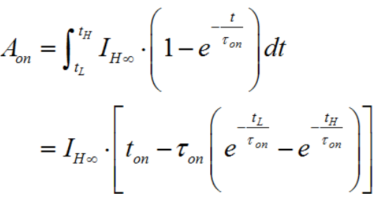
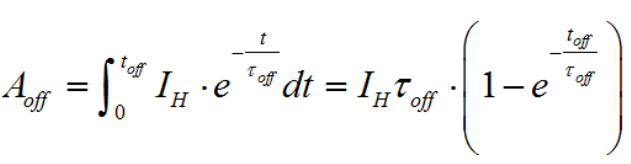
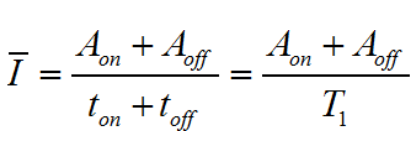
(2) 計算穩態下電流平均值
在得到
的情況下,計算此時對應的電流平均值。根據電流在上升和下降兩個階段的方程,來計算曲線的面積。

上升階段的電流積分面積:

電流下降階段的積分面積:

平均電流:

如果反饋續流電阻R1= 0,那么施加在的電感上的電壓平均值就與占空比成正比,流經的電流與占空比之間就是線性關系。
3.數值仿真結果
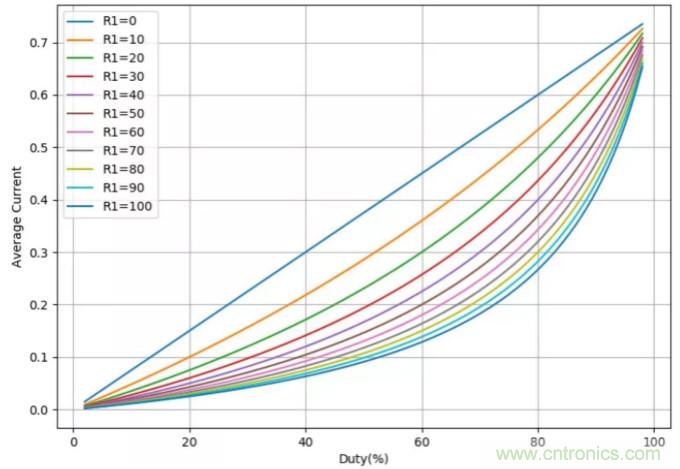
根據前面實驗中的條件,確定比較符合實際實驗的一些參數:
● 工作電源:Vcc=12V
● 電感等效串聯直流電阻:RL=16Ω
● 電感電感量:L1=13.37mH
● PWM周期:T1=1/fpwm=29.26us
● 續流串聯電阻:R1從0變化到100歐姆

▲ 對于不同的R1得到的占空比與電流之間的關系
從上圖可以看到當續流二極管上串聯的電阻R1=0時,流經電感電流
與占空比
之間就是一個線性關系:

隨著R1的增加,電流與占空比之間的非線性就逐步增大了。
※ 結論
● 通過實驗和理論仿真分析,對于普通的電磁鐵使用單管驅動時,在續流電阻接近為0的時候,流經的電流大小與單管的占空比成正比。
● 通過在續流二極管增加串聯電阻,將會改變原來的線性關系。使得電流在占空比比較小的情況下上升緩慢,在占空比比較大的時候上升增加。
● 存在的疑問:那么為什么在有些設計中會在這兒增加串聯電阻?比如別人下面的設計中:

▲ 一種簡易的磁懸浮小玩意兒

參考資料
[1] 線性霍爾: https://zhuoqing.blog.csdn.net/article/details/107100857
[2] 磁懸浮地球儀拆解: https://zhuoqing.blog.csdn.net/article/details/107389196
[3] 20ETF06S: https://pdf1.alldatasheet.com/datasheet-pdf/view/99296/IRF/20ETF06S.html
[4] 線性HALL 3503: https://pdf1.alldatasheet.com/datasheet-pdf/view/55096/ALLEGRO/3503.html
[5] 集成兩路MAX1169的STC8G1K08模塊,帶有兩路PWM輸出: https://zhuoqing.blog.csdn.net/article/details/107532306
[6] 使用STC8H1K28控制微型磁懸浮: https://zhuoqing.blog.csdn.net/article/details/107226078
[7] 電磁鐵: https://detail.tmall.com/item.htm?id=600997611114&spm=a1z09.2.0.0.34ba2e8dqvkxlu&_u=nnvskcdb822
[8] 低價電阻箱-阻值測試: https://zhuoqing.blog.csdn.net/article/details/107112157
推薦閱讀:




