- 電磁感應產生傳導干擾的原理和解決方法
- 輻射干擾的產生原理和解決方法
電磁感應產生傳導干擾
我們知道,在開關電源里面,開關電源變壓器是最大的磁感應器件。反激式開關電源變壓器,就是通過把流過變壓器初級線圈的電流轉換成磁能,并把磁能存儲在變壓器鐵心之中,然后,等電源開關管關斷的時候,流過變壓器初級線圈的電流為0的時候,開關電源變壓器才把存儲在變壓器鐵心之中磁能轉換成電能,通過變壓器次級線圈輸出。開關電源變壓器在電磁轉換過程中,工作效率不可能100%,因此,也會有一部分能量損失,其中的一部分能量損失就是因為產生漏磁,或漏磁通。這些漏磁通穿過其它電路的時候,也會產生感應電動勢。感應電動勢的大小可由(13)、(14)或(16)式求得。
圖8是磁感應產生傳導干擾的原理圖,圖8表示開關電源變壓器產生的漏磁通穿過其它電路時,在其它電路中也產生感應電動勢,其中漏磁通M1、M2、M3產生的感應電動勢e1、e2、e3屬于是差模干擾信號;M5、M6、M7、M8產生的感應電動勢e5、e6、e7、e8屬于是共模干擾信號。

圖8
圖9是開關電源變壓器產生的漏磁通的原理圖。開關電源變壓器的漏磁通大約在5%~20%之間,反激式開關電源變壓器為了防止磁飽和,在磁回路中一般都留有氣隙,因此漏磁通比較大,即:漏感比較大。因此,產生漏感干擾也特別嚴重,在實際應用中,一定要用銅箔片在變壓器外圍進行磁屏蔽。從原理上來說,銅箔片不是導磁材料,對漏磁通是起不到直接屏蔽作用的,但銅箔片是良導體,交變漏磁通穿過銅箔片的時候會產生渦流,渦流產生的磁場方向正好與漏磁通的方向相反,是部分漏磁通被抵消,因此,銅箔片也可以起到磁屏蔽的作用。

圖9
檢測漏磁通干擾的簡便方法是,用示波器探頭接成一個小短路環進行測量,最簡便的方法就是把探頭與地線端短路連在一起,相當于一個磁感應檢測線圈。把磁感應檢測線圈靠近變壓器或干擾電路,很容易看到干擾信號的存在。
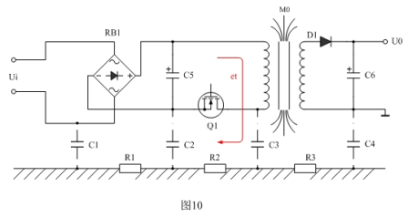
值得一提的是,開關電源變壓器初級線圈的漏感產生的反電動勢et,在所有干擾信號之中是最不容忽視的,如圖10所示。當電源開關管關斷的時候,開關電源變壓器初級線圈的漏感產生的反電動勢et幾乎沒有回路可釋放,一方面,它只能通過初級線圈的分布電容進行充電,并讓初級線圈的分布電容與漏感產生并聯諧振;另一方面,它只能通過輻射向外進行釋放,其中通過對地電容C3與大地相連,也是反電動勢et釋放能量的一個回路,因此,它對輸入端也會產生共模信號干擾。

輻射干擾
輻射干擾一般是通過電磁感應的形式在空間進行傳播的,圖11是測試電子設備產生輻射干擾的基本方法,或表示電子設備產生的干擾信號通過電磁感應向空中輻射的原理。圖11中,電子設備表示干擾信號源,V1表示測量儀表,C1表示電子設備對大地的電容,C2表示電子設備與天線偶合的電容,即:電子設備通過電場對天線產生感應,這里的天線也可以看成是被干擾的設備。圖11的測試方法就是測試電子設備周圍規定距離某處的電磁場強度,由于干擾信號一般都是一個頻率成份非常豐富的非正弦波,因此,無法對它進行直接測量,只能對它其中某一個頻率信號單獨進行測量。

電子設備與天線感應產生的電流是位移電流,一般頻率很高的位移電流在電路中每處的電流方向以及電流大小和電壓幅度都是不一樣的,我們無法對它直接進行測量,因此,在進行信號測量的時候一般都使用諧振天線,使天線諧振回路對某個頻率的干擾交流信號產生諧振,然后再檢測諧振信號的電壓幅度。在測試過程中,天線需要經常進行調諧,調諧就是調節天線振子的長度,或磁感應天線諧振回路中的電容,更多的是調諧選頻放大器輸入回路中的諧振電路參數。

圖12是極化天線的工作原理圖,圖12-a)和圖12-b)表示天線在電場中被感應產生極化的兩種不同情形。所謂極化就是導體或物體在電場力的作用下產生帶電,這種帶電是極化帶電,即:導體或物體的一端帶正電,而另一端帶負電。一般地說,導體或物體被極化帶電,只是兩端帶電,而中心點是不帶電的。由于,極化天線的電場是一個交變電場,所以,天線總是在圖12-a)和圖12-b)之間來回變化。12-a)和圖12-b)最左邊的圖形是表示電場方向和天線的電荷分布曲線,中間圖形表示載流子在極化天線中流動,右邊圖形表示天線的等效電路。
天線來回極化的工作原理可以等效成一個串聯諧振電路,當天線在電場力的作用下被極化帶電時,它又相當于一個電容在充電;當天線中的載流子在電場力的作用下來回移動時,它又相當于一個電感,并且在天線的周圍會產生磁場。
當天線諧振電路產生諧振時,在天線串聯諧振電路中會產生很大的諧振電流和很高的諧振電壓(假設諧振電路的品質因數非常高),但實際使用的測量天線品質因數都不高,因為天線還要輸出能量,即:需要從天線中取出測試信號。要想從天線中取出信號,可以通過高頻信號線(雙線)把兩根天線串聯起來,相當于電纜線連接在兩根天線的中間,然后把高頻信號線(雙線)的另一端作為輸出;另一種方法是,高頻信號線(雙線)其中的一條接天線,另一條接大地,高頻信號線(雙線)的另一端作為輸出。前一種天線一般叫半波雙振子天線或全波雙振子天線,后一種叫半波或全波單振子天線。顯然,雙振子天線性能要比單振子天線好很多。
這種測量方法是不很精確的,但沒有其它更好的方法。因為,任何諧振回路都是一個儲能電路,這種儲能電路是一點、一點地把電能量進行積累并存儲起來的,在進行能量積累的過程中自身也會損耗能量,最后達到接收能量與損耗能量完全平衡的時候,諧振回路的電壓幅度才停止增長,即:諧振回路的電壓幅度與諧振回路的品質因數Q值有關,但諧振回路的品質因數Q值對于不同頻率信號是不一樣的,并且這種諧振回路無法檢測干擾脈沖的瞬時值。
圖13是諧振回路產生諧振的工作原理圖。圖13-a)是一個含有諧波分量非常豐富的電壓方波,圖13-b)是LC串聯回路產生諧振時的電壓波形。當電壓方波作用于LC串聯回路時,方波的前后沿都會對LC串聯回路產生激勵(即接收能量),每次激勵過后又會產生阻尼振蕩(即損耗能量),當輸入電壓波形的上升率dv/dt值大于諧振回路波形(正弦波)的上升率時,電路就會產生激勵;當輸入電壓波形的上升率dv/dt值小于諧振回路波形的上升率時,電路就會產生阻尼。
由于每次激勵過后振蕩回路的能量還沒有損耗完,緊接著又來一次新的激勵,使振蕩電壓一次、又一次地進行疊加,如果激勵的相位與振蕩波形的相位能保持同步,則振蕩電壓的幅度會越來越高,直到激勵的能量與電路損耗的能量相等為止。因此,當諧振回路的品質因數Q值很高時,諧振電壓也可以升得很高,理想的情況是Q值無限高(即天線沒有損耗),則產生諧振電壓的幅度也會升得無限高,但這種情況是不存在的。
從圖13還可以看出,LC串聯回路產生諧振時的電壓幅度與激勵波形的相位密切相關,而與激勵波形的幅度反而相關不是特別大。如果圖13-a)中的電壓方波之間的相位或周期不是嚴格保持相等,那么圖13-b)中的波形就會產生嚴重抖動,并且諧振電壓的幅度也會下降很多。因此,用圖11中的測量方法并不能完全客觀地測量出干擾信號在某空間處的電磁場強度。
另外還需指出,測試用的接收天線還分電場感應電線和磁場感應天線,還有電磁場感應天線。圖11中僅以電場偶合天線為例進行分析。
圖13中只是對干擾信號接收天線的原理進行了分析,實際應用中天線是不具體區分接收天線和發射天線的,兩者都可以同用一根天線。因此,電路中任何帶電的導體或有電流流過的導體都可以看成是發射天線。從圖11可以看出,電子設備產生輻射干擾的大小除了干擾信號幅度之外,還與感應電容C1、C2的大小有關,即:與電場輻射的面積有關(電容與面積大小成正比),與磁場輻射的面積也有關,因此,盡量減小干擾信號的輻射面積是一種降低輻射干擾的好辦法。
圖13 是諧振回路產生諧振的工作原理圖。圖13-a)是一個含有諧波分量非常豐富的電壓方波,圖13-b)是LC 串聯回路產生諧振時的電壓波形。當電壓方波作用于LC 串聯回路時,方波的前后沿都會對LC 串聯回路產生激勵(即接收能量),每次激勵過后又會產生阻尼振蕩(即損耗能量),當輸入電壓波形的上升率dv/dt 值大于諧振回路波形(正弦波)的上升率時,電路就會產生激勵;當輸入電壓波形的上升率dv/dt 值小于諧振回路波形的上升率時,電路就會產生阻尼。
由于每次激勵過后振蕩回路的能量還沒有損耗完,緊接著又來一次新的激勵,使振蕩電壓一次、又一次地進行疊加,如果激勵的相位與振蕩波形的相位能保持同步,則振蕩電壓的幅度會越來越高,直到激勵的能量與電路損耗的能量相等為止。因此,當諧振回路的品質因數Q值很高時,諧振電壓也可以升得很高,理想的情況是Q值無限高(即天線沒有損耗),則產生諧振電壓的幅度也會升得無限高,但這種情況是不存在的。

圖13
從圖13還可以看出,LC串聯回路產生諧振時的電壓幅度與激勵波形的相位密切相關,而與激勵波形的幅度反而相關不是特別大。如果圖13-a)中的電壓方波之間的相位或周期不是嚴格保持相等,那么圖13-b)中的波形就會產生嚴重抖動,并且諧振電壓的幅度也會下降很多。因此,用圖11 中的測量方法并不能完全客觀地測量出干擾信號在某空間處的電磁場強度。
另外還需指出,測試用的接收天線還分電場感應電線和磁場感應天線,還有電磁場感應天線。圖11中僅以電場偶合天線為例進行分析。圖13 中只是對干擾信號接收天線的原理進行了分析,實際應用中天線是不具體區分接收天線和發射天線的,兩者都可以同用一根天線。因此,電路中任何帶電的導體或有電流流過的導體都可以看成是發射天線。從圖11 可以看出,電子設備產生輻射干擾的大小除了干擾信號幅度之外,還與感應電容C1、C2的大小有關,即:與電場輻射的面積有關(電容與面積大小成正比),與磁場輻射的面積也有關,因此,盡量減小干擾信號的輻射面積是一種降低輻射干擾的好辦法。





