【導讀】減少浪涌電流的另一種方法是減少啟動期間轉換器上的負載。這降低了浪涌電流中與負載相關的部分,并且僅留下由輸入濾波電容引起的部分。減載的基本方式有兩種:輸出軟啟動和輸出負載切換。
減少浪涌電流的另一種方法是減少啟動期間轉換器上的負載。這降低了浪涌電流中與負載相關的部分,并且僅留下由輸入濾波電容引起的部分。減載的基本方式有兩種:輸出軟啟動和輸出負載切換。
負載限制
減少浪涌電流的另一種方法是減少啟動期間轉換器上的負載。這降低了浪涌電流中與負載相關的部分,并且僅留下由輸入濾波電容引起的部分。減載的基本方式有兩種:輸出軟啟動和輸出負載切換。
輸出軟啟動與具有輸出電壓調節功能的轉換器配合使用,主要為電阻負載供電。由于輸出電流與輸出電壓成正比,如果輸出電壓初始設置較低,則輸出電流也會較低,因此浪涌電流也會較低。然后允許輸出電壓斜坡上升至工作電壓。
圖 1 顯示了使用 RECOM R-6112x 降壓穩壓器系列的此方法的示例。當轉換器通電時,電容器C1放電。PNP 型晶體管完全導通,VADJ 引腳被上拉至 VOUT+ 電壓。這導致輸出電壓被設置為輸出電壓。例如,對于在 1 A 輸出時標稱電壓為 12 V 的 R-6112x 轉換器,輸出電壓將在 275 mA 或大約滿負載的四分之一時調節至 3.3 V。當 C1 通過 R1 充電時,通過 TR1 的電流減少,輸出電壓逐漸上升,終達到滿標稱輸出電壓。二極管 D1 確保轉換器關閉時 C1 快速放電,為下輸出軟啟動做好準備。
欠壓鎖定
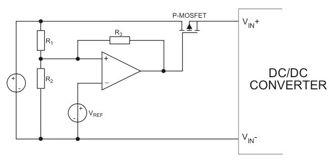
如果輸入電壓太低,輸入電流可能會超出 DC/DC 轉換器組件的設計限制。因此,一些轉換器具有內部控制電路,如果輸入電壓降得太低,該電路會禁用轉換器。該電路稱為欠壓鎖定 (UVL)。
不應低估 UVL 電路的有用性。以需要 12 V 電源提供 12 W 輸出功率的應用為例。在標稱輸入電壓下,1 A 電源就足夠了,因此可能指定 1.5 A 主電源。該轉換器的輸入電壓范圍通常為 9 – 18 V,因此在加電時,一旦輸入電壓升至 9 V 以上,它就會開始工作,電流為 1.3 A。但是,如果沒有 UVL 電路,轉換器可能會嘗試僅以 7V 啟動,即使這超出了規格,電流為 1.7A。這高于輸入電壓下主電源的電流限制,將會崩潰。在轉換器終正確啟動之前,電源和轉換器可以相互交互幾個周期。同時,
因此,UVL 功能不僅可以保護 DC/DC 轉換器,還可以保護負載和主電源免受過流影響。如果 DC/DC 轉換器不具備內置 UVL 功能,則可以使用圖 3 中所示的外部電路來禁用轉換器,直到輸入電壓建立為止。帶有內置參考電壓的運算放大器(例如 LM10)是合適的選擇。
免責聲明:本文為轉載文章,轉載此文目的在于傳遞更多信息,版權歸原作者所有。本文所用視頻、圖片、文字如涉及作品版權問題,請聯系小編進行處理。
推薦閱讀:
Microchip FPGA采用量身定制的PolarFire FPGA和SoC解決方案協議棧




