【導讀】傳統的汽車和電動汽車系統都依賴于無數電子設備的有效運行,以實現便利功能以及關鍵任務功能安全功能。雖然提出了各種各樣的要求,但這些不同的應用從根本上要求能夠在極端條件下運行,同時提供可靠、高性能的實時響應。
傳統的汽車和電動汽車系統都依賴于無數電子設備的有效運行,以實現便利功能以及關鍵任務功能安全功能。雖然提出了各種各樣的要求,但這些不同的應用從根本上要求能夠在極端條件下運行,同時提供可靠、高性能的實時響應。
因此,開發人員對一個一致、強大、支持良好且可擴展的平臺的需求不斷增長,該平臺能夠幫助簡化不斷擴大的汽車和電動汽車用例的設計和開發。
本文討論了Microchip Technology的一系列數字信號控制器(DSC),這些控制器可以滿足這些要求,并介紹了這些DSC在汽車和電動汽車系統中必不可少的功能參考設計中的應用。
多樣化的設計挑戰需要靈活的解決方案
無論是為傳統車輛還是電動汽車設計,開發人員都需要解決越來越多的應用問題,包括功率轉換子系統、車載無線充電、數字照明系統和電機控制系統,從相對簡單的步進電機應用到電動汽車 (EV) 和混合動力汽車 (HEV) 中復雜的再生制動系統。隨著對功能安全的關鍵任務要求,隨著汽車制造商努力應對消費者需求和競爭壓力,要求在更高的安全性、便利性、功能性和性能方面,設計占地面積和物料清單 (BOM) 要求的重要性不斷提高。
為了滿足這些要求,該行業已經在幾乎每個車輛子系統中都急劇轉向數字解決方案。傳統乘用車的子系統已經依賴于微控制器(MCU),其運行的軟件代碼是商用飛機的四倍。[1].
Microchip Technology 的dsPIC33 DSC 系列專為滿足這些不同的要求而設計,使用具有專用功能的系列成員。該系列的最新成員dsPIC33C擴展了dsPIC33E和dsPIC33F DSC的性能和功能,適合面向更復雜應用的開發人員。
這些 DSC 基于數字信號處理器 (DSP) 內核,將 MCU 的簡單性與 DSP 的性能相結合,以滿足對高性能、低延遲、實時功能不斷變化的要求,同時保持最小的占用空間和 BOM。利用Microchip廣泛的dsPIC33開發板、參考設計和軟件開發工具生態系統,開發人員可以利用dsPIC33系列的不同成員來擴展其設計,以提供汽車和電動汽車系統核心的廣泛應用。
為汽車和電動汽車設計提供更有效的硬件基礎
Microchip的dsPIC33C系列專門設計用于減少許多汽車子系統底層基于軟件的高速數字控制環路的延遲并加快執行速度。為了實現這一特性,這些器件集成了 DSP 引擎、高速寄存器和緊密耦合的外設,包括多個模數轉換器 (ADC)、數模轉換器 (DAC)、模擬比較器和運算放大器。
DSP 引擎的單周期 16 x 16 乘法累加 (MAC)與 40 位累加器、零開銷環路和桶形換檔等特性可確保高速執行數字控制環路。150 皮秒 (ps) 分辨率脈寬調制器 (PWM)、捕獲/比較/PWM (CCP) 定時器、外設觸發發生器和用戶可編程可配置邏輯單元等外設功能可實現精密控制環路接口的獨立操作。
這些器件采用小至 5 x 5 毫米 (mm) 的封裝,具有廣泛的片上功能,可幫助開發人員實現最小的尺寸和 BOM,以滿足時尚汽車系統中對較小器件的要求。這些器件進一步簡化了汽車設計,支持多種通信接口,包括控制器局域網 (CAN)、本地互連網絡 (LIN) 和高級汽車系統中使用的數字多路復用 (DMX)。此外,這些器件在單核和雙核配置中具有不同的內存大小,可提供高級汽車和電動汽車應用所需的可擴展解決方案。
這些器件適用于惡劣的汽車環境,符合 AEC-Q100 0 級標準,能夠滿足引擎蓋下操作的嚴格要求,并支持 –40°C 至 +150°C 的擴展溫度范圍。 對于任務關鍵型汽車設計而言,最重要的是,選定的dsPIC33系列成員具有功能安全功能,可輕松遵守ISO 26262(ASIL A或ASIL B)、IEC 61508(SIL 2)和IEC 60730(B類)等安全規范。這些dsPIC33系列成員集成了專門的安全硬件功能,包括死角定時器、看門狗定時器、故障安全時鐘監控、隨機存取存儲器(RAM)、內置自檢(BIST)和糾錯碼。
對于軟件開發,Microchip的MPLAB XC C編譯器已通過TüV SUD功能安全認證,并且在某些情況下可以使用診斷軟件庫。此外,Microchip還提供相關的故障模式,影響和診斷分析(FMEDA)報告和安全手冊,作為安全認證過程的一部分。
功能安全認證所需的硬件安全特性和開發能力只是支持基于dsPIC33的傳統汽車和電動汽車設計的豐富開發生態系統的一部分。基于其MPLAB X集成開發環境(IDE),Microchip為不同的應用領域提供了廣泛的專業設計工具和庫,如下所述。
為了幫助進一步加快dsPIC33系列的開發速度,Microchip提供了豐富的dsPIC33開發板生態系統以及可下載的設計資源,包括白皮書、應用說明和參考設計。在這些資源中,有多個dsPIC33C參考設計涉及幾個關鍵的汽車和電動汽車應用領域,包括無線充電、數字照明、電源轉換和電機控制。除了演示 dsPIC33C DSC 在每個領域的使用外,這些參考設計和相關軟件還可以作為實施定制設計的起點。
實現用于功率轉換的精密數字控制環路
控制環路是許多汽車和電動汽車應用的核心,在這些應用中,它們最關鍵的用途之一是滿足電源轉換的基本需求。高效的DC-DC轉換在傳統汽車系統中仍然很重要,在高壓電動和混合動力電動汽車中也至關重要。在這些系統中,200-800 伏電池電壓需要安全有效地降低到運行外部和內部照明所需的 12 伏或 48 伏電平,以及用于雨刷器、窗戶、風扇和泵的電動機。
在 200 W (W) DC/DC LLC(三個無功元件:兩個電感元件和一個電容式)諧振轉換器參考設計中[2],單個dsPIC33器件利用其集成的PWM之一驅動控制環路中的半橋MOSFETS,為開關模式電源轉換提供緊湊的數字解決方案(圖1)。

圖 1:Microchip Technology 的 DC/DC LLC 諧振轉換器參考設計依靠單個 dsPIC33 DSC 對電源轉換設計核心的控制環路進行數字管理。(圖片來源:微芯科技)
在圖2中,諧振變壓器將原邊高壓(黑線)與MOSFET驅動器(D)的次級12 V電源(藍線)和dsPIC33 DSC及其他模擬(A)元件的3 V電源隔離。

圖 2:dsPIC33 DSC 采用專用外設,有助于簡化設計并減少器件數量,這里使用其集成的 PWM 和外設功能來控制外部 MOSFET (D)和其他模擬 (A) 元件。(圖片來源:微芯科技)
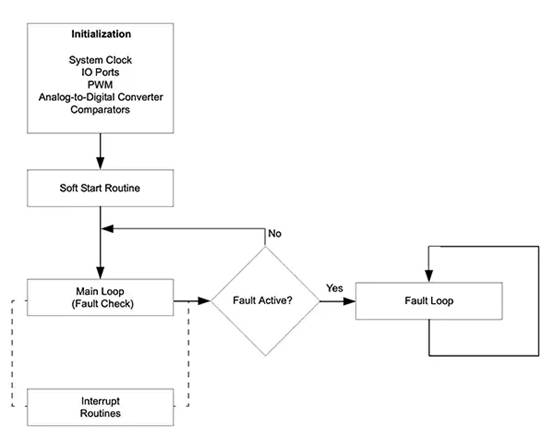
在該設計中,dsPIC33采用基本的中斷驅動軟件設計來管理數字控制環路。這里,ADC中斷用于獲取軟件比例-積分-微分(PID)控制器中使用的輸出電壓。另一個ADC中斷支持溫度檢測,而dsPIC33的模擬比較器支持過流和過壓事件檢測。事實上,PID 控制過程和相關控制回路管理任務的執行為內務管理和監視任務(包括溫度監視、故障監視和通信)留下了充足的處理余地,所有這些都在一個簡單的固件處理序列中(圖 3)。

圖 3:dsPIC33 DSC 的高性能 DSP 引擎和緊密耦合的外設使開發人員能夠以更簡單的代碼輕松實現復雜的數字控制環路。(圖片來源:微芯科技)
對于希望構建更專業的數字電源解決方案的開發人員,Microchip的數字電源設計套件支持從概念到生成目標dsPIC DSC固件的設計。基于 dsPIC DSC 硬件功能,開發人員使用套件的數字補償器設計工具 (DCDT)來分析控制環路,并使用 MPLAB 代碼配置器 (MCC) 生成使用微芯片補償器庫中優化的匯編代碼函數的代碼(圖 4)。

圖 4:開發人員可以利用 Microchip 的綜合工具鏈來加速開發數字電源子系統核心的基于軟件的優化控制環路。(圖片來源:微芯科技)
無論是構建基于標準的設備(如無線電源發射器)還是實施更復雜的定制設備,汽車和電動汽車控制環路應用的設計人員都需要實施緊湊型解決方案,以支持故障監控等基線功能之外的其他功能。另一個參考設計說明了單核dsPIC33CK DSC 在數字控制電源轉換的另一個重要應用 — 無線電力傳輸中提供一組豐富的功能。
實施符合 Qi 標準的無線電源發射器
智能手機和其他移動設備制造商廣泛采用的 5 至 15 瓦無線電力傳輸的無線充電聯盟 (WPC) Qi 標準允許消費者通過內置兼容無線發射器將其放置在任何表面上,從而為其支持 Qi 的設備充電。Qi無線電源發射器嵌入在汽車內部表面或第三方充電產品中,為智能手機充電提供了一種便捷的方法,消除了有線電源連接的混亂和潛在的干擾。微芯片技術的 15 瓦 Qi 無線電源參考設計[3]說明了如何使用 dsPIC33 簡化此類子系統的實現(圖 5)。

圖 5:dsPIC33 的集成外設可以獨立運行,以加快關鍵控制任務的速度,從而為在更復雜的應用(如無線電源發射器)中執行用戶界面、通信和安全性等其他任務留出處理余量。(圖片來源:微芯科技)
該參考設計基于微芯片技術單核dsPIC33CK256MP506 DSC,利用 DSC 的集成功能實現數字控制環路。雖然這種設計基于全橋拓撲結構,而不是上述諧振轉換器中使用的半橋拓撲結構,但該器件的多個PWM可以輕松滿足這一額外要求。
無線電力發射器通常提供多個射頻(RF)線圈用于傳輸功率,在這種設計中,橋式逆變器通過多路復用器(MUX)連接到三個線圈之一。與全橋逆變器和電壓調節前端一樣,該設計充分利用了dsPIC33的集成外設來管理線圈MUX開關。
除了控制Microchip的MIC4605和MP14700柵極驅動器外,dsPIC33外設還具有:
通過微芯片MCP2221A USB 橋接器件提供 USB 連接
通過微芯片ATECC608身份驗證設備支持符合 WPC 標準的安全存儲,Microchip 作為許可的 WPC 制造商證書頒發機構 (CA) 提供該設備
通過微芯片ATA6563 CAN 靈活數據速率 (FD)設備提供 ISO 2622 功能安全就緒的 CAN 連接
此外,該參考設計使用Microchip的MCP16331降壓轉換器和MCP1755線性穩壓器來支持輔助電池電源。
使用這種相對較小的BOM,該參考設計提供了一個Qi就緒解決方案,該解決方案具有無線電源系統的所有關鍵功能,包括高效率,擴展的充電區域,有用的Z距離(發射器和接收器之間的距離),異物檢測以及對領先智能手機中使用的多種快速充電實現的支持。通過構建這種基于軟件的設計,開發人員可以輕松添加功能,例如發射器和接收器之間的專有通信協議,以及藍牙等無線連接選項。
實施緊湊型數字照明解決方案
dsPIC33器件的集成功能在汽車和電動汽車應用中尤為重要,這些應用需要在不干擾車輛線路的情況下添加一些復雜的功能。高強度LED的可用性使汽車制造商能夠為外部前照燈和內部照明帶來更大的設計感。
然而,這些照明子系統的開發人員通常必須將更多的功能壓縮到更小的封裝中,同時支持DMX等行業標準,DMX為控制照明設備鏈提供了通用的通信協議。就像上面提到的無線電源發射器設計一樣,一種緊湊型數字照明的設計[4]該解決方案利用了dsPIC33的集成外設(圖6)。

圖 6:Microchip Technology 的 dsPIC33 DSC 使開發人員能夠以最小的占用空間和 BOM 交付復雜的設計,從而將功能不顯眼地嵌入到車輛中。(圖片來源:微芯科技)
與其他數字電源應用一樣,該數字照明設計利用dsPIC33的集成PWM、模擬比較器和其他外設,提供完整、緊湊的數字照明解決方案。與上述設計應用一樣,該數字照明解決方案依賴于dsPIC33 DSC的處理能力和外設獨立運行的能力,以監視和控制所需的一組外部設備,包括功率器件、收發器、LED等。其他微芯片設計示例展示了dsPIC33 DSC在處理更復雜的數字控制算法和高級電機控制系統方面的高性能處理能力。
通過單個 dsPIC33 DSC 實現先進的電機控制系統
dsPIC33 DSC的性能允許開發人員使用單個DSC來處理核心數字控制環路的執行以及各種輔助功能。事實上,微芯片雙電機設計[5]演示了僅使用一個單核 dsPIC33CK DSC 實現一對永磁同步電機 (PMSM) 的無傳感器磁場定向控制(FOC)。此設計的關鍵在于將相移 PWM 信號傳送到每個電機控制通道、電機控制 1 (MC1) 和電機控制 2 (MC2) 的逆變器(圖 7)。

圖 7:由于其高性能處理和集成外設,一個單核 dsPIC33CK DSC 可以支持雙電機控制設計。(圖片來源:微芯科技)
在這種方法中,dsPIC33CK的PWM被配置為為每個電機控制通道生成所需的波形,并在最佳時刻觸發單獨的ADC。當每個ADC完成轉換時,它會發出中斷,導致dsPIC333CK對該組讀數執行FOC算法。
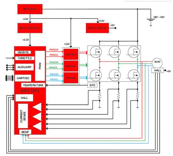
單個 dsPI33CK DSC 還可以處理更強大的電機控制應用。在高性能電動滑板車(E-scooter)的參考設計中,dsPIC33CK控制驅動無刷直流(BLDC)電機的三相逆變器的多個FET和Microchip MIC4104柵極驅動器(圖8)。

圖 8:使用單核 dsPIC33CK,開發人員只需幾個附加組件即可實現強大的電動滑板車電機控制子系統。(圖片來源:微芯科技)
電動滑板車參考設計[6]支持無傳感器和傳感器工作模式,因為它能夠監控 BLDC 電機的后部電動勢 (BEMF) 以及霍爾效應傳感器輸出。該設計使用 18 至 24 V 的輸入電壓源,可實現 350 瓦的最大輸出功率。
在此設計的進一步擴展中[7],Microchip展示了在電動汽車和HEV中使用的再生制動的添加,以回收能量,因為電機在高于車輛電池供應的電壓水平下產生BEMF。在這里,增強設計使用額外的dsPIC33CK引腳來監控來自制動器的信號。當檢測到制動時,dsPIC33CK首先關閉逆變器高邊柵極,將回收的電能提升到高于直流母線電壓的水平,然后關閉低側柵極,讓電流流回源頭。
開發人員可以通過用雙核dsPIC33CH DSC取代單核dsPIC33CK來擴展此設計以支持更強大的功能。在這樣的設計中,一個內核可以通過最少的代碼更改來管理 BLDC 電機控制和再生制動功能,而另一個內核可以執行額外的安全功能或高級應用。使用雙核 dsPIC33CH,電機控制開發團隊和應用程序開發團隊可以單獨工作,并無縫集成其控制以在 DSC 上執行。
對于定制電機控制設計,Microchip的motorBench開發套件提供了一個圖形用戶界面(GUI)工具集,可幫助開發人員更準確地測量關鍵電機參數,調整控制環路,并在Microchip的電機控制應用框架(MCAF)和電機控制庫上生成源代碼構建。
結論
使用Microchip Technology的dsPIC33 DSC,開發人員需要相對較少的額外組件即可為傳統的汽車和電動汽車應用實現廣泛的數字電源設計。單核和雙核 dsPIC33 DSC 以豐富的軟件工具和參考設計為后盾,為快速開發電源轉換、無線充電、照明和電機控制等優化解決方案提供了一個可擴展的平臺。
(來源:德州儀器)
免責聲明:本文為轉載文章,轉載此文目的在于傳遞更多信息,版權歸原作者所有。本文所用視頻、圖片、文字如涉及作品版權問題,請電話或者郵箱editor@52solution.com聯系小編進行侵刪。
推薦閱讀:


