- 強效放電管選型指南
- 強效應玻璃放電管選型原則
- 強效應玻璃放電管電壓的選取
- 強效應玻璃放電管通流量的選取
SPG強效應玻璃放電管是一種靠內部微間隙放電的一種保護器件,在電極微間隙之間充有穩定的惰性氣體,并采用玻璃殼和杜鎂絲頭在高溫下燒結密封而形成的。

1、它具有快速的相應速度,響應時間<=1ns;
2、它是一種開關型并聯于線路中旁路于浪涌電流一種防雷型保護器件;
3、電壓規格從70v~6000v,耐突波電流能力在8/20uS雷擊下可達500A、1000A、2000A、3000A等,不同的耐電流能力可適應于不同國內、國際標準的測試;
4、體積小,目前最小可達fai1.4*3.4;
5、在同等電壓規格情況下,殘壓是所有氣體式開關型器件中最低的;
6、電容值低,一般只有及皮法;
7、無極性,安裝方便簡捷;
8、絕緣阻抗高、不易老化,可靠性強,能長期在濕度環境比較惡劣的情況下繼續保持高阻值,這是其他保護器件一般都不能達到的;
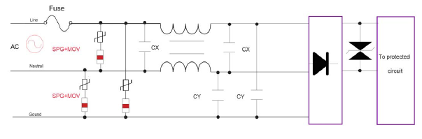
9、專用于高頻通訊信號線路進行防護,一般不能直接用在有源電路上進行防護,在有源線路中它必須配合限壓型(MOV、HYPERFIX)的保護器件來同時使用。
由于強效應玻璃放電管存在續流的問題而不能直接用在有源電路上進行保護,因而在有源產品上的防護必須要利用限壓型的保護器件(壓每電阻或防雷型的HYPERFIX等限壓型器件)配合使用。

1、通訊設備過壓抗雷擊保護:如ADSL、MODEM、CATV、IC卡電話機、以太網交換機、網卡、語音分離器、電話機、傳真機、RS485、RS232端口等。
2、電子設備的靜電防護:CRT顯示器、汽車音頻系統、電子電器產品的ESD&EMC防護等。
3、電子電器設備電源部分的過壓抗雷擊保護:變頻空調、變頻電源、傳真機電源、小家電產品等。
[page]
君耀強效應玻璃放電管產品符合于RoHS WEEE相應的條款并通過相應的檢測機構檢驗,滿足其相應的測試標準:IEC61000-4-5、ITU K21、UL等標準。
強效應玻璃放電管選型原則


強效應玻璃放電管電壓的選取


強效應玻璃放電管通流量的選取
一般依據客戶產品防雷測試等級的要求進行選取,來決定所選放電管的通流量及相應的尺寸規格。
一般依據客戶產品防雷測試等級的要求進行選取,來決定所選放電管的通流量及相應的尺寸規格。




