【導讀】分壓器和分流器有許多實際應用。例如,在下圖所示的電路中,R 2是一個光敏電阻,它會隨著照射在其上的光強的變化而改變值。R 2和 U 2兩端的電壓是光強度的量度。您可以使用它來感測陽光的強度,或者光源和光敏電阻之間是否存在物體。當然,分壓和分流器電路還有許多其他應用。
基爾霍夫電壓定律
基爾霍夫電壓定律指出回路中所有電壓的代數和必須為零。該定律的一個實際應用是分壓器,如下圖所示。
如果 U 1是 9V 電池,R 1是 3 歐姆電阻,R 2 是 6 歐姆電阻,則電路中流動的電流為
9 v3 Ω+6 Ω=1 A9 v3 Ω+6 Ω=1 A。
R 1兩端的電壓將是
3 Ω x 1 A=3 v3 Ω x 1 A=3 v,
R 2兩端的電壓為
6 Ω x 1 A=6 v6 Ω x 1 A=6 v.
各個電阻器兩端的電壓等于兩個電阻器兩端的電壓乘以各個電阻器與總電阻器的比率。計算電阻器 R 2和 U 2兩端電壓的公式如下所示。

圖 1 分壓器電路
U1=U1R2R1+R2U1=U1R2R1+R2
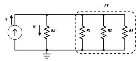
基爾霍夫電流定律
同樣,您可以分流。支配這一點的定律稱為基爾霍夫電流定律。該定律指出,“所有進出節點的電流的代數和必須等于零。”
要了解其工作原理,請參閱下圖。I T是提供給四個并聯電阻電路的總電流。I X是流經 R X的電流。如下式所示,流過 R X的 I T的分數將等于 I X乘以 R X與總電阻之比。如果所有電阻器的值都相同,則通過每個電阻器的電流將相同。
例如,如果 IT=1 AIT=1 A 和 RX=R1=R2=R3=30ΩRX=R1=R2=R3=30Ω,
然后 RT=10ΩRT=10Ω 和 IX=ITRTRX+RT=(1)(10)30+10=1040=0.25 AIX=ITRTRX+RT=(1)(10)30+10=1040=0.25 A。

圖 2 分流器電路
IX=ITRTRX+RTIX=ITRTRX+RT
分壓器和分流器的應用
分壓器和分流器有許多實際應用。例如,在下圖所示的電路中,R 2是一個光敏電阻,它會隨著照射在其上的光強的變化而改變值。R 2和 U 2兩端的電壓是光強度的量度。您可以使用它來感測陽光的強度,或者光源和光敏電阻之間是否存在物體。當然,分壓和分流器電路還有許多其他應用。

圖 3 分壓器應用
U2=U1R2R1+R2
免責聲明:本文為轉載文章,轉載此文目的在于傳遞更多信息,版權歸原作者所有。本文所用視頻、圖片、文字如涉及作品版權問題,請聯系小編進行處理。
推薦閱讀:





