【導讀】本文介紹了一種壓電傳感器電荷/電壓轉換電路,并分析了反饋電容的溫度特性對開關電路輸出的影響,同時分析了不同濾波器的特性,并根據實際傳感器帶寬配置了相應的濾波電路。最后通過實驗證明,該電路能夠有效地濾除振動信號中的噪聲,準確地獲得振動信號。
1、控制電路設計
壓電加速度計獲得的沖擊和振動信號需要用電荷放大器進行放大和處理,為了研究出一種一種經濟實用的電荷放大器,作者利用集成運算放大器芯片代替大量分立器件進行優化設計,并設計了相應的濾波電路
1.1壓電傳感器等效電路

圖一壓電傳感器的等效電路
壓電傳感器是基于壓電效應設計的,敏感元件由壓電材料制成,一旦受到外力作用,壓電材料表面就會產生一些弱電荷。當壓電傳感器在敏感軸方向受迫時,在兩個電極上產生極性相反的電荷,這兩個電極相當于一個電荷源(靜電發生器)。經過化簡后得到如下等式:

由上式可知,時間常數τ越大,電荷泄漏越慢,傳感器的測量誤差越小。傳感器和信號輸入應保持高絕緣電阻,以防止快速泄漏引起的電荷測量誤差。
1.2電荷電壓轉換電路

圖二電荷電壓轉換電路
運算放大器的輸出電壓范圍為0.738~1.758 V。為了避免電容器C1長期充電,使集成操作飽和,必須在電容器C1并聯連接電阻R2。另外一個重要作用是引入直流負反饋,有效地抑制集成運算放大器引起的輸入偏置電壓。系統測試的低截止頻率為f=1/2πR2C1,輸入信號的截止頻率為0.1Hz,電阻為R2=10mΩ。運算放大器逆變輸入的電阻R1在保護電路和限制電流中起主要作用。反饋電容C1的主要功能是將傳感器產生的電荷信號轉換為電壓信號,因此反饋電容器需要選擇低漂移、低漂移溫度和高漏阻的電容。

圖三不同材料反饋電容的溫度特性對開關電路輸出的影響
根據上圖作者選擇了聚苯乙烯電容器,減少環境變化引起的測量誤差。

圖四隔離電壓放大電路設計
因為電荷放大器的電壓輸出范圍與后續AC/DC變換器的輸入范圍不一致,所以采用電壓放大電路來調節電壓,使U02輸入電壓轉換成交流電壓信號U03。
作者利用高階低通濾波器對信號進行進一步處理,抑制噪聲信號和有效信號的混疊。作者將常見的濾波器: Butterworth濾波器、橢圓函數濾波器、Bessel型濾波器等進行了對比,最終選擇了LTC1569濾波器,因為其優良的相頻特性而且信號在帶內的輸出延遲與通帶的線性相位特性基本相同。由LTC1569組成的低通濾波器的直流偏置輸出偏差較小,通帶具有線性相位特性,可以保護信號不失真,保證信號測量結果的準確性。

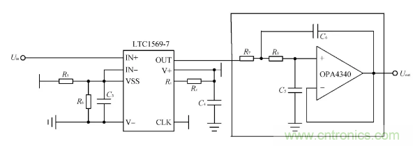
圖五低通濾波器
雖然LTC1569濾波器可以提供高質量的濾波器特性,但芯片濾波原理是基于開關電容效應,在輸出端產生高頻開關噪聲,通過增加一個開關噪聲對開關噪聲進行濾波通過添加一個二級低通濾波器后LTC1569濾波器。

圖六濾除開關噪聲前后波形的比較
2、實驗結果與分析
包含振動信號調理電路的測量系統首先將壓電傳感器與調幅電路連接起來,以驗證調諧電路的正確性,通過線性擬合標定的測量系統得到的正弦掃描實驗圖像如下:

圖七壓電傳感器正弦掃頻曲線
利用信號發生器對調理電路測試進行掃描,得到了如圖八所示的信道頻率響應曲線:

圖八頻率響應曲線
用標準電荷發生器作為電荷源模擬振動傳感器的輸出,并將其連接到測量電路上,計算理論電壓值,所測電壓與理論值基本一致,調理電路的測量誤差小于1%,能夠滿足振動信號測量精度的要求,并能準確地測量振動信號。
3、 總結
本文以壓電傳感器為研究對象,詳細介紹了傳感器等效電路和調節電路,并對調節電路關鍵部件的電容和濾波器進行了分析和研究,給出了作者所考慮范圍內的合理解決方案,并對該方案進行了測試,獲得的數據具有較高的精度,所采集的振動信號數據為該電路的可靠性與實用性提供了可靠的數據支持。
推薦閱讀:




